Welcome,
My Cart
0 item(s)

Models

Parts


product name

Coast to Coast 134I660F054 (1994) Lawn Tractor

Model: 134I660F054 (1994)

Back To Assemblies

Save
Part Not Listed?Part Not Listed?

product name

Steering Assembly/Wheels, Front/Axle, Front

...
...
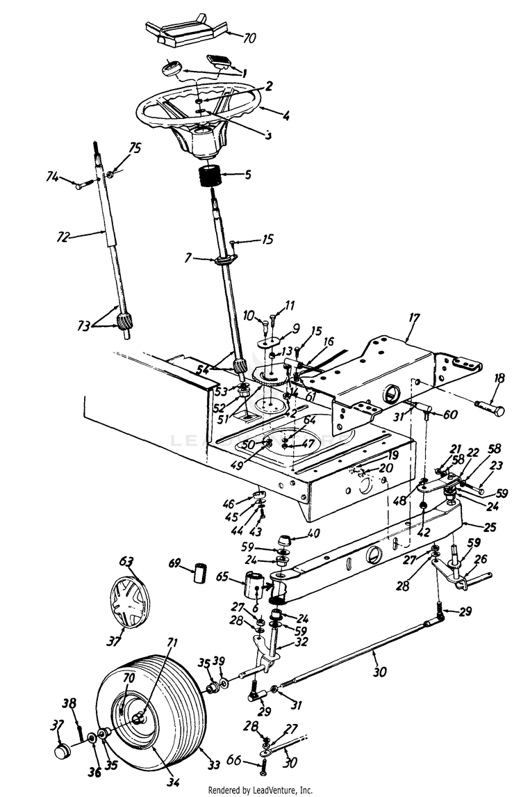
1
Steering Wheel Cap MTD-931-0220

...
xx
Steering Wheel Cap New Part MTD-731-1459A

...
xx
STEERING WHEEL CAP New Part MTD-731-1460

...
2
Hex L-Nut 5/16-24 Thd. MTD-712-0411

...
3
Belleville Wash .345" I.D. MTD-736-0242

...
4
STEERING WHEEL Uses Round Steering Wheel Cap MTD-731-0805

...
xx
STEERING WHEEL New Part Uses Square Steering Wheel Cap MTD-731-1406

...
xx
STEERING WHEEL Uses Round Steering Wheel Cap MTD-731-0806A

...
5
STEERING BELLOW (Style 8) MTD-731-0559B

...
xx
STEERING BELLOW 9" (Style 0, 1, 3, 4, 5, 6, 9) New Part MTD-931-0954

...
xx
BELLOW-STEERING (Style 7) MTD-731-1542

...
6
GREASE FITTING (SLOTTED) (Optional) MTD-737-0280

...
7
Flange Bearing .628" I.D. x 1.36 O.D. (Style 8) MTD-741-0587

...
9
STABILIZER PLATE MTD-783P08577A

...
10
SHOULDER SCREW .437 DIA x .350 MTD-938-0141

...
11
Hex Bolt 3/8-24 x 1" Lg. MTD-710-1039

...
13
Spacer.380" I.D. x .625" O.D. x .227 MTD-950-0535

...
14
L-Wash. 3/8" I.D. (H.D.) MTD-736-0217

...
15
Hex Wash. Hd. Self-Tap Scr. MTD-710-0726

...
16
STEERING DRAG LINK MTD-711-1001

...
17
PIVOT BAR BRACKET MTD-783-0041C

...
18
Shoulder Bolt .498" Dia. x 2.04 Lg. 3/8-16 Thd. MTD-738-0527

...
19
Hex Nut 3/8-16 Thd. For faster service obtain standard nuts, bolts and washers locally If these items cannot be obtained locally, order by part number and size as shown on parts list. MTD-712-0798

...
20
L-Wash. 3/8" I.D. For faster service obtain standard nuts, bolts and washers locally If these items cannot be obtained locally, order by part number and size as shown on parts list. MTD-736-0169

...
21
Hex L-Nut 5/16-24 Thd. MTD-712-0411

...
22
Steering Arm Front Axle MTD-983-0055-0637

...
23
Hex Bolt 5/16-24 x 2.00" Lg. (Grade 5) MTD-710-0772

...
24
Flange Bearing .632 ID MTD-741-0487C

...
25
Pivot Bar Ass'y. MTD-753-0642-0637

...
26
Front Axle Ass'y.- L.H. MTD-NA

...
xx
Wheel Ass'y. Comp. MTD-634-0056B-0911

...
xx
Wheel Ass'y comp. 15" X 6" (Square Shoulder) MTD-634-0105B

...
xx
Tire Only MTD-734-0864

...
xx
Tire Only MTD-734-1731

...
xx
WHEEL RIM GREY MTD-753-0838-0662

...
xx
Flange Bearing .632 ID MTD-741-0487C

...
xx
TUBELESS VALVE MTD-934-0255

...
xx
Grease Fitting Optional MTD-737-0211A

...
xx
GREASE FITTING PLUG MTD-737-0212A

...
xx
Front Axle Ass'y. - L.H. MTD-17585

...
xx
AXLE ASSEMBLY (RH) MTD-97584A-0637

...
xx
FRONT AXLE ASSY (LH) MTD-983-0041A

...
xx
FRONT AXLE ASSEMBLY (RH) MTD-683-0040

...
27
Hex Nut 3/8-24 Thd. For faster service obtain standard nuts, bolts and washers locally If these items cannot be obtained locally, order by part number and size as shown on parts list. MTD-712-0241

...
28
L-Wash. 3/8" I.D. For faster service obtain standard nuts, bolts and washers locally If these items cannot be obtained locally, order by part number and size as shown on parts list. MTD-736-0169

...
29
Ball Joint, 3/8-24 MTD-923-3018

...
30
Tie Rod (Adjustable) MTD-747-0753

...
xx
Tie Rod (Non-Adjustable) MTD-747-0861-0637

...
31
Hex Jam Nut 3/8-24 Thd. For faster service obtain standard nuts, bolts and washers locally If these items cannot be obtained locally, order by part number and size as shown on parts list. MTD-712-0711

...
32
Front Axle Ass'y.- R.H. MTD-NA

...
xx
Wheel Ass'y. Comp. MTD-634-0056B-0911

...
xx
Wheel Ass'y comp. 15" X 6" (Square Shoulder) MTD-634-0105B

...
xx
Tire Only MTD-734-0864

...
xx
Tire Only MTD-734-1731

...
xx
WHEEL RIM GREY MTD-753-0838-0662

...
xx
Flange Bearing .632 ID MTD-741-0487C

...
xx
TUBELESS VALVE MTD-934-0255

...
xx
Grease Fitting Optional MTD-737-0211A

...
xx
GREASE FITTING PLUG MTD-737-0212A

...
xx
Front Axle Ass'y. - L.H. MTD-17585

...
xx
AXLE ASSEMBLY (RH) MTD-97584A-0637

...
xx
FRONT AXLE ASSY (LH) MTD-983-0041A

...
xx
FRONT AXLE ASSEMBLY (RH) MTD-683-0040

...
33
Wheel Ass'y. Comp. MTD-NA

...
xx
Wheel Ass'y. Comp. MTD-634-0056B-0911

...
xx
Wheel Ass'y comp. 15" X 6" (Square Shoulder) MTD-634-0105B

...
xx
Tire Only MTD-734-0864

...
xx
Tire Only MTD-734-1731

...
xx
WHEEL RIM GREY MTD-753-0838-0662

...
xx
Flange Bearing .632 ID MTD-741-0487C

...
xx
TUBELESS VALVE MTD-934-0255

...
xx
Grease Fitting Optional MTD-737-0211A

...
xx
GREASE FITTING PLUG MTD-737-0212A

...
xx
Front Axle Ass'y. - L.H. MTD-17585

...
xx
AXLE ASSEMBLY (RH) MTD-97584A-0637

...
xx
FRONT AXLE ASSY (LH) MTD-983-0041A

...
xx
FRONT AXLE ASSEMBLY (RH) MTD-683-0040

...
34
Front Wheel Rim Only MTD-NA

...
xx
Wheel Ass'y. Comp. MTD-634-0056B-0911

...
xx
Wheel Ass'y comp. 15" X 6" (Square Shoulder) MTD-634-0105B

...
xx
Tire Only MTD-734-0864

...
xx
Tire Only MTD-734-1731

...
xx
WHEEL RIM GREY MTD-753-0838-0662

...
xx
Flange Bearing .632 ID MTD-741-0487C

...
xx
TUBELESS VALVE MTD-934-0255

...
xx
Grease Fitting Optional MTD-737-0211A

...
xx
GREASE FITTING PLUG MTD-737-0212A

...
xx
Front Axle Ass'y. - L.H. MTD-17585

...
xx
AXLE ASSEMBLY (RH) MTD-97584A-0637

...
xx
FRONT AXLE ASSY (LH) MTD-983-0041A

...
xx
FRONT AXLE ASSEMBLY (RH) MTD-683-0040

...
35
Bearing MTD-NA

...
xx
Wheel Ass'y. Comp. MTD-634-0056B-0911

...
xx
Wheel Ass'y comp. 15" X 6" (Square Shoulder) MTD-634-0105B

...
xx
Tire Only MTD-734-0864

...
xx
Tire Only MTD-734-1731

...
xx
WHEEL RIM GREY MTD-753-0838-0662

...
xx
Flange Bearing .632 ID MTD-741-0487C

...
xx
TUBELESS VALVE MTD-934-0255

...
xx
Grease Fitting Optional MTD-737-0211A

...
xx
GREASE FITTING PLUG MTD-737-0212A

...
xx
Front Axle Ass'y. - L.H. MTD-17585

...
xx
AXLE ASSEMBLY (RH) MTD-97584A-0637

...
xx
FRONT AXLE ASSY (LH) MTD-983-0041A

...
xx
FRONT AXLE ASSEMBLY (RH) MTD-683-0040

...
36
Fl-Wash .635 I.D. x 1.59" O.D. MTD-736-0285

...
37

...
xx
SPOKED HUB CAP Optional MTD-731-1787

...
xx
HUB CAP (GRAY) Optional MTD-734-1613

...
xx
HUB CAP-BEIGE Optional MTD-734-1612

...
38
Cotter Pin 1/8" Dia. x 1.25" For faster service obtain standard nuts, bolts and washers locally If these items cannot be obtained locally, order by part number and size as shown on parts list. MTD-714-0470

...
39
Fl-Wash .640" I.D. x 1.24" 0.0. MTD-736-0187

...
40
Push Cap 5/8" Dia. Rod MTD-726-0214

...
42
Hex Jam Nut 3/8-24 Thd. MTD-912-0446

...
43
Hex L-Bolt 5/16-18 x .62" For faster service obtain standard nuts, bolts and washers locally If these items cannot be obtained locally, order by part number and size as shown on parts list. MTD-710-0538

...
44
Lock Wash. 5/16" I.D. For faster service obtain standard nuts, bolts and washers locally If these items cannot be obtained locally, order by part number and size as shown on parts list. MTD-936-0119

...
45
Fl-Wash .33" I.D. x 1.25" O.D. MTD-736-0343

...
46

...
47
Hex Cent. L-Nut 3/8-24 Thd. MTD-712-0214

...
48
L-Wash. 3/8" I.D. For faster service obtain standard nuts, bolts and washers locally If these items cannot be obtained locally, order by part number and size as shown on parts list. MTD-736-0169

...
49
Hex Cent. L.-Nut 5/16-18 Thd. MTD-912-0158

...
50
Lock Wash. 5/16" I.D. For faster service obtain standard nuts, bolts and washers locally If these items cannot be obtained locally, order by part number and size as shown on parts list. MTD-936-0119

...
51
Steering Gear Segment MTD-717-0622C

...
52
FLANGE BEARING MTD-941-0225

...
53
Fl-Wash. (Hardened) MTD-736-0187

...
54
STEERING SHAFT 23.38 LG MTD-738-0743A

...
?57
Oval Hd. Cr.- Sunk Scr. #10 x 5/8" Lg. (Style 8) MTD-710-0837

...
58
SPRING WASHER .317 X .625 X .020 MTD-936-0271

...
59
Fl-Wash. (Hardened) MTD-736-0187

...
60
Ball Joint, 3/8-24 MTD-923-3018

...
61
Ext. L-Wash. 5/16" I.D. MTD-736-0607

...
63
SPRING CLIP (Used w/Spoked Hub Cap) MTD-727-0425A

...
64
BELL WASHER MTD-936-0356

...
65
End Cap, Pivot Bar (w/ Fitting) (Optional) MTD-931-1291A

...
66
Hex Cap Screw 3/8-24 x 1.5 MTD-710-0459A

...
69
PLASTIC TUBE MTD-731-1389

...
70
STEERING WHEEL INSERT (Optional) MTD-931-0955

...
71
UNKNOWN MTD-NA

...
72
UPPER STEERING SHAFT (Used w/46" Deck) MTD-738-0886

...
73
STEERING SHAFT 23.38 LG (Used w/46" Deck) MTD-738-0743A

...
74
Hex Bolt 1/4-20 x 1.25" Lg. MTD-710-0106

...
75
Hex L-Nut 1/4-20 Thd. MTD-712-0324
...
...
...
...
...
Processing