Welcome,
My Cart
0 item(s)

Models

Parts


product name

Coast to Coast 133I670F054 (481-2251) (1993) Lawn Tractor

Model: 133I670F054 (481-2251) (1993)

Back To Assemblies

Save
Part Not Listed?Part Not Listed?

product name

Hood Style 0

...
...
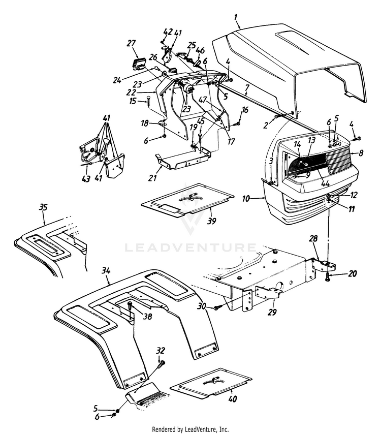
1
HOOD-STY O W/LOUVERS MTD-783-0250A

...
2
Shoulder Bolt, .375 x .125 MTD-938-0952A

...
3
Fl-Wash. .28" I.D. x .75" O.D. MTD-736-0342

...
4
Hex Bolt 1/4-20 x .62" Lg. For faster service obtain standard nuts, bolts, and washers locally. If these items cannot be obtained locally, order by part number and size as shown on parts list. MTD-710-0258

...
5
L-Wash. 1/4" I.D. For faster service obtain standard nuts, bolts, and washers locally. If these items cannot be obtained locally, order by part number and size as shown on parts list. MTD-936-0329

...
6
HEX NUT 1/4-20 For faster service obtain standard nuts, bolts, and washers locally. If these items cannot be obtained locally, order by part number and size as shown on parts list. MTD-912-0287

...
7
Grille Support Rod MTD-749-0812


...
9
LOCK NUT 1/4 x 28 MTD-712-0380

...
10
GRILLE-10 STYLE MTD-931-1097G

...
11
Fl-Wash. .344" I.D. x 1" O.D. MTD-736-3078

...
12
HEX NUT 5/16-18 MTD-712-3010

...
13
Miniature Lamp 12V Socket Type MTD-925-0963

...
14
HEADLIGHT SOCKET (1/4 TURN) MTD-925-1649A

...
15
Carriage Bolt 1/4-20 x .75" L g. MTD-710-0703

...
16
Hex Wash. Hd. TT-Tap Scr. 1/4-20 x .5" Lg. MTD-710-0599

...
17
Fl-Wash. .281" I.D. x.73" O.D. MTD-736-0173

...
18
Bolt Retainer 1/4" I.D. MTD-726-0233

...
19
SPEED NUT 1/4-20 MTD-712-0185

...
20
Hex Bolt 5/16-18 x .75" Lg. MTD-710-0118

...
21
GAS TANK SUPPORT BRKT. New Part MTD-17632A

...
22

...
xx
DASH PANEL MTD-731-1337A

...
23
Ignition Switch MTD-925-0267B


...
25
Choke Control 23" Used w/Single Engine Only. MTD-946-0616A

...
xx
Choke Control Used w/Twin Cylinder Engine MTD-746-0614A

...
xx
CONTROL-CHOKE VANGUARD MTD-746-0881

...
26
Light Switch Optional Parts MTD-925-0634

...
27
Ammeter Optional Parts MTD-925-0925

...
28
BRACKET-GR MTD-15821

...
29
BRACKET-GRILLE (RH) MTD-15822

...
30
Hex Wash. Hd Tap Scr. 5/16 x .5" Lg. MTD-710-0607

...
32
Truss Mach. Scr. 1/4-20 x 5" Lg. MTD-710-0286

...
34
FENDER-RR W/FRAME MTD-17870C

...
35
FENDER-RR New Part MTD-17871A

...
38
Hex Wash. Hd. AB-Tap Scr. 5/16 x 75" Lg. MTD-710-0726

...
39
SHIFT COVER New Part MTD-17954B-0637

...
40
Shift Cover New Part MTD-17286B-0637

...
41
Throttle Box Ass'y. MTD-831-0823A

...
42
Truss Mach. AB-Tap Scr. #10 x .5" Lg. MTD-710-0779A

...
43
Throttle Control Wire Used w/Single Cylinder Engine Only. MTD-746-0501

...
xx
Throttle Wire Used w/Twin Cylinder Engine Only. MTD-946-0634

...
44
LABEL-REFLECTIVE MTD-777X40318

...
45
Hex Wash. Hd. B-Tap Scr 5/16-18 x .5" Lg. MTD-710-0603

...
46
CLIP-CHOKE RETAINER MTD-17782

...
47
Hex TT-Tap Scr. 1/4-20 x .75" Lg. MTD-710-0642

...
xx
Muffler (Single Cylinder Engines) MTD-NA

...
xx
MUFFLER ASSEMBLY MTD-951-0302

...
xx
CONDUIT L-NUT MTD-712-0250

...
xx

...
xx
Gasket-Exhaust MTD-BS-692236

...
xx
SHOULDER SCREW MTD-938-0636
...
...
...
...
...
Processing