Welcome,
My Cart
0 item(s)

Models

Parts


product name

Coast to Coast 133I600F054 (481-2277) (1993) Lawn Tractor

Model: 133I600F054 (481-2277) (1993)

Back To Assemblies

Save
Part Not Listed?Part Not Listed?

product name

Popular Parts

Popular Parts


Engine, External

...
...
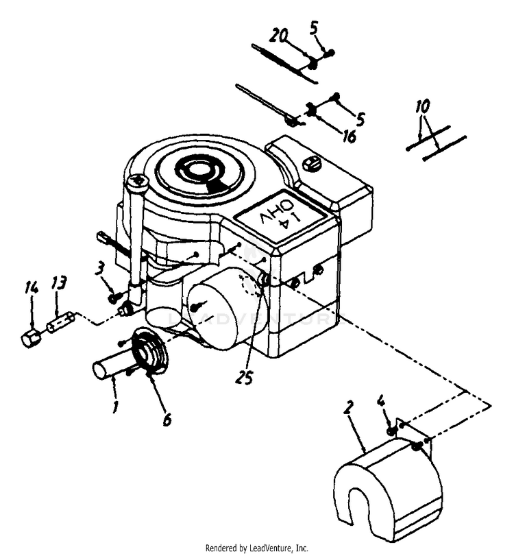
1
EXHAUST PIPE ASSEMBLY Briggs & Stratton 14 H.P. OHV Only. MTD-651-0002

...
2
HEAT SHEID ASSEMBLY Briggs & Stratton 14 H.P. OHV Only. MTD-683-0043

...
3
Pan Hd. Mach. Scr. 5/16-18 x .75" MTD-710-0323

...
4
Hex Wash. Hd. Scr. 1/4-20 x .5" Briggs & Stratton 14 H.P. OHV Only. MTD-710-0599

...
5
Hex Slot Wash. Hd. #10 x 5/8" Lg. MTD-710-1237

...
6
Hex Wash Hd. F-Tap Scr. #8-32 x .38" Briggs & Stratton 14 H.P. OHV Only. MTD-710-0148

...
10
Cable Tie-4" I.D. Briggs & Stratton 14 H.P. OHV Only. MTD-726-0197

...
13
PIPE NIPPLE Briggs & Stratton 14 H.P. OHV Only. MTD-937-0199

...
14
CAP - OIL DRAIN Briggs & Stratton 14 H.P. OHV Only. MTD-737-0143

...
16
Casing Clamp MTD-751B221535

...
20
Casing Clamp MTD-751B221535

...
25
SPEED NUT MTD-726-0235
...
...
...
...
...
Processing