Welcome,
My Cart
0 item(s)

Models

Parts


product name

Coast to Coast 132-650F054 (481-2251) (1992) Lawn Tractor

Model: 132-650F054 (481-2251) (1992)

Back To Assemblies

Save
Part Not Listed?Part Not Listed?

product name

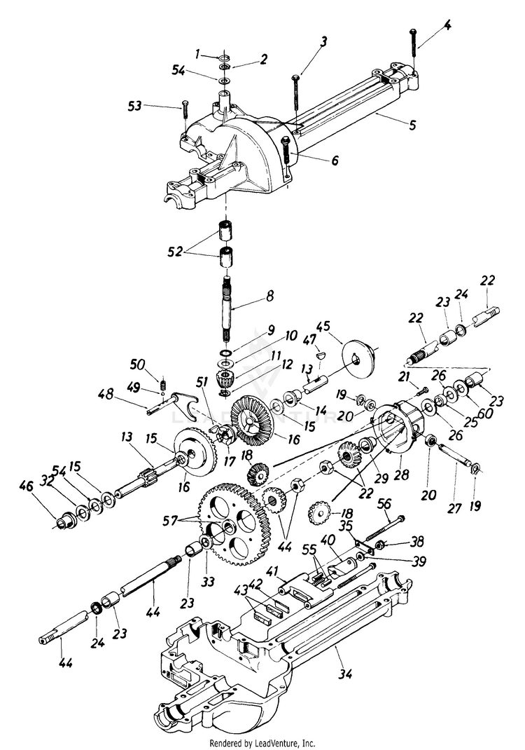
Right Hand Transaxle

...
...
xx
TRANSAXLE-SINGLE S MTD-753-0556

...
1
Wire Ring MTD-732-0614

...
2
Retaining - Ring MTD-716-0108

...
3
Hex Wash. TT-Tap Scr. 1/4-20 x 1.75 Lg. For faster service obtain standard nuts, bolts and washers locally. If these items cannot be obtained locally, order by part number and size as shown on parts list. MTD-710-1026

...
4
Hex Tap Scr. 1/4-20 x 1.25" Lg. MTD-710-0809

...
5
UPPER HOUSING MTD-717-0764A

...
6
Hex TT-Tap Scr. 1/4-20 x .75" Lg. MTD-710-0642

...
8
INPUT SHAFT MTD-711-0861

...
9
SQUARE SEAL 5/8ID MTD-721-0178

...
10
THRUST WASHER MTD-936-0335

...
11
INPUT PINION 14T MTD-917-0633

...
12
Retainer Ring MTD-916-0171

...
13
Drive Shaft-R.H. MTD-917-0758

...
14
Flange Brg. 5/8" I.D. x 3/4" Lg. For faster service obtain standard nuts, bolts and washers locally. If these items cannot be obtained locally, order by part number and size as shown on parts list. MTD-941-0336

...
15
THRUST WASHER MTD-936-0335

...
16
BEVEL GEAR 42 T MTD-717-0757

...
17
CLUTCH COLLAR MTD-917-0667

...
18
MITER GEAR MTD-717-1020

...
19
Snap Ring MTD-116-0184

...
20
Thrust Bearing MTD-941-0589

...
21
Pan Head Scr. 1/4-20 x .50" Lg. w/Patch MTD-710-0862A

...
22
AXLE ASSEMBLY (RH) MTD-717-0539

...
23
SLEEVE BEARING .75X1.00X1.00 MTD-741-05060

...
24
Oil Seal 3/4" I.D. MTD-721-0179

...
25
SPACER-AXLE MTD-750-0827

...
26
Fl-Wash..760" I.D. x 1.5" O.D. MTD-736-0445

...
27
Cross Shaft MTD-711-0918

...
28
DIFF HOUSING ASSEMBLY W/BEARING MTD-918-04089

...
29
Part of Ref. 28 MTD-NA

...
32
THRUST WASHER MTD-736-0495

...
xx
FLAT WASHER MTD-936-0336

...
xx
Thrust Wash. 5/8" I.D. x 1" O.D. x .035" Thk. MTD-736-0494

...
xx
Fl-Wash..5/8" I.D. x 1" O.D. x .040" Thk. MTD-736-0337

...
33
Fl-Wash..760" I.D. x 1.5" O.D. MTD-736-0445

...
34
TRANS HOUS MTD-719-0303

...
35
Anti-Rotation Brkt. MTD-718-0150


...
39
Fl-Wash..344" I.D. x .875" O.D. MTD-736-0371

...
40
Actuating Arm MTD-717-0700

...
41
BRAKE YOKE MTD-961-0198B

...
42
PUCK PLATE MTD-917-0682

...
43
BRAKE PUCK MTD-917-0678

...
44
AXLE ASSEMBLY (LH) MTD-717-0538

...
45
BRAKE DISC MTD-717-0677

...
46
Flange Bearing 5/8" I.D. x 15/16" Lg. MTD-941-0337

...
47
KEY 3/16 x 5/8 H MTD-914-0161

...
48
SHIFT FORK ASSEMBLY MTD-917-0754

...
49
DETENT BALL .250 MTD-741-0862

...
50
DETENT SHAFT SPRING MTD-932-05125

...
51
KEY-HI PRO MTD-914-0169

...
52
NEEDLE BEARING MTD-941-0335

...
53
Screw, Hex MTD-710-0788

...
54
FLAT WASHER MTD-936-0349

...
55
Actuating Pin 5/16" Dia. MTD-741-0343

...
56
Hex Wash Hd. Self-Tap Scr. 1/4-20 Thd. MTD-710-1206

...
57
DIFFERENTIAL GEAR MTD-717-0767

...
?58
FLAT WASHER MTD-936-0349

...
xx
THRUST WASHER MTD-736-0495

...
60
THRUST WASHER MTD-936-0492

...
xx
THRUST WASHER MTD-936-0493

...
xx
Fl-Wash..76" I.D. x 1.5" O.D. x .030" Thk. MTD-736-0351

...
xx
Fl-Wash..76" I.D. x 1.5" O.D. x .060" Thk. MTD-736-0445

...
xx
Grease, Benalene 8 oz tube MTD-737-0300A
...
...
...
...
...
Processing