Welcome,
My Cart
0 item(s)

Models

Parts


product name

Coast to Coast 132-650F054 (481-2251) (1992) Lawn Tractor

Model: 132-650F054 (481-2251) (1992)

Back To Assemblies

Save
Part Not Listed?Part Not Listed?

product name

Hood, Fender & Dash

...
...
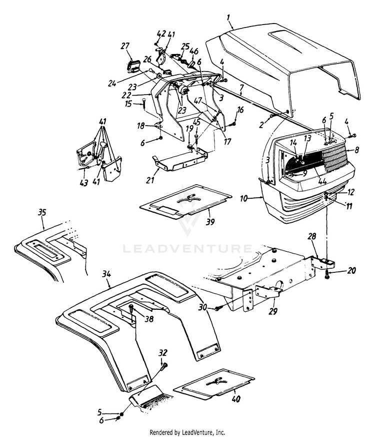
1
HOOD-STY O W/LOUVERS MTD-783-0250A

...
2
Shoulder Bolt, .375 x .125 MTD-938-0952A

...
3
Fl-Wash. .28" I.D. x .75" O.D. MTD-736-0342

...
4
Hex Bolt 1/4-20 x .62" Lg." MTD-710-0258

...
5
L-Wash. 1/4" I.D. MTD-936-0329

...
6
HEX NUT 1/4-20 MTD-912-0287

...
7
Grille Support Rod MTD-749-0812


...
9
LOCK NUT 1/4 x 28 MTD-712-0380

...
10
GRILLE-10 STYLE MTD-931-1097G

...
11
Lock Wash. 5/16" I.D. MTD-936-0119

...
12
HEX NUT 5/16-18 MTD-712-3010

...
13
Miniature Lamp 12V Socket Type MTD-925-0963

...
14
HEADLIGHT SOCKET (1/4 TURN) New part MTD-925-1649A

...
15
Carriage Bolt 1/4-20 x .75" Lg. MTD-710-0703

...
16
Hex Wash. Hd. TT-Tap Scr. 1/4-20 x .5" Lg. MTD-710-0599

...
17
Fl-Wash. .281" I.D. x .73" O.D. MTD-736-0173

...
18
Bolt Retainer 1/4" I.D. MTD-726-0233

...
19
SPEED NUT 1/4-20 MTD-712-0185

...
20
Hex Bolt 5/16-18 x .75" Lg. MTD-710-0118

...
21
GAS TANK SUPPORT BRKT. MTD-17632

...
22
KIT-DASH New part MTD-731-1096A

...
xx
DASH PANEL New part MTD-731-1337A

...
23
Ignition Switch MTD-925-0267B


...
25
Choke Control 23" New part Used w/ Single Cylinder Engine only MTD-946-0616A

...
xx
Choke Control Used w/ Twin Cylinder Engine only MTD-746-0614A

...
xx
CONTROL-CHOKE VANGUARD MTD-746-0881

...
26
Light Switch Optional part MTD-925-0634

...
27
Ammeter Optional part MTD-925-0925

...
28
BRACKET-GR MTD-15821

...
29
BRACKET-GRILLE (RH) MTD-15822

...
30
Hex Wash. Hd. Tap Scr. 5/16 x .5" Lg. MTD-710-0607

...
32
Truss Mach. Scr. 1/4-20 x .5" Lg. MTD-710-0286

...
34
FENDER-RR W/FRAME Model 638 MTD-17870C

...
35
Fender w/ Cutout Model 638; New part MTD-17871

...
38
Hex Wash. Hd. AB-Tap Scr. 5/16 x .75" Lg. MTD-710-0726

...
39
SHIFT COVER MTD-17954B-0637

...
40
Shift Cover MTD-17286B-0637

...
41
Throttle Box Ass'y. MTD-831-0823A

...
42
Truss Mach. AB-Tap Scr. #10 x .5" Lg. MTD-710-0779A

...
43
Throttle Control Wire Used w/ Single Cylinder Engine only MTD-746-0501

...
xx
Throttle Wire Used w/ Twin Cylinder Engine only MTD-946-0634

...
44
LABEL-REFLECTIVE MTD-777X40318

...
45
Hex Wash. Hd. B-Tap Scr. 5/16-18 x .5" Lg. MTD-710-0603

...
46
CLIP-CHOKE RETAINER MTD-17782

...
47
Hex TT-Tap Scr. 1/4-20 x .75" Lg. MTD-710-0642

...
xx
Muffler (Single Cylinder Engines) MTD-NA

...
xx
MUFFLER ASSEMBLY Used on B&S Engine - 10, 11, 12 & 12.5 H.P. MTD-951-0302

...
xx
CONDUIT L-NUT (Related part for Muffler) MTD-712-0250

...
xx
MUFFLER Used on Tecumseh Engine - 12 H.P. MTD-951-0443A

...
xx
Gasket-Exhaust (Related part for Muffler) MTD-BS-692236

...
xx
SHOULDER SCREW (Related part for Muffler) MTD-938-0636
...
...
...
...
...
Processing