Welcome,
My Cart
0 item(s)

Models

Parts


product name

Coast to Coast 114-030A054 (1994) Push Walk-Behind Mower

Model: 114-030A054 (1994)

Save
Part Not Listed?Part Not Listed?

product name

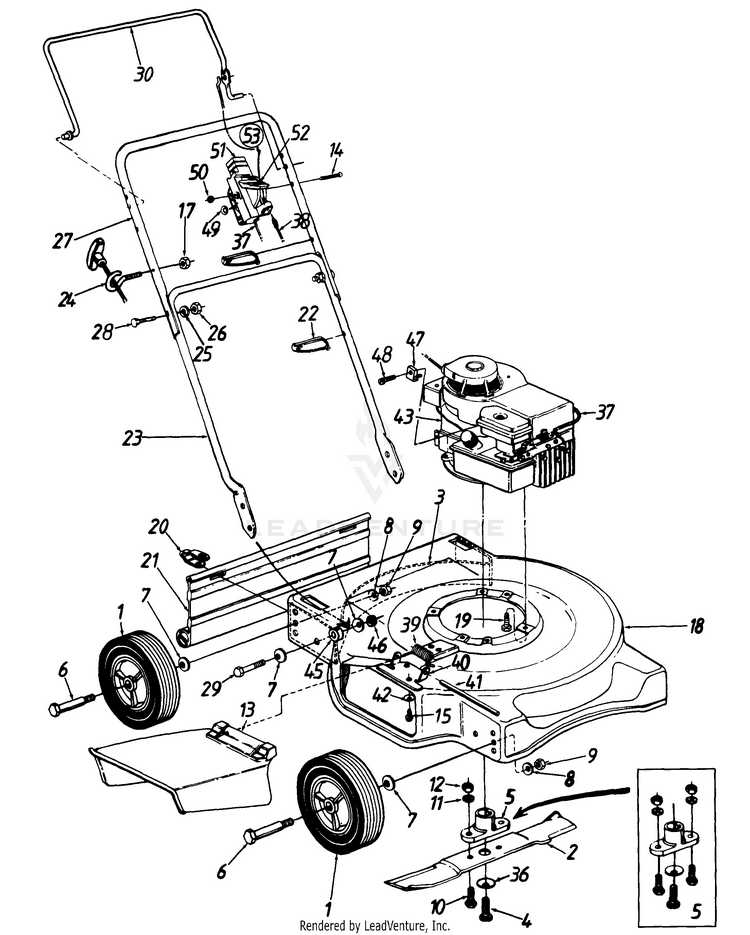
General Assembly

...
...
1
Wheel Ass'y. Complete MTD-NA

...
xx
WHEEL ASSEMBLY-RIB Uses Axle Bolt No. 738-0533 MTD-734-1168

...
xx
Wheel Ass'y. Uses Axle Bolt No. 738-0533 MTD-734-1779A

...
2
20" BLADE MTD-742-0620

...
3

...
4
Hex Bolt 3/8-24 x 1.5" Lg. MTD-710-1044

...
5
Blade Adapter Kit (Keyed) MTD-753-0484

...
6
SCREW:SHLDR:0.498X1.630:3/8-16 Used on Tread, Rib (6") MTD-738-0533

...
xx
SCREW:SHLDR:0.498X1.630:3/8-16 Used on Tread, Diamond (7") MTD-738-0533

...
7
Bell-Wash. .380" I.D. x .88" MTD-736-0105

...
8
Bell-Wash. .39" I.D. x 1.13" MTD-736-0331

...
9
Hex Nut 3/8-16 Thd. For faster service obtain standard nuts & washers locally. If these items cannot be obtained locally, order by parts number & size as shown on parts list. MTD-712-0798

...
10
Hex Bolt 3/8-24 x 1" Lg. MTD-710-1055

...
11
L-Wash. 3/8" I.D. For faster service obtain standard nuts & washers locally. If these items cannot be obtained locally, order by parts number & size as shown on parts list. MTD-736-0169

...
12
Hex Nut 3/8-24 Thd. MTD-712-0241

...
13
CHUTE DEFLECTOR MTD-931-1034B

...
14
Oval C-Sunk Scr. MTD-710-0605

...
15
Self-Tap Scr. 1/4-20 x .5" Lg. MTD-710-0599

...
?16
L-Wash. 1/4" I.D. For faster service obtain standard nuts & washers locally. If these items cannot be obtained locally, order by parts number & size as shown on parts list. MTD-936-0329

...
17
Hex L-Nut 1/4-20 Thd. MTD-712-0324

...
18
DECK ASSEMBLY-20IN COLOR MTD-782-0030

...
19
Hex Wash. Hd. Scr. 3/8-16 x 1" Lg. MTD-710-0654A

...
20
HINGE CLIP MTD-17098P

...
21
Rear Flap MTD-731-0872B

...
22
Cable Tie MTD-725-0157

...
23
Lower Handle MTD-749-0928A-0637

...
24
Rope Guide MTD-710-1205

...
25
Lock Wash. 5/16" I.D. For faster service obtain standard nuts & washers locally. If these items cannot be obtained locally, order by parts number & size as shown on parts list. MTD-936-0119

...
26
HEX NUT 5/16-18 For faster service obtain standard nuts & washers locally. If these items cannot be obtained locally, order by parts number & size as shown on parts list. MTD-712-3010

...
27
UPPER HANDLE MTD-749-0538C

...
28
BOLT-CARRIAGE-CURV 5/16-18 x 1.38 MTD-710-0671

...
29
Hex Cap Screw 3/8-24 x 1.5 MTD-710-0459A

...
30
Std. Control Handle MTD-747-0824B-0637

...
36
Bell-Wash..39" I.D. MTD-736-0452

...
37
Throttle Wire 55" Lg. Optional Parts MTD-946-0671A

...
xx
THROTTLE CABLE - 39" Optional Parts MTD-746-0844

...
38
Control Cable MTD-946-0553

...
xx
Control Cable - 49" MTD-946-0552

...
39
Torsion Spring MTD-932-0593

...
40
PLATE-ADAPTER MTD-17032A

...
41
Hinge Pin MTD-747-0710A

...
42
SPRING WASHER BELL MTD-736-0270

...
43
Engine MTD-NA

...
45

...
46
Hex L-Nut 3/8-24 Thd. MTD-912-0355

...
47
Cable Clamp (B&S) Optional Parts MTD-BS-690798

...
48
Hex Wash. Hd. Scr. #10-32 x .62" Lg. (B&S) Optional Parts MTD-710-1237

...
49
Curved Spring Wash. .66" I.D. Optional Parts MTD-936-0501

...
50
Hex L-Nut 1/4-20 Thd. MTD-712-0324

...
51
Throttle Body MTD-946-0875

...
52
Throttle Lever Optional Parts MTD-946-0876

...
53
Throttle Box Comp. (Incl. Ref. 14,49, 50, 51, 52) MTD-811-0185
...
...
...
...
...
Processing