Welcome,
My Cart
0 item(s)

Models

Parts


product name

Coast to Coast 113-410A054 (481-0313) (1993) Push Walk-Behind Mower

Model: 113-410A054 (481-0313) (1993)

Save
Part Not Listed?Part Not Listed?

product name

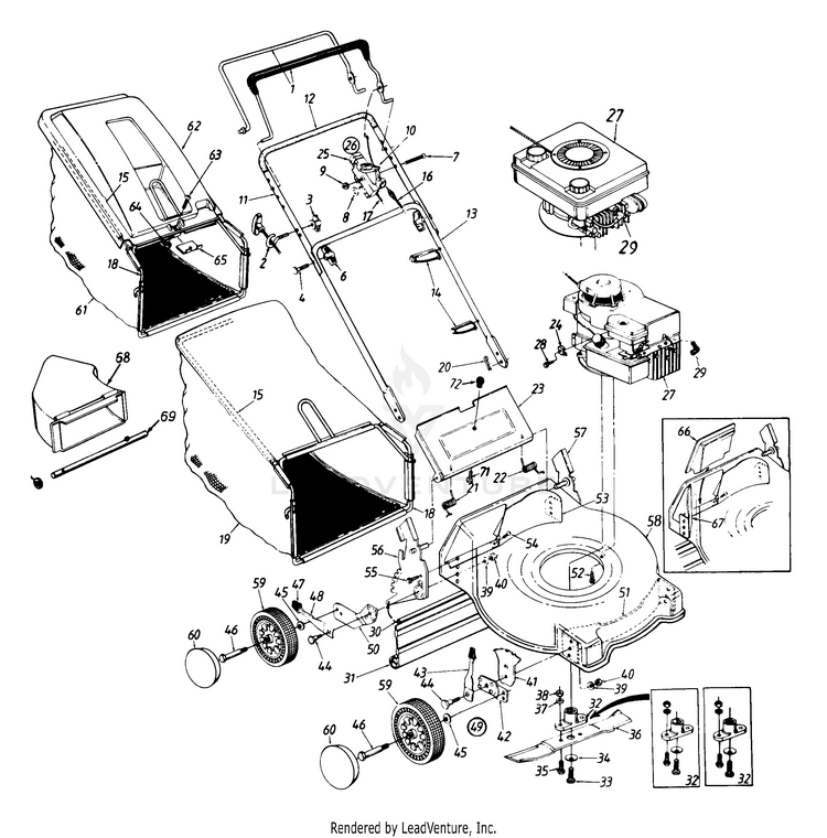
Handle And Wheel Assembly

...
...
1
Std. Control Handle (Std.) MTD-747-0824B-0637

...
xx
Std. Control Handle (Deluxe) MTD-747-0824B-0637

...
2
Rope Guide MTD-710-1205

...
3

...
4
Curved Hd. Bolt 5/16-18 x 2" Lg. MTD-710-1174

...
6
Hand Knob New Part MTD-920-0276

...
7
Oval C-Sunk Mach. Scr. MTD-710-0605

...
8
Curved Spring Wash. .66" I.D. MTD-936-0501

...
9
Hex L-Nut 1/4-20 Thd. MTD-712-0324

...
10
Throttle Lever MTD-946-0876

...
11
UPPER HANDLE MTD-749-0538C

...
12
Grip Foam (Optional) MTD-720-0295

...
13
Lower Handle New Part MTD-749-0928A-0637

...
14
Cable Tie MTD-725-0157

...
15
Rear Catcher Frame MTD-764-0310A-0637

...
16
Control Cable 39" Models (410, 412, 423, 425) MTD-946-0550

...
xx
Control Cable - 49" Models (413, 415, 423, 425) MTD-946-0552

...
xx
Control Cable Models (414, 416, 418, 424, 426, 428) MTD-946-0553

...
17
Throttle Wire 55" Lg. Models (410, 412, 420, 422) MTD-946-0671A

...
xx
Throttle Cable Models (413, 415, 423, 425) MTD-946-1115

...
xx
Throttle Wire 55" Lg. Models (414, 416, 418, 424, 426, 428) MTD-946-0671A

...
18
FRONT CATCHER FRAME (POWDER BLACK) MTD-764-0311-0637

...
19
GRASS CATCHER BAG MTD-964-0309

...
20
Int. Cotter Pin 5/16" Dia. MTD-714-0104

...
21
Door Spring - R.H. MTD-732-0678

...
22
SPRING-DOOR (LH) MTD-932-0677

...
23
REAR DISCHARGE DOOR MTD-782-7000

...
24
Cable Clamp (B&S) MTD-BS-690798

...
25
Throttle Body MTD-946-0875

...
26
Throttle Box Comp. (Incl. Ref. 7, 8, 9, 10, 25) MTD-811-0185

...
27
Engine MTD-NA

...
28
Hex Wash. Hd. Scr. #10-32 x .62" Lg. (B&S) MTD-710-1237

...
29
INSULATOR-SPARK PLUG (Optional) MTD-735-0639

...
30
TRAILSHIELD WIRE MTD-732P0700

...
31
Rear Trailing Shield MTD-731-04998

...
32
Blade Adapter Kit (Keyed) MTD-753-0484

...
xx
SPLINED BLADE ADAPTER KIT (Splined) MTD-753-0485

...
33
Hex Bolt 3/8-24 x 1.5" Lg. (Used w/Keyed Adapter) MTD-710-1044

...
xx
Hex Bolt 7/16-20 x 1.5" Lg. (Used w/Splined Adapter) MTD-710-0757

...
34
Bell-Wash 39" I.D. (Used w/Keyed Adapter) MTD-736-0452

...
xx
BELL WASHER (Used w/Splined Adapter) MTD-936-0453

...
35
Hex Bolt 3/8-24 x 1" Lg. MTD-710-1055

...
36
21" Blade New Part MTD-942-0621

...
xx
21" Mulching Blade New Part; (Optional) MTD-942-0721

...
37
L-Wash 3/8" I.D. For faster service obtain standard nuts, bolts and washers locally. If these items cannot be obtained locally, order by part number and size as shown on parts list. MTD-736-0169

...
38
Hex Nut 3/8-24 Thd. MTD-712-0241

...
39
BELL WASHER MTD-936-0356

...
40
Hex Nut 3/8-16 Thd. For faster service obtain standard nuts, bolts and washers locally. If these items cannot be obtained locally, order by part number and size as shown on parts list. MTD-712-0798

...
41
Height Adjustment Plate MTD-787-01290A

...
42
Pivot Bar MTD-15262B

...
43
Front Spring Lever MTD-94832

...
44
Shld Bolt 5" Dia. x .357" MTD-738-0507B

...
45
Bell-Wash 38" I.D. x 88" O.D. MTD-736-0105

...
46
Axle Bolt MTD-738-0102

...
47
HEIGHT ADJUSTMENT KNOB MTD-731-13116-1

...
48
SPRING LEVER MTD-732-0417A

...
49
Height Adj. Ass'y. Comp. (R.H.) MTD-753-06761

...
xx
Height Adj. Ass'y. Comp. (R.H.) (Not Shown) MTD-753-06761

...
50
BAR-PIVOT (RH) *ON MTD-14765

...
xx
BAR-PIVOT (LH) *ON MTD-14766

...
51
FRONT BAFFLE MTD-782P5002B

...
52
TT Screw, 3/8-16 x 1.00 MTD-710-0654A

...
53
LH Rear Baffle MTD-782-5003A

...
54
Torx Mach AB-Tap Scr 1/4 x .62" Lg. MTD-710-1017

...
55
SCREW 1/4-14 x .625 MTD-710-0892

...
56
HANDLE BRACKET ASSEMBLY (RH) (POWDER BLACK) New Part MTD-682-0516-0637

...
57
KIT-HANDLE BRACKET New Part MTD-753-05994

...
58
21" R D. DECK MTD-782-0310

...
59
Wheel Ass'y. Comp MTD-NA

...
xx
Front/Rear Wheel 8" x 2" "S" Wave MTD-734-1826

...
xx
Wheel w/o Bearings Bar Tread (Uses Hub Cap) MTD-634-0020

...
xx
Front/Rear Wheel 8" x 2" "S" Wave MTD-734-1826

...
xx
Wheels - Front Require Wave Washer 736-0504 MTD-753-08093

...
xx
Wheels with Ball Brgs. (Brg. Part No. 741-0484) (8"-Beige) Require Wave Washer 736-0504 MTD-734-1517B

...
60
Hub Cap MTD-NA

...
xx

...
xx
Hub Cap (Beige) MTD-731-0982C

...
xx

...
xx
HUB CAP-BLACK PLAS MTD-720-0251

...
xx
HUB CAP RED (1-3/8" DIA.) MTD-731-0342

...
61
GRASSBAG Models 420 thru 428 only. MTD-764-0433

...
62
HARDTOP COVER MTD-731-1322

...
63
Pan Hd. Mach. Scr. 1/4-20 x 5" Lg. Models 420 thru 428 only. MTD-710-0286

...
64
Hex Nylon L-Nut 1/4-20 Thd. Models 420 thru 428 only. MTD-712-0324

...
65
Mounting Bracket Models 420 thru 428 only. MTD-782-9011-0637

...
66
Mulching Baffle Plug (Optional) MTD-782-5007C

...
67
Mulching Baffle - R.R. (Optional) MTD-782-5004B

...
68
REAR CHUTE DEFLECTOR New Part MTD-731-1405A

...
69
Rod New Part MTD-711-0996

...
?70
Push Speed Nut MTD-726-0201

...
71
Truss Scr. #10-24 x .38" Lg. MTD-710-0192

...
?72
...
...
...
...
...
Processing