Welcome,
My Cart
0 item(s)

Models

Parts


product name

Central Park Mdl 111-428R046 Push Walk-Behind Mower

Model: Central Park Mdl 111-428R046

Save
Part Not Listed?Part Not Listed?

product name

Parts

...
...
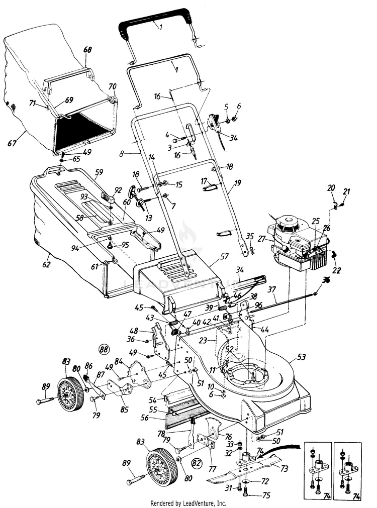
1
CONTROL HANDLE ASSEMBLY (Std.) MTD-747-0748

...
xx
HANDLE ASSEMBLY MTD-731-1135

...
3
BRACKET-CA MTD-17174

...
4
HEX SCREW 1/4-20 x 1.875 MTD-710-1216

...
5
Spring Wash. .265 I.D. x .562 O.D. MTD-936-0175

...
6
HEX NUT 1/4-20 MTD-912-0287

...
7
Hex L-Nut 1/4-20 Thd. MTD-712-0324

...
8
UPPER HANDLE MTD-749-0438D-0637

...
10
SPRING WASHER BELL MTD-736-0270

...
11
Hex Bolt 1/4-20 x .75" Lg. MTD-710-3015

...
xx
Throttle Control Ass'y. Comp.- 0 51 .6211 (420R, 422R) MTD-946-0802A

...
xx
THROTTLE CONTROL 58.8" (424R, 426R, 428R) MTD-946-0821A

...
xx
THROTTLE CONTROL 42.02" (421R, 423R, 425R, 429R) MTD-946-0832A

...
13
Rope Guide MTD-710-1205

...
14
Lock Wash. 5/16" I.D. MTD-936-0119

...
15
HEX NUT 5/16-18 MTD-712-3010

...
16
Control Cable 43.0" Lg. (420R, 422R) MTD-946-0551

...
xx
Control Cable 39" (424R, 426R, 428R) MTD-946-0550

...
xx
CONTROL CABLE 55" (421R, 423R, 425R) MTD-946-0555

...
17
Cable Tie MTD-725-0157

...
18
BOLT-CARRIAGE-CURV 5/16-18 x 1.38 MTD-710-0671

...
19
Lower Handle MTD-749-0907B

...
20
CASING CLAMP (420R, 422R) MTD-12894A

...
21
Hex B-Tap Scr. #10 x .38" (420R, 422R) MTD-910-0429

...
22
INSULATOR-SPARK PLUG (Optional) MTD-735-0639

...
23
BAFFLE-RR-PANEL MTD-17007

...
25
CLAMP-CONDUIT (420R, 422R) MTD-751-0369

...
26
Hex AB-Tap Scr. #8 x .5" Lg. (420R, 422R) MTD-710-0227

...
27
Engine MTD-NA

...
31
Hex Bolt 3/8-24 x 1" MTD-710-1055

...
32
L-Wash. 3/8" I.D. MTD-736-0169

...
33
Hex Nut 3/8-24 Thd. MTD-712-0241

...
34
EXTRUSION SEAL MTD-731-0858

...
35
Int. Cotter Pin 5/16" Dia. MTD-714-0104

...
36
PUSH NUT MTD-726-0106

...
37
HINGE PIN MTD-747-0698B

...
38
Spacer, .260 x .372 x 1.030 MTD-750-0566A

...
39
TORSION SPRING MTD-732-0577A

...
40
SHOULDER PIN 3/8-24X1.43 MTD-711-0805

...
41
L-Wash. 3/8" I.D.* MTD-736-0169

...
42
Hex Jam Nut 3/8-24 Thd. MTD-712-0711

...
43
TORSION SPRING (RH) MTD-732-0578A

...
44
BRACKET ASSEMBLY MTD-12297A

...
45
Torx Mach. AB-Tap Scr. 1/4 x .62" Lg. MTD-710-1017

...
46
DEFLECTOR PLUG MTD-731-0970B

...
47
PLUG-CORNER MTD-731-0931

...
48
BRACKET ASSEMBLY MTD-12296B-0637

...
49
SCREW 1/4-14 x .625 MTD-710-0892

...
50
BELL WASHER MTD-936-0356

...
51
Hex Nut 3/8-16 Thd. MTD-712-0798

...
52
Hex L-Wash. Hd. Scr. 3/8-16 x 1 " Lg . MTD-710-0654A

...
53
DECK ASSEMBLY MTD-16998

...
54
BAFFLE-CHU MTD-17014

...
55
RETAINING STRIP MTD-17003

...
56
Rear Flap 17.30" Lg. MTD-731-0669

...
57
CHUTE DEFLECTOR MTD-931-0859A

...
58
Hardtop Bag Cover (Models with Soft Top Grass Catcher) MTD-631-0003

...
59
Hardtop Bag Cover (Models with Soft Top Grass Catcher) MTD-631-0003

...
60
REAR CATCHER FRAME (Models with Soft Top Grass Catcher) MTD-749-0736A

...
61
Front Catcher Frame (Models with Soft Top Grass Catcher) MTD-764-0411-0637

...
62
Grass Bag (Models with Soft Top Grass Catcher) MTD-964-0252

...
65
Fl-Wash. .281" I.D. (Models with Soft Top Grass Catcher) MTD-736-0463

...
67
GRASSBAG (Models with Hard Top Grass Catcher) MTD-764-0246

...
68
BAG HANDLE BLACK (Models with Hard Top Grass Catcher) MTD-731-0801

...
69
Rear Grass Catcher Frame (Models with Hard Top Grass Catcher) MTD-749-0764A-0637

...
70
CATCHER FRAME (Models with Hard Top Grass Catcher) MTD-764-0412-0637

...
71
Hex AB-Tap Scr. #12 x 1.25" Lg. (Models with Hard Top Grass Catcher) MTD-710-1025

...
72
Bell-Wash. .39" I.D. (Used w/ Keyed Adapter) MTD-736-0452

...
xx
BELL WASHER (Used w/ Splined Adapter) MTD-936-0453

...
73
21" Blade MTD-942-0621

...
74
Blade Adapter Kit (Keyed) MTD-753-0484

...
xx
SPLINED BLADE ADAPTER KIT MTD-753-0485

...
75
Hex Bolt 3/8-24 x 1.5" Lg. (Used w/Keyed Adapter) MTD-710-1044

...
xx
Hex Bolt 7/16-20 x 1.5" Lg. (Used w/Splined Adapter) MTD-710-0757

...
76
Height Adjustment Plate MTD-787-01290A

...
77
Pivot Bar MTD-15262B

...
78
Front Spring Lever MTD-94832

...
79
Shld. Bolt .50" Dia. x .357" MTD-738-0507B

...
80
Bell-Wash. .38" I.D. x .88" O.D. MTD-736-0105

...
82
Height Adj. Ass'y. Comp. (R.H.) MTD-753-06761

...
xx
Height Adj. Ass'y. Comp. (R.H.) (Not Shown) MTD-753-06761

...
83
Wheel Ass'y. Comp. MTD-NA

...
xx
WHEEL ASSEMBLY W/TIRE MTD-734-1162A

...
xx
7" WHEEL ASS'Y. COMP. MTD-734-1161A

...
xx
Wheel, 8" MTD-734-04585

...
xx
WHEEL ASSEMBLY W/TIRE MTD-734-1170

...
xx
Wheel - LH MTD-734-1855

...
xx
WHEEL ASSEMBLY W/TIRE MTD-734-0645

...
xx
WHEEL ASSEMBLY W/TIRE MTD-734-0924

...
xx
ASS'Y. COMP. (WAFFLE TREAD) MTD-734-0812

...
xx
WHEEL ASSEMBLY MTD-734-1259

...
xx

...
xx
Wheels - Front MTD-753-08093

...
84
Index Plate MTD-14764C

...
85
BAR-PIVOT (RH) *ON MTD-14765

...
xx
BAR-PIVOT (LH) *ON (Not Shown) MTD-14766

...
86
HEIGHT ADJUSTMENT KNOB MTD-731-13116-1

...
87
SPRING LEVER MTD-732-0417A

...
88
ADJUSTER-H MTD-16106

...
xx
ADJUSTER-H (Not Shown) MTD-16107

...
89
Axle Bolt MTD-NA

...
xx
Axle Bolt (Waffle, Bar Tread) MTD-738-0102

...
xx
SHOULDER SCREW .498 MTD-738-0144

...
92
LOCKING KNOB (Models with Soft Top Grass Catcher) MTD-920-0224

...
93
Internal L-Wash. 1/4" I.D. (Models with Soft Top Grass Catcher) MTD-736-0498

...
94
Bowed Washer (Models with Soft Top Grass Catcher) MTD-936-0286

...
95
BOLT, SHOULDER, 1/4-20 x 2.65 LG (Models with Soft Top Grass Catcher) MTD-738-0137

...
...
...
...
...
...
Processing