Welcome,
My Cart
0 item(s)

Models

Parts


product name

Central Park 122-456R331 (0595039) (1992) Self-Propelled Mower

Model: 122-456R331 (0595039) (1992)

Save
Part Not Listed?Part Not Listed?

product name

Front Bearing Assembly

...
...
1
CLUTCH CONTROL CABLE New Part MTD-946-0906

...
2
Hex Wash. Hd. TT-Tap Scr. 1/4-20 x .5" Lg. MTD-710-0599

...
3
Hex Wash. Hd. Tap Scr. 1/4-20 x .38" Lg. MTD-710-0653

...
4
BELT COVER New Part MTD-782-7550

...
5
Roll Pin 3/16 x 1.25" MTD-915-0246

...
6
PULLEY New Part MTD-756-0963

...
7
V-BELT 3/8 x 39 MTD-954-0271

...
8
PULLEY New Part MTD-756-0964

...
9
SPRING PIN New Part MTD-715-0159

...
10
FRONT DRIVE AXLE New Part MTD-738-0953

...
11
SHROUD-AXLE New Part MTD-731-1361

...
12
Front Bearing Assembly New Part MTD-982-0015

...
13
Wave Wash. 1" I.D. x 1.5" MTD-736-0447

...
14
Height Adjuster Plate - RH New Part MTD-782-0512B-0637

...
xx
HEIGHT ADJUSTMENT PLATE (LH) New Part MTD-782-0511A-0637

...
15
Spring Lever - R.H. New Part MTD-732-0706

...
xx
Spring Lever - L.H. New Part MTD-732-0707

...
16
HEIGHT ADJUSTMENT KNOB MTD-731-13116-1

...
17
HEIGHT ADJ. PIVOT PLATE ASS'Y. MTD-682-0509

...
18
DD Washer 1.5" O.D. New Part MTD-736-0474

...
19
Snap Ring MTD-716-0102

...
20
UNKNOWN MTD-NA

...
21
SPUR GEAR-14T New Part MTD-748-0357

...
22
E-RING FOR .500 MTD-916-0104

...
23
Wheel Dust Cap New Part MTD-782-7551A

...
24
Front Wheel New Part MTD-734-04223A

...
25
Fl-Wash..531" I.D. x 1" O.D. MTD-736-3013

...
26
Hairpin Clip 5/16" Dia. MTD-714-0104

...
27

...
28
IDLER ASSEMBLY New Part MTD-956-0010

...
29
SHOULDER BOLT MTD-738-0873

...
30
IDLER PIVOT BRKT. New Part MTD-782-7524

...
31
Shld. Bolt .375" Dia. x .4" MTD-738-0826

...
32
Fl-Wash..39" I.D. x 1" O.D. MTD-736-0344

...
33
IDLER BRACKET ASSEMBLY New Part MTD-682-0014

...
34
Hex Sems Nut 1/4-20 Thd. MTD-712-0271

...
35
SHOULDER SCREW MTD-738-0572

...
36
SPRING WASHER BELL MTD-736-0270

...
37
LEVER-SPRING New Part MTD-732-0709

...
38
Hex Nut 1/4-28 Thd. MTD-712-0138

...
39
Spacer 385" I.D x 625" O.D MTD-750-0807

...
40
Fl-ldler Plastic 1.50" Dia. MTD-956-0558

...
41
Needle Brg..375" I.D. MTD-741-0556

...
42
Bell-Wash..39" I.D. x 1.13" O.D. MTD-736-0331

...
43
UNKNOWN MTD-NA

...
44
Hex Nut 3/8-16 Thd. For faster service obtain standard nuts, bolts and washers locally. If these items cannot be obtained locally, order by part number and size as shown on parts list. MTD-712-0798

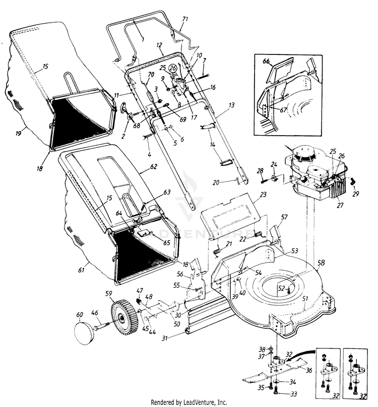
Handle And Engine Assembly

...
...
1
Std. Control Handle New Part MTD-747-0824B-0637

...
2
Rope Guide Bolt MTD-710-1205

...
3
Hex L-Nut 1/4-20 Thd. MTD-712-0324

...
4
BOLT-CARRIAGE-CURV 5/16-18 x 1.38 MTD-710-0671

...
5
Lock Wash. 5/16" I.D. For faster service obtain standard nuts, bolts and washers locally. If these items cannot be obtained locally, order by part number and size as shown on parts list. MTD-936-0119

...
6
HEX NUT 5/16-18 For faster service obtain standard nuts, bolts and washers locally. If these items cannot be obtained locally, order by part number and size as shown on parts list. MTD-712-3010

...
7
Oval C-Sunk Mach. Scr. New Part MTD-710-0605

...
8
Curved Spring Wash. .66" I.D. New Part MTD-936-0501

...
9
Hex L-Nut 1/4-20 Thd. MTD-712-0291

...
10
Throttle Lever New Part MTD-946-0876

...
11
UPPER HANDLE New Part MTD-749-0538C

...
12
Grip Foam (Optional) MTD-720-0295

...
13
Lower Handle MTD-749-0928A-0637

...
14
Cable Tie MTD-725-0157

...
15
Rear Catcher Frame MTD-764-0310A-0637

...
16
Control Cable 39" MTD-946-0550

...
xx
Control Cable MTD-946-0553

...
17
Throttle Wire 55" Lg. New Part; For models (440R, 442R, 450R, 452R) MTD-946-0671A

...
xx
Throttle Wire 55" Lg. New Part; (446R, 448R, 456R, 458R) MTD-946-0671A

...
18
FRONT CATCHER FRAME (POWDER BLACK) MTD-764-0311-0637

...
19
GRASS CATCHER BAG For models 440R thru 448R only. MTD-964-0309

...
20
Int. Cotter Pin 5/16" Dia. MTD-714-0104

...
21
Door Spring - R.H. MTD-732-0678

...
22
SPRING-DOOR (LH) MTD-932-0677

...
23
REAR DISCHARGE DOOR MTD-782-7000

...
24
Cable Clamp (B&S) MTD-BS-690798

...
25
Throttle Body New Part MTD-946-0875

...
26
Throttle Box Comp. New Part: (Incl. Ref. 7, 8, 9, 10, 25) MTD-811-0185

...
27
Engine MTD-NA

...
28
Hex Wash. Hd. Scr. #10-32 x .62" Lg. MTD-710-1237

...
29
INSULATOR-SPARK PLUG (Optional) MTD-735-0639

...
30
TRAILSHIELD WIRE New Part MTD-732P0700

...
31
Rear Trailing Shield MTD-731-04998

...
32
Blade Adapter Kit (Keyed) MTD-753-484

...
xx
SPLINED BLADE ADAPTER KIT (Splined) MTD-753-0485

...
33
Hex Bolt 3/8-24 x 1.5" Lg. (Used w/Keyed Adapter) MTD-710-1044

...
xx
Hex Bolt 7/16-20 x 1.5" Lg. (Used w/Splined Adapter) MTD-710-0757

...
34
Bell-Wash..39" I.D. (Used w/Keyed Adapter) MTD-736-0452

...
xx
BELL WASHER (Used w/Splined Adapter) MTD-936-0453

...
35
Hex Bolt 3/8-24 x 1" Lg. MTD-710-1055

...
36
21" Blade MTD-942-0621

...
xx
21" Mulching Blade (Optional) MTD-942-0721

...
37
L-Wash. 3/8" I.D. For faster service obtain standard nuts, bolts and washers locally. If these items cannot be obtained locally, order by part number and size as shown on parts list. MTD-736-0169

...
38
Hex Nut 3/8-24 Thd. MTD-712-0241

...
39
BELL WASHER MTD-936-0356

...
40
Hex Nut 3/8-16 Thd. For faster service obtain standard nuts, bolts and washers locally. If these items cannot be obtained locally, order by part number and size as shown on parts list. MTD-712-0798

...
44
SHOULDER SCREW MTD-738-0507B

...
45
Bell-Wash..38" I.D. x .88" O.D. MTD-736-0105

...
46
Axle Bolt MTD-738-0102

...
47
HEIGHT ADJUSTMENT KNOB MTD-731-13116-1

...
48
SPRING LEVER MTD-732-0417A

...
50
BAR-PIVOT (RH) *ON MTD-14765

...
xx
BAR-PIVOT (LH) *ON MTD-14766

...
51
FRONT BAFFLE MTD-782P5002B

...
52
Hex L-Wash. Hd. Scr. 3/8-16 x 1" Lg MTD-710-0654A

...
53
LH Rear Baffle MTD-782-5003A

...
54
Torx Mach. AB-Tap Scr. 1/4 x .62" Lg MTD-710-1017

...
55
SCREW 1/4-14 x .625 MTD-710-0892

...
56
HANDLE BRACKET ASSEMBLY (RH) (POWDER BLACK) MTD-682-0516-0637

...
57
KIT-HANDLE BRACKET MTD-753-05994

...
58
DECK ASSEMBLY-21IN COLOR New Part MTD-782-0020

...
59
Wheel Ass'y. Comp. New Part MTD-634-0020

...
60
HUB CAP (Optional) MTD-920-0249

...
61
GRASSBAG New Part For models 440R thru 448R only. MTD-764-0433

...
62
HARDTOP COVER New Part For models 440R thru 448R only. MTD-731-1322

...
63
Pan Hd. Mach. Scr. 1/4-20 x .5" Lg. For models 440R thru 448R only. MTD-710-0286

...
64
Hex Nylon L-Nut 1/4-20 Thd. For models 440R thru 448R only. MTD-712-0324

...
65
Mounting Bracket New Part For models 440R thru 448R only. MTD-782-9011-0637

...
66
Mulching Baffle Plug New Part; (Optional) MTD-782-5007C

...
67
Mulching Baffle - R.R. New Part; (Optional) MTD-782-5004B

...
68
CABLE BRACKET MOUNTING MTD-16309A

...
69
Hex Wash. AB-Tap Scr. 5/16" x 75" Lg MTD-710-0726

...
70
CLUTCH CONTROL CABLE New Part MTD-946-0906

...
71
DRIVE CONTROL LEVER New Part MTD-747-0854-0637
...
...
...
...
...
Processing