Welcome,
My Cart
0 item(s)

Models

Parts


product name

Cenex by MTD 125-366-095 (1985) Self-Propelled Mower

Model: 125-366-095 (1985)

Save
Part Not Listed?Part Not Listed?

product name

Parts07

...
...
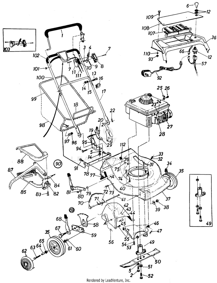
1
BAIL (LH) MTD-731-0609

...
2
Hex Bolt 5/16-24 x 1.00" Lg. (Grade 5) MTD-710-0888

...
3
CONROL DISC PIN MTD-731-0524

...
4
Throttle Control Lever MTD-931-0972

...
5
Lock Wash. 5/16" I.D. MTD-936-0119


...
7
Truss Mach. Hi-B Tap Scr. #12 x 1.50" Lg. MTD-710-0796

...
8
CONTROL PANEL HALF MTD-731-0523

...
9
Throttle Wire-58" Lg. MTD-946-0674A

...
10
CONTROL LABEL MTD-777-5166

...
11
CLUTCH PANEL HALF MTD-731-0526

...
12
KEY SWITCH MTD-925-0873

...
13
Carriage Bolt 5/16-18 x 2 MTD-710-1174

...
14
HEX NUT 5/16-18 MTD-712-3010

...
15
Lock Wash. 5/16" I.D. MTD-936-0119

...
16
CABLE TIE MTD-726-0192

...
17
Lower Handle MTD-749-0907B

...
18
CATCHER LOWER FRAME MTD-14582

...
19
Extension Spring .33 OD x 1.12 Lg. MTD-732-0357A

...
20
Shoulder Bolt MTD-938-0155

...
21
Handle Bracket Ass'y.- L. H MTD-14158

...
22
Hairpin Cotter5/16" Dia. MTD-714-0104

...
23
CASING CLAMP MTD-751-0333

...
24
Hex Sems Scr. #10-32 x .62" Lg. MTD-710-0895

...
25
CABLE CLAMP MTD-12894

...
26
Hex B-Tap Scr. #10 x .38" MTD-910-0429

...
27
INSULATOR-SPARK PLUG MTD-735-0639

...
28
4 H.P. Engine B&S 110787-317502 MTD-NA

...
29
Lock Wash. 5/16" I.D. MTD-936-0119

...
xx
HEX NUT 5/16-18 MTD-712-3010

...
31
Hex TT-Tap Scr. 1/4-20 x .75" Lg. MTD-710-0642

...
32
L-Wash. 1/4" I.D. MTD-936-0329

...
33
HEX NUT 1/4-20 MTD-912-0287

...
34
Height Adj. Ass'y. Comp. (R.H.) MTD-753-06761

...
35
WHEEL ASSEMBLY W/TIRE MTD-734-0643

...
36
PANEL-BATTERY MTD-731-0741

...
37
DECK ASSEMBLY-22IN MTD-16327

...
38
Hex Nut 3/8-16 Thd. MTD-712-0798

...
39
BELL WASHER MTD-936-0356

...
40
TT Screw, 3/8-16 x 1.00 MTD-710-0654A

...
41
HINGE PIN MTD-738-0386

...
42
HEX NUT 1/4-20 MTD-912-0287

...
43
L-Wash. 1/4" I.D. MTD-936-0329

...
44
BAFFLE-CHUTE-RR-RH MTD-14236

...
45
Shld. Bolt .500" Dia. x .685 MTD-738-0430

...
46
Rear Baffle-L.H. MTD-14014

...
47
CARRIAGE BOLT 1/4-20X.50" MTD-710-05177

...
48
Hex Nut 5/16-24 Thd. MTD-912-3057

...
49
Blade Adapter Kit MTD-753-0348

...
50
22" BLADE MTD-942-0125B

...
51
L-Wash. 3/8" I.D. Heavy Duty MTD-736-0217

...
52
Hex Bolt 3/8-24 x 2.25" Lg. (Grade 5) MTD-710-0331

...
53
HEX NUT 1/4-20 MTD-912-0287

...
54
L-Wash. 1/4" I.D. MTD-936-0329

...
55
CARRIAGE BOLT 1/4-20X.50" MTD-710-05177

...
56
Hex Sems Nut 1/4-20 Thd. MTD-712-0271

...
57
Wire Harness MTD-725-1096

...
58
Height Adjustment Plate MTD-787-01290A

...
59
Pivot Bar MTD-15262B

...
60
Bell-Wash. .40" I.D. x .88" O.D. MTD-736-0105

...
61
FORTIFLEX BEARING MTD-741-0267

...
62

...
63
Hex Bolt 3/8-16 x 1.75" Lg. MTD-710-0347

...
64
Spacer.375" I.D. x .505 O.D. MTD-750-0434

...
65
BALL BEARING MTD-941-0484

...
66
Battery Pack Lead MTD-725-1106

...
67
Shoulder Bolt .50" Dia. MTD-738-0507B

...
68
Front Spring Lever MTD-94832

...
69
Height Adj. Ass'y. Comp. (R.H.) MTD-753-06761

...
70
CHUTE DOOR MTD-13407

...
71
TORSION SPRING MTD-732-0346

...
72
HEX NUT 1/4-20 MTD-912-0287

...
73
L-Wash. 1/4" I.D. MTD-936-0329

...
74
Hex Bolt 1/4-20 x .88" Lg. MTD-710-0206

...
75
Fl-Wash. .285" I.D. x 1.25"O.D. MTD-736-0211

...
76
Hex Sems Nut 1/4-20 Thd. MTD-712-0271

...

...
78
ADAPTER-GR MTD-14012

...
79
Bell-Wash. .400" I.D. x 1.13" O.D. MTD-936-0219

...
80
Bell-Wash. .400" I.D. x .88" O.D. MTD-736-0105

...
81
Jam Nut, 3/8-16 MTD-912-3008

...
82
THROTTLE LEVER MTD-731-0692

...
83
Flat "C"-Sunk Hd. Tap Scr. #10 x .75" Lg. MTD-710-0841

...
84
CABLE-CLUTCH MTD-746-0463

...
85
Control Cover Half-Lower MTD-753-0833

...
87
Drive Control MTD-731-0620A

...
88
HALF COVER MTD-731-0617A

...
90
KIT-CLUTCH CONTROL MTD-753-0362

...
91
Carr. Bolt 1/4-20 x .75" Lg.* MTD-710-0703

...
92
Battery Charger MTD-925-0727

...
93
Hex Nut #8-32 Thd. MTD-712-0142

...
94
Hex Bolt 1/4-28 x .75" Lg.* MTD-710-0412

...
95
Handle Bracket Ass'y.-R.H. MTD-14752

...
96
Push Nut 3/8" Rod MTD-726-0100

...
97
ROLLER-PLASTIC MTD-731-0430

...
98
GRASSBAG MTD-764-0171

...
99
FRAME-CATCHER-UPR MTD-749-0278

...
100
Upper Handle MTD-749-0437

...
101
Cap Speed Nut MTD-726-0135

...
102

...
103
KIT-THROTTLE MTD-753-0361

...
107
BATTERY PACK MTD-725-1105

...
108
Battery Plate MTD-16360

...
109
HEX SCREW WASH HD 10-32X.38 MTD-710-0783

...
110
WASHER-EXTERN L #8 MTD-736-0168

...
111
CONTROL CABLE MTD-946-0477A

...
112

...
xx
Hardware Pack MTD-8366-000-5

Parts08

...
...
1
ASS'Y. COMP. (GEAR TREAD) MTD-734-1026

...
2
BALL BEARING MTD-941-0180

...
3
LEVER-SPRING MTD-732-0467

...
4
INDEX PLATE ASS'Y. L.H. MTD-16097

...
xx
Index Plate-R.H. (Not Shown) MTD-16098

...
5
BRACKET-PI MTD-16099

...
xx
BRACKET-PI (Not Shown) MTD-16100

...
6
SCREW 1/4-14 x .625 MTD-710-0892

...
9
Hex B-Tap Scr. 1/4 x .38" Lg. MTD-710-0352

...
11
Spring - Nylon MTD-10622B

...
12
HUB CAP MTD-10647

...
13
SCREW #12-14 x .500 MTD-710-0748

...
14
Hex ins. L-Nut 1/4-20 Thd. MTD-712-0324

...
15
BOLT, SHOULDER, 1/4-20 x 2.65 LG MTD-738-0137

...
16
PAWL - (LH) MTD-948-0188B

...
17
Belt Cover MTD-12309

...
18
BRACKET AS MTD-13415

...
19
Hex Wash. Hd. Self-Tap Scr. 1/4 -20 x .50" Lg. MTD-710-0599

...
20
HEX SCREW #10-16 x 0.500 MTD-710-0456

...
21
Hex TT-Tap Scr.1/4-20 x .75" Lg. MTD-710-0642

...
22
HEX NUT 1/4-20 MTD-912-0287

...
23
Cotter Pin 118" Dia. x 1.00" MTD-714-0115

...
24
Extension Spring .33 OD x 1.12 Lg. MTD-732-0357A

...
25
Fl-Wash. .531" I.D. x .930" O.D. MTD-736-0160

...
26
L-Wash. 1/4" I.D. MTD-936-0329

...
27
SHOULDER SCREW MTD-938-0255

...
28
CABLE-CLUTCH MTD-746-0463

...
29
FLAT IDLER PULLEY MTD-756-0360

...
30
SHAFT ASSEMBLY MTD-13414

...
31
PULLEY W/S MTD-756-0191

...
32
HEX NUT 5/16-18 MTD-712-3010

...
33
Jam Nut, 3/8-16 MTD-912-3008

...
34
#48 CHAIN 1/2 PITCH x 31 MTD-913-0144

...
xx
#48 MASTER LINK MTD-713-0122

...
35
Cotter Pin 31/32" Dia. x 1.00" Lg.* MTD-714-0111

...
36
Cotter Pin 1/8" Dia. x 1.00" Lg.* MTD-714-0115

...
37
Spring Pin Spir. 3/16" Dia. x 1.00" Lg. MTD-715-0120

...
38
SPIROL PIN MTD-715-0144

...
39
Bell-Wash. .400" I.D. x .88" O.D. MTD-736-0105

...
40
Lock Wash. 5/16" I.D. MTD-936-0119

...
41
Fl-Wash. .531" I.D. x .930" O.D. MTD-736-0160

...
42
Bell-Wash. .400" I.D. x 1.13" O.D. MTD-936-0219

...
43
Fl-Wash. .510" I.D. x 1.0" O.D MTD-736-0326

...
44
SHOULDER SCREW .437 DIA x .350 MTD-938-0141

...
45

...
46
SHAFT-PULLEY MTD-738-0471

...
47
Flange Brg. .506" I.D. Plastic MTD-741-0248

...
48
Flge Bearing .506 ID x .590 Lg MTD-741-0324A

...
49
RACHET-WHEEL MTD-748-0187

...
50

...
51

...
52
V-BELT 1/2 x 33 MTD-754-0252

Parts09

...
...
15
HEX SCREW #10-16 x 0.500 MTD-710-0456

...
16
L-Wash. 1/4" I.D. MTD-936-0329

...
17
HEX NUT BC 3/8-24 (Special) MTD-712-0340

...
18
HEX NUT 1/4-20 MTD-912-0287

...
19
Extension Spring .33 OD x 1.12 Lg. MTD-732-0357A

...
20
Hex Wash. S-Tap Scr. 1/4-20 x .50" Lg. MTD-710-0599

...
21
Flg. Brg. .506" I.D.-Plastic MTD-741-0248

...
22
#48 CHAIN-1/2 PITCH (Endless) MTD-913-0361

...
23
#48 CHAIN 1/2 PITCH x 31 (Endless) MTD-913-0144

...
24
SHAFT ASSEMBLY MTD-13414

...
25
INDEX PLATE ASS'Y. L.H. MTD-16097

...
xx
Index Plate Rear-R.H. (Not Shown) MTD-16098

...
26
Fl-Wash. .510" I.D. x 1.0" O.D. MTD-736-0326

...
27

...
28
BRACKET-PI MTD-16099

...
xx
BRACKET-PI (Not Shown) MTD-16100

...
29
Flge Bearing .506 ID x .590 Lg MTD-741-0324A

...
30
HEIGHT ADJUSTMENT KNOB MTD-731-13116-1

...
31
LEVER-SPRING MTD-732-0467

...
32
Fl-Wash. .531" I.D. x .930" O.D. MTD-736-0160

...
33
Hex B-Tap Scr. 1/4 x .38" MTD-710-0352

...
34
Jam Nut, 3/8-16 MTD-912-3008

...
35
Bell-Wash. .400" I.D. x .88" O.D. MTD-736-0105

...
36
BOLT, SHOULDER, 1/4-20 x 2.65 LG MTD-738-0137

...
37
Spring - Nylon MTD-10622B

...
38
PAWL - (LH) MTD-948-0188B

...
39
HUB CAP MTD-10647

...
40
Hex Ins. L-Nut 1/4-20 Thd. MTD-712-0324

...
41
SCREW #12-14 x .500 MTD-710-0748

...
42
Cotter Pin 118" Dia. x 1.00" Lg. MTD-714-0115

...
43
RACHET-WHEEL MTD-748-0187

...
44
BALL BEARING MTD-941-0180

...
45
ASS'Y. COMP. (GEAR TREAD) MTD-734-1026

...
46
SCREW 1/4-14 x .625 MTD-710-0892

...
47
Bell-Wash. .400" I.D. x 1.13" O.D. MTD-936-0219

...
48

...
49
Flg. Brg. .506" I.D. Plastic MTD-741-0248

...
50
SPROCKET ASSEMBLY-9T & MTD-713-0359

...
51
HUB-W/18T SPROCKET MTD-717-0825

...
52
FLAT IDLER PULLEY MTD-756-0360

...
53
Shld. Bolt .437" Dia. x .180 MTD-738-0140

...
54
Lock Wash. 5/16" I.D. MTD-936-0119

...
55
HEX NUT 5/16-18 MTD-712-3010

...
56
ENGINE PULLEY-1/2 V MTD-756-0462

...
57
SPIROL PIN MTD-715-0144

...
58

...
59
Fl-Wash. .531" I.D. x .930" O.D. MTD-736-0160

...
60
Cotter Pin 1/18" Dia. x 1.00" Lg.* MTD-714-0115

...
62
Hex Wash. Hd. Tap Scr. 5/16-18 x .75" Lg. MTD-710-0726

...
xx
Fl-Wash. .469" I.D. x .88" O.D. MTD-736-0226

...
64
HEX NUT BC 3/8-24 (Special) MTD-712-0340

...
65
Shimano 3-Sp. Shift Bell Crank MTD-717-0824

...
66
SHAFT-PULLEY MTD-738-0471

...
67
SHIFT CABLE MTD-717-0823

...
68
Fl-Wash. .531" I.D. x .930" O.D. MTD-736-0160

...
69
Cotter Pin 3132" Dia. x 1.00" Lg . MTD-714-0111

...
70
3-Sp. Hub Bracket MTD-16304

...
71
BRACKET AS MTD-13415

...
72
3-Sp. Belt Cover MTD-16305

...
73
SHOULDER SCREW MTD-938-0255

...
74
Hex TT-Tap Scr. 1/4-20 x .75" Lg. MTD-710-0642

...
75
CABLE-53" LONG MTD-746-0466

...
76
Spring Pin Spir. 3116" Dia. x 1.0" Lg. MTD-715-0120

...
77
Trim Strip MTD-731-0511

...
78
Snap Ring (Special) MTD-717-0832

...
79
1IN-SHIFTING C (Special) MTD-717-0830

...
80
SNAP RING (Special) MTD-717-0826

...
81
1/2" V-PULLEY 1.375" I.D. x 3.25" O.D. MTD-756-0463

...
82
Shimano 3-Sp. Dust Cover MTD-717-0831

Parts10

...
...
1
BAIL (LH) MTD-731-0609

...
2
Hex Bolt 5/16-24 x 1.00" Lg. (Grade 5) MTD-710-0888

...
3
CONROL DISC PIN MTD-731-0524

...
4
Throttle Control Lever MTD-931-0972

...
5
Lock Wash. 5/16" I.D. MTD-936-0119


...
7
Truss Mach. Hi-B Tap Scr. #12 x 1.50" Lg. MTD-710-0796

...
8
CONTROL PANEL HALF MTD-731-0523

...
9
Throttle Wire-58" Lg. MTD-946-0674A

...
10
CONTROL LABEL MTD-777-5166

...
11
CLUTCH PANEL HALF MTD-731-0526

...
12
KEY SWITCH MTD-925-0873

...
13
Carriage Bolt 5/16-18 x 2 MTD-710-1174

...
14
HEX NUT 5/16-18 MTD-712-3010

...
15
Lock Wash. 5/16" I.D. MTD-936-0119

...
16
CABLE TIE MTD-726-0192

...
17
Lower Handle MTD-749-0907B

...
18
CATCHER LOWER FRAME MTD-14582

...
19
Extension Spring .33 OD x 1.12 Lg. MTD-732-0357A

...
20
Shoulder Bolt MTD-938-0155

...
21
Handle Bracket Ass'y.-L.H. MTD-14158

...
22
Hairpin Cotter 5/16" Dia. MTD-714-0104

...
23
CASING CLAMP MTD-751-0333

...
24
Hex Sems Scr. #10-32 x .62" Lg. MTD-710-0895

...
25
CABLE CLAMP MTD-12894

...
26
Hex B-Tap Scr. #10 x .38" MTD-910-0429

...
27
INSULATOR-SPARK PLUG MTD-735-0639

...
28
4 H.P. Engine B&S MTD-110787-3175-02

...
29
Lock Wash. 5/16" I.D. MTD-936-0119

...
xx
HEX NUT 5/16-18 MTD-712-3010

...
31
Hex TT-Tap Scr. 1/4-20 x .75" Lg. MTD-710-0642

...
32
L-Wash. 1/4" I.D. MTD-936-0329

...
33
HEX NUT 1/4-20 MTD-912-0287

...
34
Height Adj. Ass'y. Comp. (R.H.) MTD-753-06761

...
35
WHEEL ASSEMBLY W/TIRE MTD-734-0643

...
36
PANEL-BATTERY MTD-731-0741

...
37
DECK ASSEMBLY-22IN MTD-16327

...
38
Hex Nut 3/8-16 Thd. MTD-712-0798

...
39
BELL WASHER MTD-936-0356

...
40
TT Screw, 3/8-16 x 1.00 MTD-710-0654A

...
41
HINGE PIN MTD-738-0386

...
42
HEX NUT 1/4-20 MTD-912-0287

...
43
L-Wash. 1/4" I.D. MTD-936-0329

...
44
BAFFLE-CHUTE-RR-RH MTD-14236

...
45
Shld. Bolt .500" Dia. x .685" MTD-738-0430

...
46
Rear Baffle-L.H. MTD-14014

...
47
CARRIAGE BOLT 1/4-20X.50" MTD-710-05177

...
48
Hex Nut 5/16-24 Thd. MTD-912-3057

...
49
Blade Adapter Kit MTD-753-0348

...
50
22" BLADE MTD-942-0125B

...
51
L-Wash. 3/8" I.D. Heavy Duty MTD-736-0217

...
52
Hex Bolt 3/8-24 x 2.25" Lg. (Grade 5) MTD-710-0331

...
53
HEX NUT 1/4-20 MTD-912-0287

...
54
L-Wash. 1/4" I.D. MTD-936-0329

...
55
CARRIAGE BOLT 1/4-20X.50" MTD-710-05177

...
56
Hex Sems Nut 1/4 -20 Thd. MTD-712-0271

...
57
Wire Harness MTD-725-1096

...
58
Height Adjustment Plate MTD-787-01290A

...
59
Pivot Bar MTD-15262B

...
60
Bell-Wash. .40" I.D. x .88" O.D. MTD-736-0105

...
61
FORTIFLEX BEARING MTD-741-0267

...
62

...
63
Hex Bolt 3/8-16 x 1.75" Lg. MTD-710-0347

...
64
Spacer.375" I.D. x .505" O.D. MTD-750-0434

...
65
BALL BEARING MTD-941-0484

...
66
Battery Pack Lead MTD-725-1106

...
67
Shoulder Bolt .50" Dia. MTD-738-0507B

...
68
Front Spring Lever MTD-94832

...
69
Height Adj. Ass'y. Comp. (R.H.) MTD-753-06761

...
70
CHUTE DOOR MTD-13407

...
71
TORSION SPRING MTD-732-0346

...
72
HEX NUT 1/4-20 MTD-912-0287

...
73
L-Wash. 1/4" I.D. MTD-936-0329

...
74
Hex Bolt 1/4-20 x .88" Lg. MTD-710-0206

...
75
Fl-Wash. .285" I.D. x 1.25" O.D. MTD-736-0211

...
76
Hex Sems Nut 1/4-20 Thd. MTD-712-0271

...

...
78
ADAPTER-GR MTD-14012

...
79
Bell-Wash. .400" I.D. x 1.13" O.D. MTD-936-0219

...
80
Bell-Wash. .400" I.D. x .88" O.D. MTD-736-0105

...
81
Jam Nut, 3/8-16 MTD-912-3008

...
82
CABLE MOUNTING CAP MTD-731-0763

...
83
Flat "C"-Sunk Hd. Tap Scr. #10 x .75" Lg. MTD-710-0841

...
84
CABLE-53" LONG MTD-746-0466

...
85
LOWER COVER MTD-731-0762

...
86
LEVER-3 SP SHIFT MTD-717-0822

...
87
Drive Control MTD-731-0620A

...
88
UPPER COVER MTD-731-0761

...
89
SHIFT CABLE MTD-717-0823

...
90
KIT-CLUTCH MTD-753-0417

...
91
Carr. Bolt 1/4-20 x .75" Lg. MTD-710-0703

...
92
Battery Charger MTD-925-0727

...
93
Hex Nut #8-32 Thd. MTD-712-0142

...
94
Hex Bolt 1/4-28 x .75" Lq. MTD-710-0412

...
95
Handle Bracket Ass'y.-R. H. MTD-14752

...
96
Push Nut 3/8" Rod MTD-726-0100

...
97
ROLLER-PLASTIC MTD-731-0430

...
98
GRASSBAG MTD-764-0171

...
99
FRAME-CATCHER-UPR MTD-749-0278

...
100
Upper Handle MTD-749-0437

...
101
Cap Speed Nut MTD-726-0135

...
102

...
103
KIT-THROTTLE MTD-753-0361

...
104

...
105
Shimano 3-Sp. Cable Spring Brkt. MTD-717-0829

...
106
Shimano 3-Sp. Cable Mounting Spring MTD-717-0828

...
107
BATTERY PACK MTD-725-1105

...
108
Battery Plate MTD-16360

...
109
HEX SCREW WASH HD 10-32X.38 MTD-710-0783

...
110
WASHER-EXTERN L #8 MTD-736-0168

...
111
CONTROL CABLE MTD-946-0477A

...
112

...
xx
Hardware Pack MTD-8366-000-5
...
...
...
...
...
Processing