Welcome,
My Cart
0 item(s)

Models

Parts


product name

Caldor 450-122 (1987) Snow Thrower

Model: 450-122 (1987)

Save
Part Not Listed?Part Not Listed?

product name

Snow Throwers

...
...
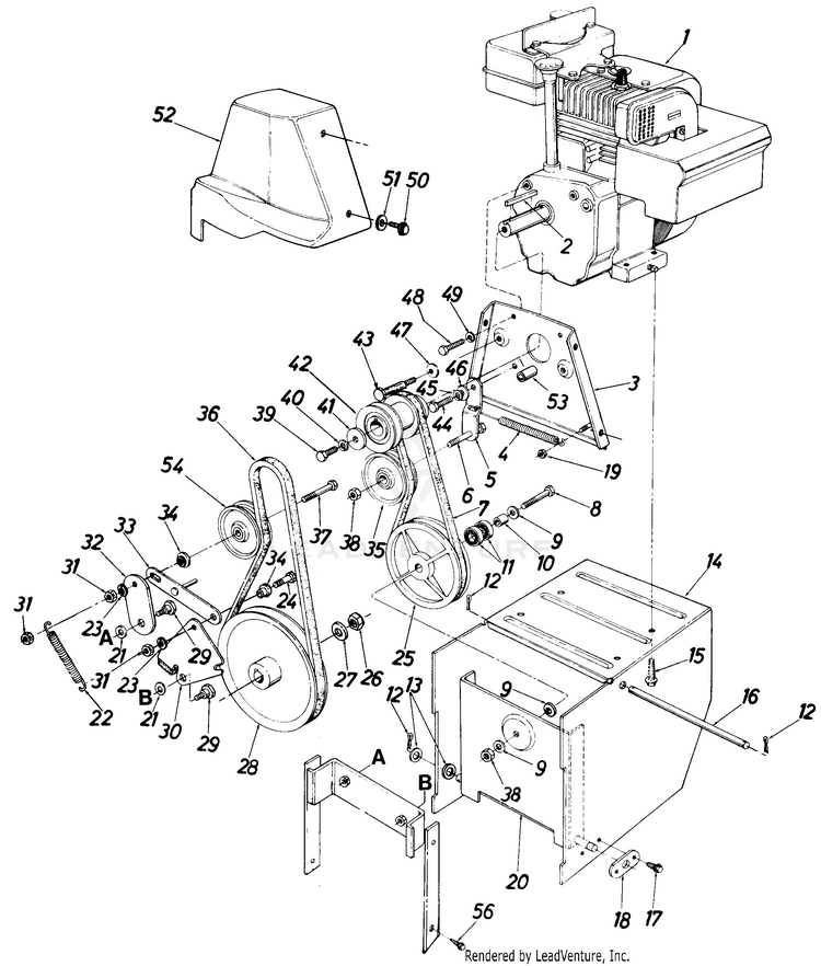
1
Engine MTD-NA

...
2
Sq. Key 3/16" x 1.50" Lg. (440, 450, 550 & 552) MTD-714-0133

...
xx
Sq. Key 1/4" x 1/4" x 2.00" (586 & 588) MTD-914-0114

...
3
Engine Plate Ass'y. MTD-05872

...
4
Extension Spring 3.97" Lg. MTD-932-0429A

...
5
BRACKET-IDLR- MTD-05896

...
6
Hex Bolt 3/8-24 x 1.25" Lg . MTD-710-0191

...
7

...
8
Hex Cap Screw 3/8-24 x 1.5 MTD-710-0459A

...
9
Bell-Wash. .40" I.D. x .88" O.D. x .06 MTD-736-0105

...
10
Spacer .38" I.D. x .62" O.D. x.75" Lg. MTD-711-0396

...
11
Bearing .62" I.D. x 1.38" O.D. x .437" Thk. MTD-941-0155

...
12
Cotter Pin 3/32" Dia. x .75" Lg.* MTD-714-0507

...
13
FLAT WASHER .510 x .995 MTD-736-0272

...
14
Frame Ass'y. MTD-05874

...
15
Hx Wash Hd. Scr. 3/8-16 x 1.25" MTD-710-0502A

...
16
Shaft .50" Dia. x 9.50" Lg. MTD-738-0497

...
17
Hex Wash. Hd. Self-Tap Scr. 1/4-20 x .50' Lg. MTD-710-0599

...
18
BRACKET-AX MTD-05897

...
19
Hex L-Nut 1/4-20 Thd MTD-912-0107

...
20
Drive Pulley Support Brkt. Ass'y. MTD-05878

...
21
Bell-Wash. .400" I.D. x 1.13" O.D. MTD-936-0219

...
22
EXTENSION SPRING .5 O.D. X MTD-732-0550

...
23
L-Wash. 3/8" I.D. MTD-736-0169

...
24
Hex Scr. 3/8-16 x 1.25" Lg. MTD-710-0723

...
25
PULLEY-DRI (Incl. Ref. #11) MTD-05921

...
26
Hex Jam Cent. L-Nut 5/8-18 Thd. MTD-712-0923

...
27
Fl-Wash. .64" I.D. x .94" O.D. x .06 MTD-736-0116

...
28
1/2" V-Pulley .625" I.D. x 7.50" O.D. (440, 450, 550 & MTD-756-0344

...
xx
PULLEY (586 & 588) MTD-756-0418

...
29
Shld. Bolt .625" Dia. x .170" Lg. (3/8-16) MTD-738-0281

...
30
BRACKET-BRAKE (440, 450, 550 & 552) MTD-784-5061

...
xx
BRAKE BRACKET ASSEMBLY (586 & 588) MTD-784-5048

...
31
Jam Nut, 3/8-16 MTD-912-3008

...
32
BRACKET-ID MTD-05895

...
33
Brake Linkage Ass'y. MTD-05870

...
34
Shld. Spacer .625" I.D. MTD-938-0347

...
35
FLAT IDLER PULLEY-2 1/4 OD X MTD-756-0137

...
36
V-Belt (440, 450, 550 & 552) MTD-954-0257

...
xx
V-Belt (586 & 588) MTD-954-0282

...
37
HEX SCREW MTD-710-0756

...
38
Hex Ins. Jam L-Nut 3/8-24 Thd. MTD-712-0116

...
39
Hex Cap Screw 3/8-24 x 1.5 MTD-710-0459A

...
40
L-Wash. 3/8" I.D. MTD-736-0169

...
41
Fl-Wash. .40" I.D. x 1.25" O.D. (440, 450, 550 & 552) MTD-736-0247

...
xx
FLAT WASHER .395ID 1 (586 & 588) MTD-07386

...
42
PULLEY (440, 450, 550 & 552) MTD-756-0421

...
xx
Double Groove Engine Pulley (586 & 588) MTD-756-0241B

...
43
Shld. Scr. .498" x 3.0" Lg. (440, 450, 550 & 552) MTD-738-0215A

...
xx
STUD (586 & 588) MTD-711-0769

...
44
Hex Bolt 5/16-24 x 1" Lg. MTD-710-0888

...
45
Lock Wash. 5/16" I.D. MTD-936-0119

...
46
Shld. Spacer.320" I.D. MTD-748-0234

...
47
Bell-Wash. .40" I.D. x .88" x .06 MTD-736-0105

...
48
Hex Bolt 5/16-24 x .62" Lg. MTD-710-0237

...
49
Lock Wash. 5/16" I.D. MTD-936-0119

...
50
Hex Wash. Hd. Self-Tap Scr. 1/4-20 x .50" Lg. MTD-710-0599

...
51
Fl-Wash. .28" I.D. x .75" O.D. x .06 MTD-736-0173

...
52
BELT COVER MTD-731-0642

...
53
Spacer (440, 450, 550 & 552) MTD-750-0456

...
54
FLAT IDLER PULLEY W/FLANGES MTD-756-0225

...
56
Hex Wash. Hd. Self-Tap Scr. 3/8-16 x .75" Lg. MTD-710-0623

...
xx
Key (Not Shown) MTD-TC-35062

Snow Throwers

...
...
1
Chute, Upper, 6.0 MTD-731-0846C

...
2
Carriage Bolt 5/16-18 x 1.0" MTD-710-0276

...
3
Truss Mach. Scr. 1/4-20 x.75" Lg. MTD-710-0924


...
5
Cotter Pin MTD-714-0507

...
6
Carriage Bolt 5/16-18 x .75" MTD-710-0451

...
7
BUSHING .380 ID MTD-941-0475

...
8
Fl-Wash. .385 I.D. x .62" O.D. MTD-736-0264

...
9
CHUTE CRANK ASS'Y. MTD-05980

...
10
Bearing .62" I.D. x 1.38" O.D. x .437" Thk. MTD-941-0155

...
11

...
12
BRACKET-CHUTE CRAN MTD-784-5123-0637

...
13
1/2" "V"-Pulley .625" I.D. x 7.50" O.D. MTD-756-0344

...
14
#61 Hi-Pro Key 3/16 x 5/8 0 Dia. MTD-914-0388

...
15
BOLT-AXLE MTD-738-0154

...
16
Bell-Wash. .40" I.D. x .88" O.D. x .06 MTD-736-0105

...
17
Bell-Wash. .34" I.D. x .88" O.D. MTD-736-0242

...
19
20" BLOWER HOUSING ASS'Y. (440 & 450) MTD-784-5124

...
xx
24" Blower Housing Ass'y. (550 & 552) MTD-784-5125

...
xx
26" Blower Housing Ass'y. (586 & 588) MTD-784-5243

...
20
CARRIAGE BOLT 3/8-16 X .75 MTD-710-0389

...
21

...
22
Bell-Wash. 3/8" I.D. MTD-736-0105

...
23
Jam Nut, 3/8-16 MTD-912-3008

...
24
SHAVE PLATE (440 & 450) MTD-784-5057

...
xx
SHAVE PLATE (550 & 552) MTD-05847

...
xx
SHAVE PLATE (586 & 588) MTD-784-5244-0637

...
25
Spring Pin Spiral 1/4" Dia. x 1.50" Lg. MTD-715-0114

...
26
FAN ASSEMBLY-BLOW MTD-05865

...
27
#9 Hi-Pro Key 3/16 x 314" Dia. MTD-714-0126

...
28
Flange Brg. .75" I.D. x .88" O.D. x .62 MTD-741-032

...
29
Hex Ins. L-Nut 5/16-18 MTD-712-0429

...
30
Axle-spira (440 & 450) MTD-738-5065

...
xx
Spiral Axle (550 & 552) MTD-738-0488A

...
xx
AXLE-SPIRAL 586 (586 & 588) MTD-738-0711

...
31
Fl-Wash. .75" I.D. x 1.50" O.D. x .06 MTD-736-0188

...
32
Plastic Bearing w/Flats MTD-941-0300

...
33
Bearing Hsg.-Spiral Hsg. MTD-05845C-0637

...
34
SCREW 5/16-24 x .500 MTD-710-0600

...
35
Shear Bolt 5/16-18 x 1.5" Lg. MTD-710-0890A

...
36
20" Spiral Ass'y.-L.H. (440 & 450) MTD-784-5053

...
xx
20" Spiral Ass'y.-R.H. (440 & 450) (Not Shown) MTD-784-5054

...
xx
24" & 26" Spiral Ass'y.-L.H. (550 thru 588) MTD-05923

...
xx
24" & 26" Spiral Ass'y.-R.H. (550 thru 588) (Not Shown) MTD-05924

...
37
O-Ring-3/4" I.D. MTD-921-0176

...
38
Bevel Gear Housing-Lower Half MTD-717-0456

...
39
Plastic Flange Brg. .755" I.D. MTD-741-0293

...
40
BEVEL GEAR MTD-717-0457

...
41
Hex Cent. L-Nut 5/16-24 Thd. MTD-712-0237

...
42
Fl-Wash. .34" I.D. x .62" O.D. x .06 MTD-736-0264

...
43
Pinion Gear MTD-948-0237

...
44
Fl-Wash. .75" I.D. x 1.25" O.D. x .06 MTD-736-0287

...
45
Flange Brg. .755" I.D. MTD-748-0171

...
46
SLEEVE BEARING .752 ID MTD-748-0106

...
47
AXLE-BLOWER MTD-738-0649

...
48
Bevel Gear Housing- Upper Half MTD-717-0455

...
49
Screw, Hex MTD-710-0788

...
50
HEX NUT 5/16-18 MTD-712-3010

...
52
Carriage Bolt 5/16-18 x.62 MTD-710-0260A

...
53
Carriage Bolt 5/16-18 x.62 MTD-710-0260A

...
54
Lock Wash. 5/16" I.D. (Optional Part) MTD-936-0119

...
55
HEX NUT 5/16-18 (Optional Part) MTD-712-3010

...
56
Drift Cutter (Optional Part) MTD-790-00181-0637

...
57
Star Knob MTD-720-04072A

...
60
Fl-Wash. 1/4" I.D. MTD-736-0142

...
61
Hex L-Nut 1/4-20 Thd MTD-912-0107

...
62
Chute Flange Keeper MTD-731-0851A

...
63
Fl-Wash. .64" I.D. x .94 O.D. x .06 MTD-736-0116

...
64
Hex Jam Nut 5/8-18 Thd., MTD-712-0923

...
65
Fl-Wash. .344 I.D. x 1.125 O.D. MTD-736-0231

...
66
SPACER (586 & 588) MTD-750-0190

...
xx
Gear Box Complete (440 & 450) MTD-717-0701

...
xx
Gear Box Complete (550 & 552) MTD-717-0454

...
xx
GEAR BOX ASS'Y. COMP. (586 & 588) MTD-717-0836

Snow Throwers

...
...
1
GRIP ASSEMBLY- MTD-05988


...
3
Shoulder Bolt .374 Dia. x 1.53" Lg. MTD-938-0560

...
4
HANDLE PANEL ASSEMBLY MTD-705-5072

...
5
BEARING-FL MTD-741-0402

...
9
Clutch Grip Ass'y.-L.H. MTD-05987

...
10
SHOULDER NUT MTD-938-0561

...
11
Bell-Wash 34" I.D. x .88" O D MTD-736-0242

...
12
HEX NUT 5/16-18 MTD-712-3010

...
13
Push Nut 3/8" Rod MTD-726-0100

...
14
Chute Crank Knob MTD-720-0201A

...
15
Rolled Pin, 1/8 x .63 MTD-915-0138

...
16
CHUTE CRANK ASS'Y. MTD-05980

...
17
BOLT-EYE MTD-747-0416

...
18
HANDLE-UPPER-LH MTD-749-0593

...
21
Hex Ins. Jam L-Nut 3/8-24 Thd . MTD-712-0116

...
22
Compression Spring .50" O.D. x .88" Lg. MTD-732-0193

...
23
ROD-SHIFT MTD-747-0356

...
24
5HIFTING LINKAGE BRACKET MTD-05898

...
25
CLUTCH ROD MTD-747-0452

...
26
ADJUSTMENT FERRULE 1/4-20 x 1.00 MTD-711-0736

...
27
Hex Ins. L-Nut 1/4-20 Thd. MTD-712-0324

...
28
Hex Bolt 3/8-16 x 2" Lg. (Gr. 5) MTD-710-3144

...
29
Frame Cover MTD-05899

...
30
Hex Wash. Self-Tap Scr. 1/4-20 x .50" Lg. MTD-710-0599

...
31
Extension Spring .38" O.D. x 3.25" Lg. MTD-932-0320

...
32
Jam Nut, 3/8-16 MTD-912-3008

...
33
IL-Wash. 3/8" I.D. MTD-736-0169

...
34
BRACKET-AUG CLUTCH MTD-784-5050

...
35
Shld. Bolt .625" Dia. x .170 MTD-738-0281

...
36
Extension Spring .73" O.D. x 4.31 0 Lg. MTD-932-0121

...
37
Drive Pulley Support Brkt. Ass'y. MTD-05878

...
38
Cotter Pin 3/32" Dia. x .75" Lg. MTD-714-0507

...
39
BRACKET-DR MTD-05501

...
40
ROD-VAR SP MTD-10080

...
41
Jam Nut, 3/8-16 MTD-912-3008

...
42
L-Wash. 3/8" I.D. MTD-736-0169

...
43
Fl-Wash. .34" I.D. x .75" O.D. MTD-736-0264

...
44
Shld. Bolt .625" Dia. x .170 MTD-738-0281

...

...
46
Carriage Bolt 5/16-18 x 2.0" Lg. MTD-710-0487

...
47
HANDLE-SHI MTD-05694

...
48
Int. Cotter Pin 5/16" Dia. MTD-714-0104

...
49
HANDLE-FOLDING-RH MTD-749-0594

...
50
BUSHING .380 ID MTD-941-0475

...
51
Fl-Wash. .28" I.D. x .62" O.D. MTD-736-0264

...
52
Extension Spring .75" O.D. x 5.00" Lg. MTD-732-0184

...
53
LOCKOUT ROD MTD-747-0154

...
54
LOWER HANDLE (RH) MTD-749-0344

...
55
LOWER HANDLE (LH) MTD-749-0343

...
56
ADJUSTMENT FERRULE MTD-711-0628

...
57
Bell-Wash. .40" I.D. x .88" O.D. MTD-736-0105

...
58
Hex Wash. Self-Tap Scr. 3/8-16 x .75" Lg. MTD-710-0623

...
60
Bell-Wash. .40" I.D. x .88" O.D. MTD-736-0105

Snow Throwers

...
...
1
Frame Ass'y. MTD-05874

...
2
Spacer .50" I.D. x .75" O.D. x.78" Lg. MTD-750-0499

...
4
KEY-HI-PRO #4-3/32X5/8 DIA MTD-914-0129

...
5
Friction Wheel Ass'y. MTD-05080AP

...
6
HEX SHAFT MTD-738-0496

...
7
PLATE ASSEMBLY MTD-05883

...
8
Snap Ring 1.00" Dia. Shaft MTD-716-0102

...
9
Fl-Wash. 1.00" x 1.63" O.D. x .03 MTD-736-0163

...
10
BRACKET AS MTD-05880

...
12
#41 CHAIN 1/2" PITCH x 35 0 LINKS MTD-713-0285

...
13
#41 MASTER LINK 1/2 PITCH TYPEII MTD-913-0723

...
14
32 Teeth Sprocket Ass'y. MTD-713-0281

...
15
FLANGE BEARING MTD-941-0225

...
16
FLAT WASHER MTD-736-0290

...
17
Hex Lock Bolt 5/16-18 x .62" Lg. MTD-710-0538

...
18
Cotter Pin 3/32" Dia. x .75 Lg.* MTD-714-0507

...
20
Flange Brg. w/Flats .75" I.D. MTD-941-0490

...
21
Fl-Wash. .34" I.D. x 1.12" O.D. x .125 MTD-736-0231

...
22
Hex Bolt 5/16-24 x 1.50" Lg. (440 & 450) MTD-710-0624

...
23
Wheel Ass'y. (440 & 450) MTD-NA

...
xx
Wheel Ass'y. Comp. 10.5 x 3.5 (440 & 450) MTD-734-1236

...
24
NUT (440 & 450) MTD-912-0273

...
25
Jam Nut, 3/8-16 MTD-912-3008

...
26
L-Wash. 3/8" I.D. MTD-736-0169

...
27
5HIFTING LINKAGE BRACKET MTD-05898

...
29
Shld. Bolt .625" Dia. x .170" Lg. MTD-738-0281

...
30
ADJUSTMENT FERRULE MTD-711-0628

...
31
ROD-SHIFT MTD-747-0356

...
32
Fl-Wash. .34" I.D. x .64" O.D x .06 MTD-736-0264

...
33
Cotter Pin 3/32" Dia. x .75" Lg. MTD-714-0507

...
34
RETAINING RING MTD-716-0397

...
35
SPROCKET-7T MTD-713-0280

...
36
Shaft .50" Dia. x 9.50" Lg. MTD-738-0497

...
37
28 Teeth Wheel Axle Ass'y. (440 & 450) MTD-713-0283

...
xx
AXLE ASSEMBLY-WHEEL (550) MTD-713-0323

...
xx
AXLE-WHEEL (586) MTD-738-0713

...
38
SCREW 5/16-24 x .500 MTD-710-0600

...
39
#41 CHAIN (440 & 450) MTD-713-0270

...
xx
CHAIN (550 & 586) MTD-713-0287

...
40
#41 MASTER LINK 1/2 PITCH TYPEII (440 & 450) MTD-913-0723

...
xx
#420 MASTER LINK 1/2 PITCH TYPE II (550 & 586) MTD-913-0154

...
41
CENTER SPROCKET #41-8T MTD-748-0204

...
42
Lock Wash. 5/16" I.D. MTD-936-0119

...
43

...
44
FLANGE BEARING .630 ID MTD-748-0184

...
45
Fl-Wash. .76" I.D. x 1.49 O.D. (440, 450 & 550) MTD-736-0188

...
xx
Fl-Washer (586 only) MTD-736-0316

...
46
Wheel Assembly (550 & 586) MTD-NA

...
xx
Wheel Ass'y. Comp. 13 x 5.0 (550) MTD-734-1253

...
xx
Wheel Ass"'y. Comp. 15 x 6.0 (586) MTD-734-1416

...
47
TUBELESS VALVE MTD-934-0255

...
48
Click Pin (550 & 586) MTD-714-0143A

...
49
Snap Ring .75 Dia. (550 & 586) MTD-716-0101

...
50
Hex Ins. L-Nut 1/2-20 Thd. MTD-712-0200A

...
51
Fl-Wash. 1/2" I.D. x .93" O.D. MTD-736-0179

...
52
Bell-Wash. .50 I.D. x 1.0 O.D. x .075 MTD-736-0253

...
53
Sleeve Bearing .752" I.D. (550 & 586) MTD-941-0401

...
54
HUB ASSEMBLY-SPROCKET- TH (586) MTD-713-0384

...
55
SCREW 1/4-28 x 1.50 GR5 (586) MTD-710-0698

...
56
Hex L-Nut 1/4-28 Thd. (586) MTD-712-0896

...
57
SPACER (586) MTD-750-0506

...
58
Fl-Washer (586) MTD-736-0287

...
59
Fl-Washer (550 & 586) MTD-736-0287
...
...
...
...
...
Processing