Welcome,
My Cart
0 item(s)

Models

Parts


product name

Brute 13AL795T057 (2010) Lawn Tractor

Model: 13AL795T057 (2010)

Back To Assemblies

Save
Part Not Listed?Part Not Listed?

product name

Front End Steering

...
...
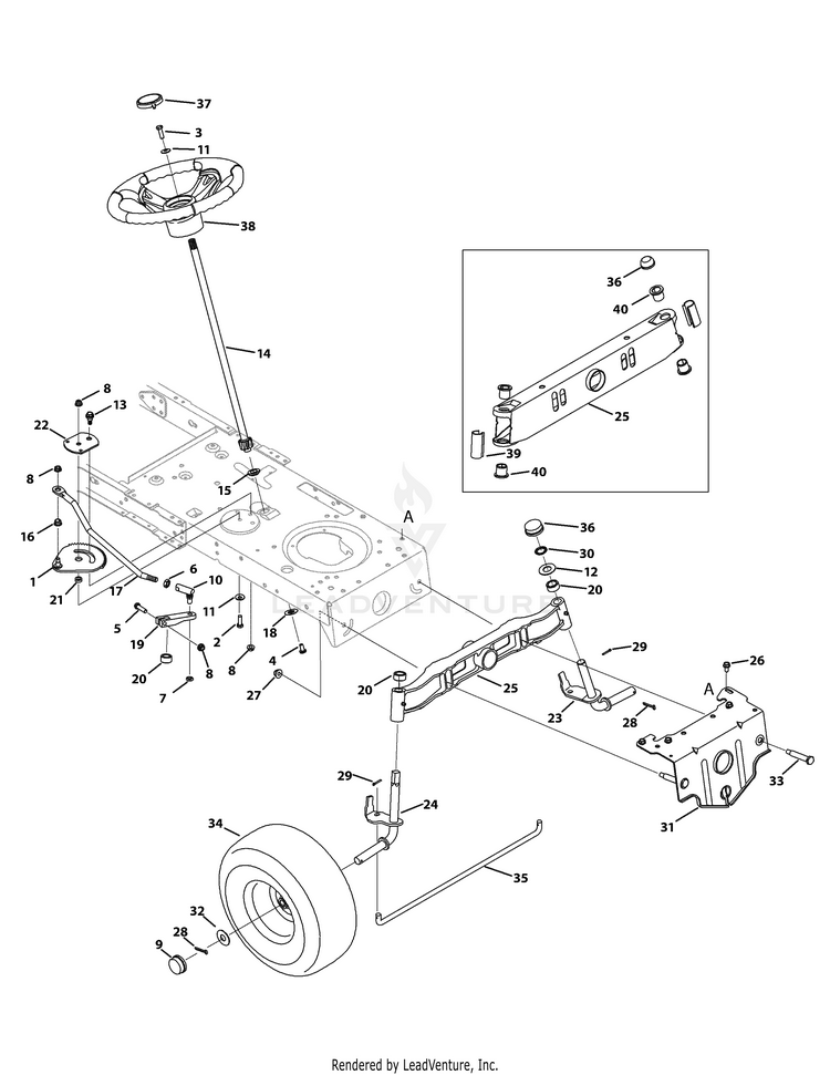
1
Front Steering Gear Assembly MTD-617-04024A

...
2
Screw, 5/16-18, 1.00, Gr5 MTD-710-0376

...
3
Screw, 5/16-18, 1.00, Gr5, Lock MTD-710-0643

...
4
Screw, Mach, 5/16-18, 0.750 MTD-710-1309

...
5
Screw, 5/16-18, 1.75, Gr5 MTD-710-3180

...
6
Nut, Jam, 7/16-20, Gr2 MTD-912-0240

...
7
Nut, Hex Lock, 3/8-24 MTD-912-0214

...
8
Nut, Flange Lock, 5/16-18, Grf MTD-712-04063

...
9

...
10
Ball Joint, 7/16-20, Lock MTD-923-0448A

...
11
Washer, Bell, .340 x .872 x .060 MTD-736-0242

...
12
Flat Washer MTD-736-0316

...
13
Shoulder Screw, .435 x .3485, 5/16-18 MTD-738-04141

...
14
Steering Shaft MTD-738-0919B

...
15
Bearing, Flange, Hex 5/8 MTD-741-04124

...
16
Flange Bearing .375 ID x .5 OD MTD-941-04454

...
17
Drag Link, Steering MTD-747-05385A

...
18
Cap, 1.25 x .16 MTD-948-0389

...
19
Steering, Block MTD-748-04278

...
20
Spacer, .710 ID x .125 OD x .56 MTD-748-04068

...
21
Spacer, .322 ID x .625 OD x .21 MTD-750-04418

...
22
STABILIZER PLATE MTD-783P08577A

...
23
AXLE ASSEMBLY (LH) (38" & 42" Deck) MTD-938-04007A-0637

...
23
FRONT AXLE ASSEMBLY(LH) (46" Deck) MTD-938-04014A-0637

...
24
FRONT AXLE ASSEMBLY (RH) (38" & 42" Deck) MTD-638-04008P

...
24
AXLE ASSEMBLY, (RH) (46" Deck) MTD-938-04013

...
25
CAST PIVOT BAR AXLE If Equipped MTD-919-04177E

...
25

...
26
SCREW 5/16-18 x .750 MTD-710-04484

...
27
Nut, Flange Lock, 3/8-16, GrF MTD-712-04065

...
28
COTTER PIN-5/32 DIA MTD-714-0162

...
29
Pin, Cotter, 1/8 x 0.75 MTD-914-0474

...
30
Push Nut 3/4 Dia. MTD-726-04035

...
31
PIVOT BAR BRACKET (POWDER BLACK) MTD-783-05326D-0637

...
32
FLAT WASHER .781 ID x1.590 OD MTD-736-04228B

...
33
Scr., Shlder, .500 x 2.380, 3/8-16 MTD-738-04128

...
34
Wheel Assembly, 42" Sq. Tred MTD-634-05067-0911

...
34
WHEEL ASSEMBLY (15 x 6 x 6) MTD-634-05067-0941

...
34
Wheel Assembly, 42" Sq. Tred MTD-634-05067-0911

...
35

...
36
HUB CAP If Equipped MTD-731-04693

...
36
Push Cap MTD-726-0341

...
37
Cap, Steering Wheel (Sprig Logo) MTD-731-04040

...
37
Cap, Steering Wheel (No Sprig) MTD-731-04039

...
38
Steering Wheel, Standard Grip MTD-631-04028

...
39
Standard Axle Cap If Equipped MTD-731-04057A

...
40
Bearing., Flange. If Equipped MTD-741-0660A
...
...
...
...
...
Processing