Welcome,
My Cart
0 item(s)

Models

Parts


product name

Brute 13AL795T057 (2010) Lawn Tractor

Model: 13AL795T057 (2010)

Back To Assemblies

Save
Part Not Listed?Part Not Listed?
product name

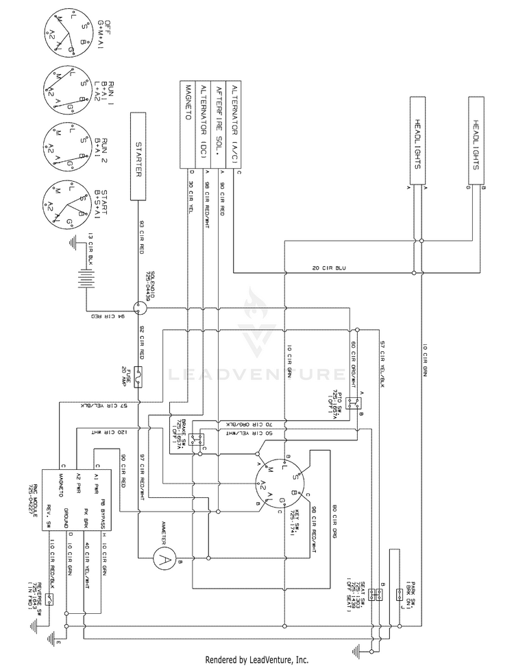
Wiring Harness Schematic 725-04432D

...

No Parts Available for this Schematic

...
...
...
...
...
Processing