Welcome,
My Cart
0 item(s)

Models

Parts


product name

Brute 13AL795T057 (2010) Lawn Tractor

Model: 13AL795T057 (2010)

Back To Assemblies

Save
Part Not Listed?Part Not Listed?

product name

Engine Accessories B&S

...
...
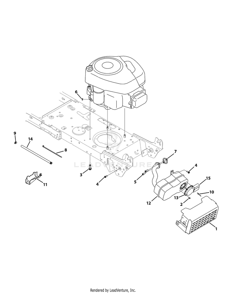
1
MUFFLER SHIELD (POWDER BLACK) MTD-683-05460A-0637

...
2
Screw, 8-18 x .500 MTD-710-0227

...
3
SCREW 3/8-16 X 1 MTD-710-04683C

...
4
Screw, 1/4-20 x .750 MTD-710-0642

...
5
Socket Screw, 5/16-18 x .750 MTD-710-1314A

...
6
Sems Nut, 1/4-20 MTD-712-0271

...
7
Exhaust Gasket, 10 HP Briggs MTD-BS-692236

...
8
Cable Tie MTD-725-0157

...
9
Clamp Hose, .490 diameter MTD-726-0205

...
10
Rivet, .188 x .300 MTD-728-04000

...
11
Oil Drain Sleeve MTD-731-05628

...
12
MUFFLER (B&S SINGLE W/DEFLECTOR) MTD-951-05956B

...
13
Muffler Deflector MTD-751-0564B

...
14
Fuel Hose, Low Permeation MTD-751-10349

...
15
EXHAUST DELECTOR (LONG) MTD-751-11053B
...
...
...
...
...
Processing