Models
Parts
Model: 13AL795T057 (2010)
.Quick Reference Brute
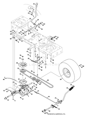
Drive Assembly
Engine Accessories B&S
Frame, PTO & Lift
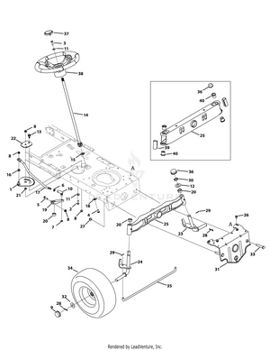
Front End Steering
Hood, Grille & Dash
Label Map Brute
Mower Deck 46-Inch
Seat & Fender
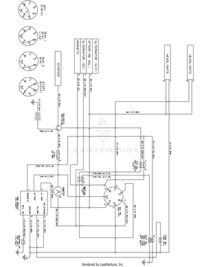
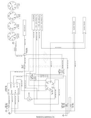
Wiring Harness Schematic 725-04432D
Wiring Harness Schematic 725-04479D
19A30003OEM Twin Rear Bagger (2010) 19A30003000 (2010)
19A30005OEM 46 Inch Deck Mulch Kit (2010) 19A30005100 (2010) 19A30005OEM (2010)
OEM-190-032 Snow Thrower (2010)
OEM-190-833 46" Snow Blade (2010)
Model: 1AHF08390
In Stock
Replaced By :
Please call us at 866-243-2721 or talk with us by sending us more information. We want to verify availability before placing your order.
For Customer Service inquiries please E-mail info@partswarehouse.com, Call 866.243.2721 or Text 972.383.9129
Mon - Sat 7AM - 7PM CT
Mon - Sat 6AM-2AM CT
Track your order
Reviews
FAQs
Price Match Guarantee
Sign in for faster checkout.