Welcome,
My Cart
0 item(s)

Models

Parts


product name

Brute 12A-A06M078 (2013) Self-Propelled Walk-Behind Mower

Model: 12A-A06M078 (2013)

Save
Part Not Listed?Part Not Listed?

product name

.Quick Reference

...
...
xx
Spark Plug MTD-BS-591868

...
xx
Pre Filter MTD-BS-493537S

...
xx
AIR FILTER MTD-BS-491588S

...
xx

...
xx
Control Cable MTD-946-1113A

...
xx
SINGLE SPEED FORWARD CABLE MTD-946-04728A


...
xx
Blade Adapter MTD-687-02538

...

...
xx
Xtreme Blade (optional) MTD-942-0741-X

...
xx
BLADE BELL SUPPORT MTD-736-0524B-1

...
xx
Blade Bolt MTD-710-1044

...
xx
Wheels - Front MTD-634-05040

...
xx
Wheels - Rear MTD-634-04659

...
xx
Trailshield MTD-731-07203

...
xx
Discharge Chute MTD-731-07486

...
xx
21" MULCH PLUG (HINGED) MTD-687-06029

...
xx
Blade Removal Tool (Optional Accessory) MTD-490-850-0005

...
xx
SPARK PLUG WRENCH 3/4, 5/8, 13/16 (Optional Accessory) MTD-490-850-0018

...
xx
SIPHON PUMP (Optional Accessory) MTD-490-850-0008

...
xx
Side Discharge Blower (Optional Accessory) MTD-490-850-0016

...
xx
UTILITY CARGO CARR (Optional Accessory) MTD-490-850-0015

...
xx
FLOOR MAT (Optional Accessory) MTD-735-04255

...
xx
MOWER KICK STAND (Optional Accessory) MTD-490-850-0012

...
xx
Mower Cover (Optional Accessory) MTD-490-290-0012

...
xx
COATING-GRAPHITE MOWER (Optional Accessory) MTD-490-900-0062

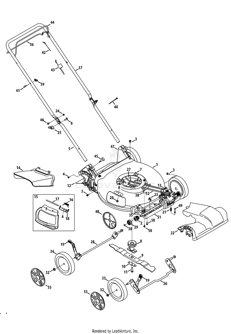
General Assembly

...
...
1
21" DECK (3N1) (BLACK JACK) MTD-787-01871B-0691

...
2
Bearing Assembly MTD-941-00019

...
3
Screw, 5/16-14 x .750 MTD-710-04995A

...
4
Nut, Sq., 1/4-20 MTD-712-04222

...
5
LOWER HANDLE (POWDER BLACK) MTD-749-07298-0637

...
6
Carriage Screw ,5/16-18 MTD-710-04998

...
7
SCREW 3/8-16 X 1 MTD-710-04683C

...
8
Blade Adapter, 25mm x 2.66 MTD-687-02538

...
9
Mulching Blade MTD-942-0741A

...
10
BLADE BELL SUPPORT MTD-736-0524B-1

...
11
Screw, 3/8-24 x 1.50 MTD-710-1044

...
12
Trailing Shield MTD-731-07203

...
13
TRANSMISSION WIRE MTD-732-04675B

...
14
Side Discharge Chute MTD-731-07486

...
15
21" MULCH PLUG (HINGED) MTD-687-06029

...
16
Torsion Spring MTD-732-1014C

...
17
Hinge Pin MTD-747-0710A

...
18
Chute Deflector Bracket MTD-787-01779

...
19
Adjustment Lever Knob MTD-720-04130

...
20
Screw, 1/4-20 x .500 MTD-710-05073

...
21
Compression Spring MTD-732-04704

...
22
FRONT COVER MTD-731-07797A

...
23
Front Axle Clip MTD-787-01793

...
24
Nut, Flange Lock, 1/4-20 MTD-712-04064

...
25
Wing Knob, Black MTD-720-04122

...
26
Front Axle Assembly MTD-911-04150

...
27
ENGINE BAFFLE ASSEMBLY MTD-931-04535C

...
28
8" REAR AXLE ASSEMBLY MTD-611-04142A

...
29
Spur Gear, 14T - RH MTD-917-04801

...
29
Spur Gear, 14T - LH MTD-917-04802

...
30
Screw, 1/4-20 x .390 MTD-710-04531

...
32
Flange Lock Nut, 3/8-16 MTD-712-04217

...
33
Front Wheel, 8 x 2.0, Zag. Black MTD-634-05040

...
34
Rear Wheel, 8 x 2.0, Zag, Black MTD-634-04659

...
35
Dowel Pin MTD-715-04099

...
36
Drive Control MTD-747-05210A

...
37
UPPER HANDLE (POWDER BLACK) MTD-749-05084B-0637

...
38
Screw, 1/4-15 x .750 MTD-710-0895

...

...
40
Cable Tie MTD-725-0157

...
41
Rope Guide MTD-710-1205

...
42
Control Cable MTD-946-1113A

...
43
SINGLE SPEED FORWARD CABLE MTD-946-04728A

...
44
Blade Control MTD-747-05184D

...
45
WING KNOB 1/4-20 MTD-720-05066A

...
46
Sldr. Screw, .375 x .126 x 1/4-20 MTD-738-04419A

...
47
REAR BAFFLE ASSEMBLY MTD-631-08164

...
48
Wheel Dust Cover MTD-731-07240A

...
49
Spring Body MTD-731-07355

...
50
Scr., Shldr., 1/4-20 x .50 MTD-738-04278

...
51
LOWER TRAY MTD-731-07789A

...
52

...
53
Hubcap, 8" MTD-731-09507

...
xx
TRANSMISSION KIT (SP FWD 53CM WALK) (not shown) MTD-753-09444

Label Map 12A-A06M078

...
...
777I23312
LABEL-MOWER REAR HGT ADJUST MTD-777I23312

...
777S33353
LABEL IN-MOLD LABEL MTD-NA

...
777I20793
LABEL-HANDLE MTD-777I20793

...
777D18656
LABEL-MOWER TRANS COVER BRUTE MTD-777D18656

...
777S33602
LABEL IN-MOLD LABEL MTD-NA
...
...
...
...
...
Processing