Welcome,
My Cart
0 item(s)

Models

Parts


product name

Bolens OEM-190-833 46" Snow Blade (2010) Attachment

Model: OEM-190-833 46"" Snow Blade (2010)

Save
Part Not Listed?Part Not Listed?

product name

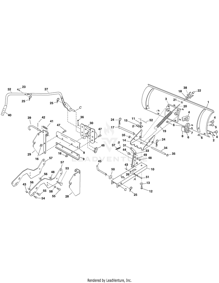
General Assembly

...
...
1
Blade- 46" MTD-AF-63821

...
2
WEAR PLATE - 46" MTD-AF-24524

...
3
Reinforcement Plate Assembly MTD-AF-62980

...
4
BOLT:CAR:5/16-18:.75 MTD-710-0451

...
5
Bolt, Carriage 5/16-18 x 1 MTD-NA

...
6
Hex Cent. L.-Nut 5/16-18 Thd. MTD-912-0158

...
7
Fl-Wash. .344" I.D. MTD-736-0159

...
8
Skid Shoe MTD-AF-24690

...
9
Bracket, Angle Support MTD-AF-24520

...
10
Push Channel MTD-AF-24347

...
11
Hex Lock Nut, 1/2-13 Thread MTD-912-0384

...
12
PIVOT SPECIAL BOLT MTD-AF-23131

...
13
Washer, Flat 1/2" MTD-NA

...
14
Plate, Pivot 7 Ga MTD-AF-23958

...
15
SPRING MOUNTING BRACKET MTD-AF-23130

...
16
Flanged Lock Nut, 3/8-16 Thread MTD-AF-47572

...
17
Shaft, Pivot MTD-AF-23122

...
18
Washer, 3/8" STD MTD-AF-43070

...
19
BLADE ADJUST SPRING MTD-AF-48090

...
20
Hex Bolt, 3/8-16 x 3 -1/2" MTD-AF-44071

...
21
Hex Nut 3/8-16 Thd. MTD-712-0798

...
22
Plastic Cap MTD-AF-44074

...
23
Pin, Clevis 1/4" x 1-1/2" MTD-AF-41-42

...
24
Pin Hair Cotter #4 (1/8") MTD-AF-43343

...
25
Pin, Hair Cotter #3 (3/32") MTD-AF-47134

...
26
Spacer, .28 ID x 1" MTD-AF-46053

...
27
Lift Handle Assembly, Lower MTD-AF-63283

...
28
Hitch Bracket, RH MTD-AF-24518

...
29
Hitch Bracket, LH MTD-AF-24519

...
30
Pivot Support Bracket MTD-AF-24023-0637

...
31
Angle Lock Bar (Long) MTD-AF-23129

...
32
Lift Handle Upper MTD-AF-46553

...
33
Angle Lock Bar (Short) MTD-AF-23151

...
34
SPRING MOUNT ROD MTD-AF-23856

...
35
Push Cap 3/8" Rod MTD-726-0100

...
36
Cotter Pin 1/8" Dia. MTD-714-0470

...
37
Angle Lock Spring MTD-AF-43348

...

...
39
Pin, Attachment MTD-AF-47553

...
40
Rubber Grip MTD-720-0204

...
41
COMPRESSION SPRING MTD-932-3127

...
42
Pin, Spring 3/16" x 1 MTD-AF-43659

...
43
Hex L-Nut 1/4-20 Thd. MTD-712-0291

...
44
Carriage Bolt, 3/8-16 x 1" MTD-NA

...
45
Channel Pivot Pin MTD-AF-46065

...
46
LIFT LINK ASSEMBLY MTD-AF-69740

...
47
Hex Bolt 3/8-16 x 1" Lg. MTD-710-0514

...
48
Hex Cent. L-Nut 3/8-16 Thd. Alt # 712-0431 MTD-712-0375

...
49
L-Wash. 3/8" I.D. MTD-736-0169


...
51
BOLT, HEX 1/4-20 x 3-1/4" LG. (GR. 5) MTD-AF-46071

...
52
1/4" x 1" Spring Pin MTD-715-0108

...
53
SHOULDER SCREW .498 DIA x .340 MTD-738-0143

...
54
Hex Bolt 1/4-20 x 1" MTD-NA

...
55
Hex Bolt 5/16-18 x 1" MTD-NA

...
56
Hex Nut, 5/16-18 Nylock MTD-NA

...
57
Frame Bracket MTD-AF-24932

...
58
Lock Washer 5/16" MTD-NA
...
...
...
...
...
Processing