Welcome,
My Cart
0 item(s)

Models

Parts


product name

Bolens BL150 41AD150G763 41AD150G763 BL150 Gas String Trimmer

Model: BL150 41AD150G763 41AD150G763 BL150

Save
Part Not Listed?Part Not Listed?

product name

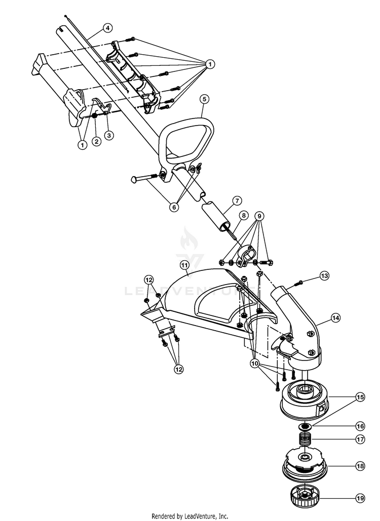
Boom & Trimmer Parts

...
...
1
THROTTLE &TRIGGER HOUSING ASSEMBLY (includes 2 & 3) MTD-753-04279

...
2
Throttle Trigger Spring MTD-791-610314

...
3
Throttle Trigger MTD-791-181807

...
4
Throttle Cable MTD-791-182068

...
5
D-HANDLE AND HARDWARE (includes 6) MTD-791-153064

...
6
D-Handle Hardware MTD-791-181587

...
7
ASSEMBLY:DRSHF:HOUSING:STEERING MTD-791-181569

...
8
Flexible Drive Shaft MTD-753-04251

...
9
CLAMP ASSEMBLY-LOWER MTD-791-153597

...
10
ASSEMBLY, GUARD MOUNTING SCREWS MTD-791-180547

...
11
ASSEMBLY, GUARD AND BLADE (includes 12) MTD-791-180548

...
12
Blade Assembly MTD-791-180553

...
13
Anti-Rotation Screw MTD-791-145569

...
14
ASSEMBLY, GEARBOX (includes 15 & 16) MTD-791-180549

...
15
Outer Spool and Eyelet Assembly MTD-791-153619

...
16
Retainer (10 pack) MTD-791-610660

...

...
18
Inner Reel MTD-753-1155

...
19
Bump Head Knob Assembly MTD-791-153066B

...
xx
Reel & Line Assembly Optional Accessory; Not Shown MTD-791-153577B

Engine Parts

...
...
1
Air Cleaner Cover Assembly (includes 2 & 38) (includes 2 & 49) MTD-753-04511

...
2
Air Cleaner Filter MTD-791-180350B

...
3
ASSEMBLY, CARBURETOR MO MTD-791-180351

...
4
SPRING WASHER .317 X .625 X .020 MTD-936-0271

...
5
CHOKE LEVER ASSEMBLY:W/ (includes 6) MTD-753-04418

...
6
ASSEMBLY, CHOKE KNOB & MTD-791-182202

...
7
PLATE ASSEMBLY:CHOKE:WV (includes 3-6) MTD-753-04419

...
8
CARBURETOR ASSEMBLY (includes 9 & 20) MTD-753-04106

...
9
CARBURETOR GASKET MTD-791P610675

...
10
SCREW, 10-24X.75 T-2 MTD-791-181860

...
11
Primer and Hose Assembly MTD-791-683974B

...
12
CARBURETOR MOUNT ASSEMBLY (includes 13 & 14) MTD-753-1196

...
13
REED VALVE ASSEMBLY MTD-791-684451

...
14
Carburetor Mount Gasket MTD-753-1208

...
15
CRANKCASE ASSEMBLY:NON-CL: (includes 10 & 23) MTD-753-04272

...
16
PAD, REAR MOUNT PAD MTD-791-612134

...
17
TANK ASSEMBLY:F (includes 18-20) MTD-753-04285

...
18
Fuel Cap Assembly MTD-791-182612

...
19
Fuel Return Line MTD-791-181086

...
20
Fuel Line Assembly MTD-791-682039

...
21
PAD, FRONT MOUNTING MTD-791-145308

...
22
ASSEMBLY, SHROUD ASSEMB (includes 23) MTD-791-153520

...
23
SCREW, 1/4-20X.562 F MTD-791-181861

...
24
EXTN-SHROUD W/STAN MTD-753-04611

...
25
Flywheel Assembly MTD-753-05240

...
26
NUT, SQUARE DRIVE MTD-791-610303

...
27
PULLEY:START MTD-753-1199

...
28
Recoil Spring MTD-753-04286

...
29
Pulley Retainer MTD-753-04288

...
30
Pull Handle MTD-631-04164B


...
32
Starter Housing Assembly (includes 22 & 24-36) (includes 27-34, 37) MTD-753-05422

...
33
Housing Screws MTD-791-181501

...
34
On/Off Switch MTD-791-182405

...
35
SCREW:CLMPNG W/NUT MTD-753-04291

...
36
Anti-Rotation Screw MTD-791-182519

...
37
LEAD-WIRE 4" BK MTD-753-04290

...
38
TAB, GROUND MTD-791-182800

...
39
Module Assembly MTD-753-1205

...
40
Spark Plug MTD-791-610311B

...
41
Muffler Gasket MTD-753-04619

...
42
MUFFLER ASSEMBLY WITH GASKET (includes 41, 43 & 48) MTD-753-04110

...
43
ASSEMBLY, MUFFLER MOUNTING BOLTS MTD-791-147575

...
44
Cylinder Assembly (includes 51 & 52) (includes 46) MTD-753-04814

...
45
PISTON ASSEMBLY:W/ROD/RIN MTD-753-04367

...
46
Cylinder Gasket MTD-753-04182

...
47
Cylinder Bolt MTD-791-182723

...
48
SCRN:SPK ARST:A-31 MTD-791-182747

...
49
Cover Screws MTD-791-181345

...
xx
KIT-ENGINE GASKET Not Shown MTD-753-04183

...
xx
O.E.M. Carburetor Repair Kit Not Shown MTD-791-180090

...
xx
Gasket Diaphragm Repair Kit Not Shown MTD-791-180091

...
xx
Piston Ring Set Not Shown MTD-753-1209

...
xx
SHBLK:31CC:NON-CLU (includes 10, 15, 23, 40, 44-47); Not Shown MTD-753-04146
...
...
...
...
...
Processing