Welcome,
My Cart
0 item(s)

Models

Parts


product name

Bolens 31A-32AD765 (2014) Snow Thrower

Model: 31A-32AD765 (2014)

Back To Assemblies

Save
Part Not Listed?Part Not Listed?

product name

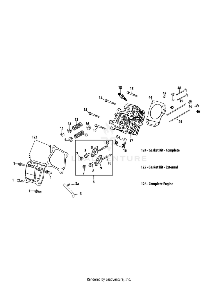
165-SUC Cylinder Head

...
...
1
Bolt M6×16 MTD-710-04968

...
2
Valve Cover MTD-951-11054B

...
3
Breather Hose MTD-951-14855

...
3a
Breather Hose Clamp MTD-726-04101

...
4
VALVE COVER GASKET MTD-751P11565B

...
5
Valve Spring Retainer (Intake) MTD-951-12000

...
6
ROCKER ARM KIT (Kit contains 1<BR/> each of Lock Nut, Pivot Nut, Stud, Rocker Arm) MTD-951-11892

...
7
Pivot Locking Nut MTD-751-11124

...
8
Adjusting Nut ,Valve MTD-751-11123

...
9
Rocker Arm MTD-951-11893

...
10
Pivot Bolt MTD-710-04902

...
11
EXHAUST VALVE ADJUSTER MTD-751P12002A

...
12
Valve Spring Retainer (Exhaust) MTD-951-12003

...
13
VALVE SPRING MTD-751P12004A

...
14
Valve Seal (Intake) MTD-951-11894

...
15
Bolt M8×55 MTD-710-04933

...
16
Push Rod Guide MTD-951-11895

...
17
Cylinder Head Assembly (Incl. 4-14, 16,17,21,27,29,44,48,49) MTD-951-14195

...
18
SPARK PLUG (F6RTC/RN11YC/BPR6ES) MTD-951-10292A

...
44
Cylinder Head Gasket MTD-951-11898

...
45
Push Rod Kit MTD-951-10648

...
46

...
47
Dowel Pin 10X16 MTD-715-04108

...
48
Valve Kit MTD-951-10647A

...
49
Valve Kit MTD-951-10647A

...
123
Valve Cover Kit MTD-951-12626

...
124
Gasket Kit-Complete (Incl. 4,21,27-29,32,44,58,59,68,72,75,77) MTD-951-11061A

...
125
Gasket Kit-External (Incl. 4,21,27-29,32,75) MTD-951-10661B

...
126
complete engine MTD-952Z165-WU
...
...
...
...
...
Processing