Models
Parts
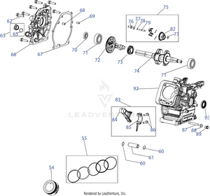
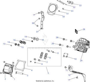
Model: 165-WU 179cc Engine
165-WU Carburetor
165-WU Crankcase
165-WU Cylinder Head
165-WU Engine Shroud
165-WU Flywheel Shroud
165-WU Fuel Tank & Mounting
165-WU Muffler
Label Map
Model: 1AHF08390
In Stock
Replaced By :
Please call us at 866-243-2721 or talk with us by sending us more information. We want to verify availability before placing your order.
For Customer Service inquiries please E-mail info@partswarehouse.com, Call 866.243.2721 or Text 972.383.9129
Mon - Sat 7AM - 7PM CT
Mon - Sat 6AM-2AM CT
Track your order
Reviews
FAQs
Price Match Guarantee
Sign in for faster checkout.