Welcome,
My Cart
0 item(s)

Models

Parts


product name

Bolens 13AM762F765 (2007) Lawn Tractor

Model: 13AM762F765 (2007)

Back To Assemblies

Save
Part Not Listed?Part Not Listed?

product name

Frame

...
...
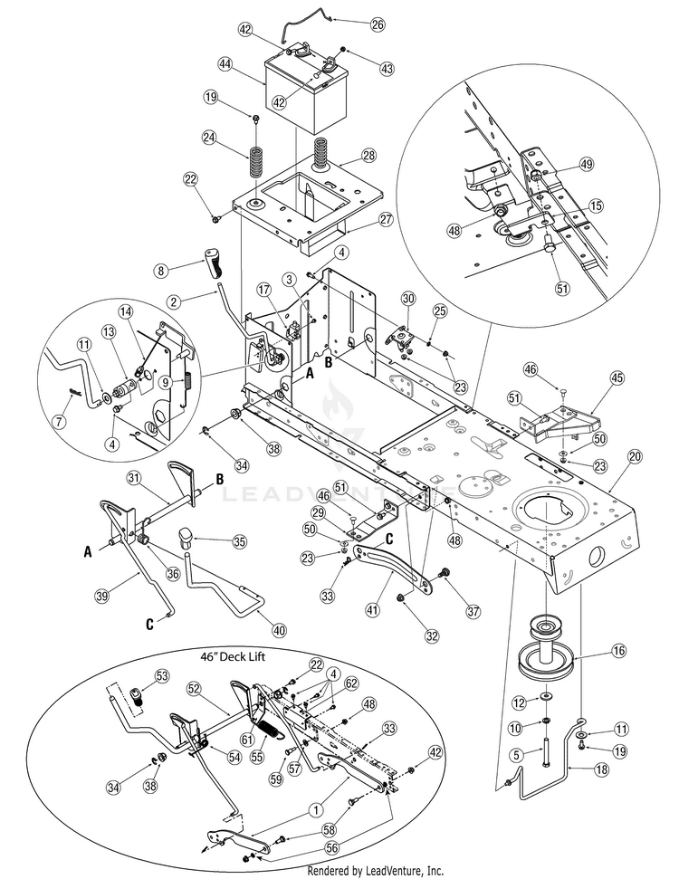
1
Deck Lift Link MTD-783-0678C

...
2
PTO Handle Assembly MTD-647-04096A-0637

...
3
SHOULDER SCREW MTD-738-04237A

...
4
Screw, 1/4-20, 0.500 MTD-710-0599

...
5
SCREW 7/16-20 x 3.25 GR5 (38/42" Deck) MTD-710-3157A

...
5
SCREW 7/16-20 x 2.75 GR5 (46" Deck) (Not Shown) MTD-710-04607

...
7
Pin, Click, .092 x 1.64 MTD-714-0145

...
8
HANDLE GRIP MTD-720-04049A

...
9
Spring, Extension MTD-732-04276A

...
10
Washer, Lock, 7/16 MTD-736-0171

...
11
Washer, Flat, .406 x .875 x .059 MTD-736-0300

...
12
Washer, Flat, .450 x 1.250 x .164 MTD-736-0322

...
13
PTO Bearing MTD-741-04119A

...
14
Deck Engagement Cable MTD-946-04173E

...
15
Frame Support Bracket MTD-783-04753

...
16
Engagement Pulley (38/42" Deck) MTD-756-04196A

...
16
ENGINE PULLEY 3.39 x 6.12 DIA (46" Deck) (Not Shown) MTD-756-04207A

...
17
Switch, Interlock MTD-725-04363

...
18
BELT KEEPER ROD (38" Deck) MTD-747-04332A

...
18
Belt Keeper Rod Assembly (42" Deck) MTD-747-04857

...
19
Screw, 5/16-18, .750 MTD-710-1260A

...
20
FRAME ASSEMBLY (BLACK JACK) MTD-683-04649B-0691

...
21
Screw, 1/4-20, 0.750 MTD-710-0642

...
22
Screw, 5/16-18, 0.625 MTD-710-0604A

...
23
Nut, Flange Lock, 1/4-20, GrF MTD-712-04064

...
24
Spring, Compr. , 1.28 OD x 3.125 MTD-732-04035

...
25
Washer, Lock, 1/4 MTD-736-0222

...
26
Hold Down Rod, Battery MTD-747-04385-0637

...
27
Battery Bracket MTD-783-04869A-0637

...
28
Seat Bracket Frame MTD-783-04548D-0637

...
29
RUNNINGBOARD BRACKET MTD-783-04637

...
30
12V SOLENOID MTD-725-04439B

...
31
LIFT SHAFT ASSEMBLY (38/42" Deck) MTD-683-04155A

...
32
Nut, Flange Lock, 3/8-16, GrF MTD-712-04065

...
33
Pin, Cotter .08 x 1.56 Intern. RH RH MTD-714-04043

...
33
Pin, Cotter .080 x 1.25 Intern. LH LH MTD-714-0470

...
34
Ring, E-Type, .625 Dia. MTD-716-0106A

...
35
Grip, Handle, 1/2 MTD-720-0311

...
36
TORSION SPRING (38/42" Deck) MTD-732-04225

...
37
SHOULDER SCREW .625X.165X3/8-16 MTD-738-04130A

...
38
FLANGE BEARING MTD-941-0225

...
39
Rod, Lift MTD-747-04393

...
40
Deck Handle, Lift, 38/43" Decks (38/42" Deck) MTD-747-04282

...
41
Deck Lift Arm RH (42" Deck) RH MTD-783-04494C

...
41
Lift Arm, Deck - LH LH MTD-783-04711

...
42
Carriage Bolt 1/4-10 x .75 Gr. 5 MTD-1186310

...
43
Nut, Sems, 1/4-20 MTD-712-0271

...
44

...
44

...
45
Support Bracket Assembly MTD-683-04195

...
46
Carriage Screw, 1/4-20 x .62 MTD-710-0134

...
47
Screw, 5/16-18 x .625 MTD-710-3025

...
48
Flange Lock Nut, 5/16-18 MTD-712-04063

...
49
Hex Lock Nut, 5/16-18 MTD-712-0429

...
50
Flat Washer, .28 x .74 x .063 MTD-736-0173

...
51
SCREW 5/16-18 x .75 GR5 MTD-710-3008

...
52
Shaft, Lift (46" Deck) MTD-683-04334-0637

...
53
Grip, Handle, 5/8 MTD-720-0298

...
54
TORSION SPRING (46" Deck) MTD-732-04438

...
55
Extension Spring MTD-732-0934

...
56
Washer, Flat, .385 x .62 x .063 MTD-736-0140

...
57
Washer, Flat, .474 x .879 x .064 MTD-736-0226

...
58
Bolt, Shldr. .500 x .270 3/8-16 MTD-738-0380

...
59
Screw, Shldr. , .437 x .54 MTD-738-0754

...
60
Handle, Lift (46" Deck) MTD-747-04653A

...
61
LIFT BRACKET 50" DECK MTD-783-04462A

...
62
...
...
...
...
...
Processing