Models
Parts
Model: 13AM662G765 (2004)
Axle Front, Steering
Deck Assembly "F" & "G"
Drive
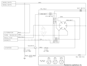
Electrical
Engine Accessories
Frame, Controls
Hood Style 2 And 3
Seat, Fender Assembly
Transmission Assembly
Wheels - Front
Wheels - Rear
Model: 1AHF08390
In Stock
Replaced By :
Please call us at 866-243-2721 or talk with us by sending us more information. We want to verify availability before placing your order.
For Customer Service inquiries please E-mail info@partswarehouse.com, Call 866.243.2721 or Text 972.383.9129
Mon - Sat 7AM - 7PM CT
Mon - Sat 6AM-2AM CT
Track your order
Reviews
FAQs
Price Match Guarantee
Sign in for faster checkout.