Welcome,
My Cart
0 item(s)

Models

Parts


product name

Bolens 11A-020B065 (2009) Push Walk-Behind Mower

Model: 11A-020B065 (2009)

Save
Part Not Listed?Part Not Listed?

product name

.Quick Reference

...
...
xx
SPARK PLUG RJ19LM MTD-759-3338

...
xx
Pre-Filter MTD-NA

...
xx

...
xx

...
xx
Control Cable (brake) MTD-946-0957

...
xx
Choke Cable MTD-NA

...
xx
Blade Adapter MTD-748-0376E

...
xx
20" BLADE (POWDER BLACK) MTD-742-0640-0637

...
xx
BLADE BELL SUPPORT MTD-736-0524B-1

...
xx
Blade Bolt MTD-710-1044

...
xx
COMPLETE WHEEL MTD-734-04063B

...
xx
COMPLETE WHEEL MTD-734-04063B

...
xx
Trailshield MTD-731-0872B

...
xx
20" FIXED DISCHARGE CHUTE MTD-731-0064A

...
xx
Mulch Plug MTD-NA

...
xx
Grass Bag MTD-NA

...
xx
Grass Bag Frame MTD-NA

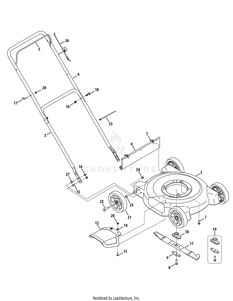
General Assembly

...
...
1
Hex Ind. Washer Screw, 3/8-16 x 1.0 MTD-710-0654A

...
2
Cutting Deck, 20" MTD-787-01759A-0638

...
2
Cutting Deck, 20" - Green MTD-787-01759A-0709

...
3
Lower Handle MTD-749-04037

...
4
Upper Handle MTD-749-1092A-0637

...
5
Control Handle (Bail) MTD-747-1161A-0637

...
6
Rear Flap MTD-731-0872B

...
7
HINGE CLIP MTD-17098P

...
8
Screw, 3/8-24 x 1.5" MTD-710-1044

...
9
BLADE BELL SUPPORT MTD-736-0524B-1

...
10
Blade Adapter MTD-748-0376E

...
11
20" BLADE (POWDER BLACK) MTD-742-0640-0637

...
12
20" FIXED DISCHARGE CHUTE MTD-731-0064A

...
13
SCREW 1/4-20 x 1 GR5 MTD-710-0932A

...
14
Flat Washer MTD-736-0173

...
15
SCREW 5/16-18 x .75 GR5 MTD-710-3008

...
16
Flange Lock Nut, 5/16-18 MTD-712-04063

...
17
Eye Bolt MTD-710-1205

...
18
Carriage Bolt, 5/16-18 x 1.5" MTD-710-0262

...
19
Blade Adapter Kit (Incl. Ref. 13-15) MTD-753-06315

...
20
Flange Lock Nut, 1/4-20 MTD-712-04064

...
21
COMPLETE WHEEL MTD-734-04063B

...
22
SCREW:SHLDR:0.498X1.630:3/8-16 MTD-738-0533

...
23
Bell Washer MTD-736-0105

...
24
Flange Lock Nut, 3/8-16 MTD-712-04065

...
25
Cable Tie MTD-725-0157

...
26
Control Cable (brake) MTD-946-0957

...
27
Shoulder Screw, 5/16-18 x.428" MTD-738-04033
...
...
...
...
...
Processing