Welcome,
My Cart
0 item(s)

Models

Parts


product name

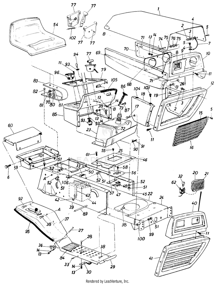
Blue Grass BG668-5 (1985) Lawn Tractor

Model: BG668-5 (1985)

Back To Assemblies

Save
Part Not Listed?Part Not Listed?

product name

Parts

...
...
1
HOOD-FRONT MTD-12780

...
2
Hex Nut #10-24 Thd. MTD-712-0121

...
3
L-Wash. #10 I.D. MTD-736-0722

...
4
Fl-Wash. .25" I.D. x .62" MTD-736-0463

...
5
Truss Scr. #10-24 x .375" MTD-710-0192

...
6
Truss Hd. Scr. #10-24 x .50"* MTD-710-0473

...
7
HOOD STOP MTD-727-0199

...
8
Head Light MTD-925-0222

...
9
Headlight Bezel Optional Part MTD-12787

...
10
Front Grille Upper Ass'y. Optional Part MTD-12814

...
11
HEX SCREW AB-TAP #10-16 x 0.500 MTD-910-0224

...
12
Lower Grille Optional Parts MTD-12781

...
13
HEX NUT 1/4-20 MTD-912-0287

...
14
L-Wash. 1/4" I.D. MTD-936-0329

...
15
Vinyl "U"-Channel Optional Part MTD-731-0144

...
16
Grille Screen Optional Parts Optional Part MTD-12791

...
17
SCREW 5/16-18 x 1.5 LG MTD-710-0805A

...
18
R.H. Lower Side Panel MTD-15544

...
19
L.H. LOWER SIDE PANE MTD-15545

...
20
HEADLIGHT HOUSING MTD-931-0705

...
21
HEADLAMP LENS MTD-931-0706

...
22
Lower Frame MTD-14606

...
23
KIT-FUEL TANK W/CA MTD-753-0503

...
24
Front Pivot Brkt. MTD-14619

...
25
L.H. SIDE FRAME MTD-14603

...
26
Hex Cent. L-Nut 3/8-16 Thd. MTD-712-0375

...
27
Truss Hd. Scr. 1/4-20 x 1.75" MTD-710-0524

...
28
Carriage Bolt 1/4-20 x .62" MTD-710-0134

...
29
Running Board (R.H. & L.H.) MTD-14604

...
30
Blade Brake Ass'y. (Refer to Deck Breakdown) MTD-NA

...
32
Miniature Lamp 12V Socket Type MTD-925-0963

...
33
Truss Mach. Scr. 5/16-18 x .75" Lg. MTD-710-0323

...
34
Light Switch MTD-925-0634

...
36
CLAMP-FEND MTD-14671

...
37
Fender (R.H.) MTD-16197

...
xx
FENDER (L.H.) MTD-14666

...
xx
FENDER-RR (R.H.)-Used w/36" Rear Discharge Deck MTD-16198

...
xx
FENDER (L.H.)-Used w/36" Rear Discharge Deck MTD-15350

...
38
Hex Bolt 5/16-18 x .75" Lg. MTD-710-0118

...
39
FRAME-SIDE (RH) MTD-14602G-0637

...
40
PANEL-GRIL MTD-15871

...
41
PANEL-GRILLE-LWR MTD-15872

...
42
HOOK-BATTERY STRAP MTD-747-0475

...
43
STRAP-RUBBER MTD-731-0718

...
44

...
45
L.H. SIDE FRAME MTD-14603

...
46
Shift Cover MTD-16187

...
47
SAFETY SWITCH KIT MTD-725-0759

...
48
Insulatop Nut Plate MTD-926-0320

...
50
Hitch Plate MTD-14607

...
51
HEX NUT 5/16-18 MTD-712-3010

...
52
Lock Wash. 5/16" I.D. MTD-936-0119

...
54
SEAT (used w/Hex Nut) MTD-757-0264

...
xx
Seat Ass'y. (used w/Hex Bolts) MTD-757-0299

...
55
Truss Mach. Scr. 1/4-20 x .75" Lg. MTD-710-0924

...
56
Gear Selection Plate MTD-16189

...
57
Clamping Plate MTD-16190

...
58
Hex AB-Tap Scr. #8 x .50" MTD-710-0227

...
59
Tool Tray (Optional) MTD-731-0561

...
60
FENDER PANEL (Optional) MTD-14789

...
61
Truss Mach. Tap Scr. #10 x .50" Lg. MTD-710-0351

...
62
HEADLAMP SOCKET MTD-925-1058A

...
68
Head Lamp Retainer Optional Part MTD-12788

...
69
SIDE PANEL-R.H. MTD-12784

...
70
Side Panel-L.H. MTD-12785

...
71
Hex Bolt 1/4-20 x .62" Lg. MTD-710-0258

...
72
Cable Tie MTD-726-0230

...
73
GAUGE-GAS MTD-723-0333

...
74
Hex Bolt 3/8-16 x 1" Lg. MTD-710-0514

...
75
Fl-Wash. .375" I.D. x 1.00" O.D. x .030" MTD-936-0101

...
76
RUBBER WASHER MTD-735-0126A

...
77
Throttle Control Box Ass'y. MTD-831-0796A

...
78
HEX NUT (Optional) MTD-712-0206

...
79
Dash Panel Insert MTD-731-0709

...
80
Hex Bolt 1/2-13 x 1.00" Lg. (Optional) MTD-710-3131

...
81
L-Wash. 1/2" I.D. MTD-736-0921

...
82
Hex Bolt 5/16-18 x 1.00"* MTD-710-0376

...
83
SEAT SPRING MTD-732-0458

...
84
FOOT PAD (Optional) MTD-723-0360

...
85
DASH PANEL ASS'Y. MTD-15895

...
86
HOOD LOCK ASSEMBLY MTD-723-0296

...
87
Hex Bolt 1/4-20 x .50" Lg. MTD-910-0289

...
89
ROD-RUNNING BOARD MTD-738-0526

...
90
HOSE CLAMP MTD-726-0207

...
91
FUEL HOSE 1/4-24" MTD-751-22813-24

...
92
Thread Rolling Scr. 1/4-20 x .50" Lg. MTD-710-0599

...
93
Ignition Switch MTD-925-0267B


...
95
TRIM STRIP MTD-731-0511

...
96
Ammeter (Optional) MTD-925-0925

...
99
Belleville Wash. .34" I.D. MTD-736-0242

...
100
BUSHING MTD-22550

...
101
Hex Wash. Hd. AB-Tap Scr. 5/16 x .75" Lg. MTD-710-0726

...
102
CABLE-CONT (B&S) MTD-746-0505

...
xx
CONTROL CABLE (Tec.) MTD-746-0511

...
103
Hex Wash. Hd. Self-Tap Scr. MTD-710-0651

...
104
Speed Nut #10Z MTD-726-0139

...
105
Trim Strip-15" MTD-757-0272

...
106
Speed Nut #10 MTD-726-0139
...
...
...
...
...
Processing