Welcome,
My Cart
0 item(s)

Models

Parts


product name

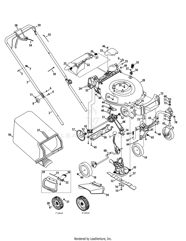
BlackMax 12AVC62J719 (2015) Self-Propelled Walk-Behind Mower

Model: 12AVC62J719 (2015)

Back To Assemblies

Save
Part Not Listed?Part Not Listed?

product name

General Assembly

...
...
1
Adjustment Lever Knob MTD-720-04096

...
2
LOWER HANDLE (POWDER BLACK) MTD-749-07298-0637

...
3
UPPER SQUEEZE HANDLE (POWDER BLACK) MTD-749-04679D-0637

...
4
Carriage Screw ,5/16-18 MTD-710-04998

...
5
Rope Guide MTD-710-1205

...
6
Nut, Flange Lock, 1/4-20 MTD-712-04064


...
8
Wing Knob MTD-720-04072A

...
9

...
10
Cable Tie MTD-725-0157

...
11
Shdr. Screw, .375 x .126 x 1/4-20 MTD-738-04419A

...
12
Front Cover MTD-731-11064

...
13
Mulching Blade MTD-942-0741A

...
13
Cub Cadet 21" MULCH BLADE Retail Packaged Part MTD-490-100-C089

...
13
Genuine Factory Parts 21" MULCHING BLADE (0741A) Retail Packaged Part MTD-490-100-M084

...
13
21" BLADE (MULCH) (XTREME) MTD-942-0741-X

...
14
Blade Adapter MTD-687-02220

...
15
Screw, 3/8-24 x 1.50 MTD-710-1044

...
16
BLADE BELL SUPPORT MTD-736-0524B-1

...
17
8" DUST COVER MTD-731-07795A

...
18
Rear Wheel, 8 x 2 MTD-934-04714

...
19
Front Wheel, 7 x 2 MTD-634-04733

...
20
CASTER HUB MTD-750-06036A

...
21
Caster Hub, Short MTD-750-06065

...
22
Rear Discharge Door Assembly MTD-631-04553A

...
23
Nut, Sq., 1/4-20 MTD-712-04222

...
24
Trail Shield MTD-731-07203

...
25
TORSION SPRING (RH) MTD-732-05061B

...
26
Torsion Spring - LH MTD-732-05062A

...
27
Pivot Rod MTD-747-05183


...
29
21" MULCH PLUG (HINGED) MTD-687-06029

...
30
Torsion Spring MTD-732-1014C

...
31
Hinge Pin MTD-747-0710A

...
32
Chute Deflector Bracket MTD-787-01779

...

...
34
Side Discharge Chute MTD-731-07131

...
35
Water Nozzle Adapter MTD-921-04041

...
36
Water Nozzle MTD-731-07487

...
37
Shoulder Screw, 1/4-20 x 0.50 MTD-738-04502

...
38
SCREW 5/16-18 x .750 MTD-710-04484

...
39
Screw, tt, 3/8-16 x 1.00 MTD-710-04683C

...
40
Screw, 5/16-14 x .750 MTD-710-04995A

...
41
Washer, Flat, .330 x 1.25 x .06 MTD-736-0362

...
42
Bearing Assembly MTD-631-04501A

...
43
ENGINE BAFFLE ASSEMBLY MTD-631-04512D

...
44
Screw, Hex Washer, .159 x .43 MTD-710-04374

...
45
Screw, 1/4-15 x 1.25 MTD-710-04774

...
46
Screw, 1/4-15 x .750 MTD-710-0895

...
47
Exten. Spring, 2.405 MTD-732-04826A

...
48

...
48
Genuine Factory Parts TRANSMISSION BELT Retail Packaged Part MTD-490-501-M055

...
49
TRANSMISSION BRACKET (POWDER BLACK) MTD-787-01868B-0637

...
50
REAR CLIP SUPPORT BRACKET MTD-787-01915C

...
51
Transmission Assembly MTD-918-06038

...
52
Spur Gear, 10T MTD-917-04852

...
53
Transmission Cover MTD-731-08175

...
54
Variable Speed Cable MTD-946-05048

...
55
Control Cable MTD-946-1114

...
56
Grass Bag MTD-964-05070

...
57
GRASSBAG FRAME MTD-747-05362A

...
58
Control Lever Assembly MTD-753-06060A

...

...
58
Lever, Engage MTD-731-05873A

...
58
Squeeze Box cover MTD-731-07812

...
59
OPERATOR BAIL ASSEMBLY MTD-931-05291

...
60
REAR AXLE ASSEMBLY MTD-611-04189A

...
61
CASTER BRACKET (RH) POWDER BLACK MTD-682-9024A-0637

...
62
CASTER BRACKET (LH) POWDER BLACK MTD-682-9026A-0637

...
63
Caster Bracket Assembly MTD-687-05033-0637

...
64
Caster Axle, .374 Dia. x 2.59 MTD-911-1146

...
65
Wing Nut, 1/4-20 w/Bell Washer MTD-712-0397A

...
66
Flange Lock Nut, 3/8-16 MTD-712-04217

...
67
Hairpin Clip MTD-714-0104

...
68
Push Cap, 5/8 MTD-726-0214

...
69
Compr. Sprng., .531 OD x 1.75 Lg MTD-932-0306A


...
71
Flat Washer, .640 x 1.12 x .125 MTD-736-0366

...
72
Flange Bearing, .631 ID MTD-741-0685

...
73
Lock Pin: Front Wheel MTD-747-0924
...
...
...
...
...
Processing