Models
Parts
Model: 12AVC62J719 (2015)
.Quick Reference
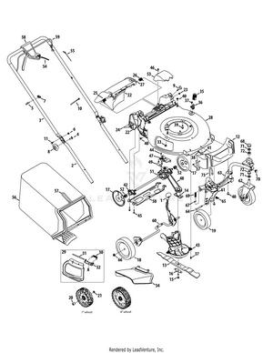
General Assembly
Label Map 12AVC62J719
5X65RU Air Cleaner
5X65RU Carburetor
5X65RU Crankcase
5X65RU Crankshaft & Crankcase Cover
5X65RU Cylinder Head
5X65RU Flywheel & Shroud
5X65RU Fuel Tank
Model: 1AHF08390
In Stock
Replaced By :
Please call us at 866-243-2721 or talk with us by sending us more information. We want to verify availability before placing your order.
For Customer Service inquiries please E-mail info@partswarehouse.com, Call 866.243.2721 or Text 972.383.9129
Mon - Sat 7AM - 7PM CT
Mon - Sat 6AM-2AM CT
Track your order
Reviews
FAQs
Price Match Guarantee
Sign in for faster checkout.