Welcome,
My Cart
0 item(s)

Models

Parts


product name

BlackMax 12AVB2RQ719 (2020) Self-Propelled Walk-Behind Mower

Model: 12AVB2RQ719 (2020)

Back To Assemblies

Save
Part Not Listed?Part Not Listed?

product name

Drive

...
...
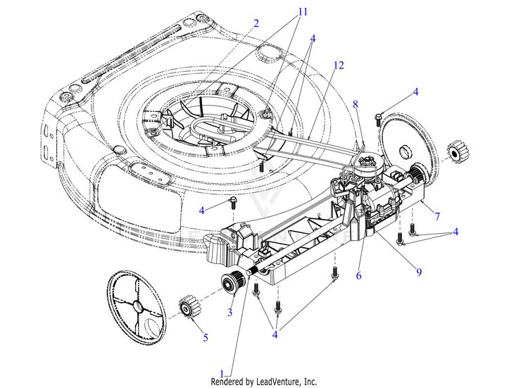
1
TRANSMISSION ASSEMBLY MTD-618P07464C

...
2
ENGINE BAFFLE ASSEMBLY MTD-931-04535C

...
3
BEARING ASSEMBLY MTD-941-00019

...
4
SCREW 1/4-15 x .750 MTD-710-0895

...
5
SPUR GEAR (14T) (RH) MTD-717-05432

...
6
SPRING COMPRESSION MTD-731-07355

...
7
LOWER TRAY MTD-731-07789A

...
8
TRANSMISSION WIRE MTD-732-04675B

...
9
COMPRESSION SPRING MTD-732-04704

...
11
SHOULDER SCREW 1/4-20 x .50 MTD-738-04502

...
12
V-BELT 3L 34.18 MTD-954-04260

...
12
Cub Cadet TRANSMISSION BELT Retail Packaged Part MTD-490-501-C005

...
12
Troy-Bilt TRANSMISSION BELT (04260) Retail Packaged Part MTD-490-501-Y005
...
...
...
...
...
Processing