Welcome,
My Cart
0 item(s)

Models

Parts


product name

Big O Mdl 698 Lawn Tractor

Model: Big O Mdl 698

Back To Assemblies

Save
Part Not Listed?Part Not Listed?

product name

Parts

...
...
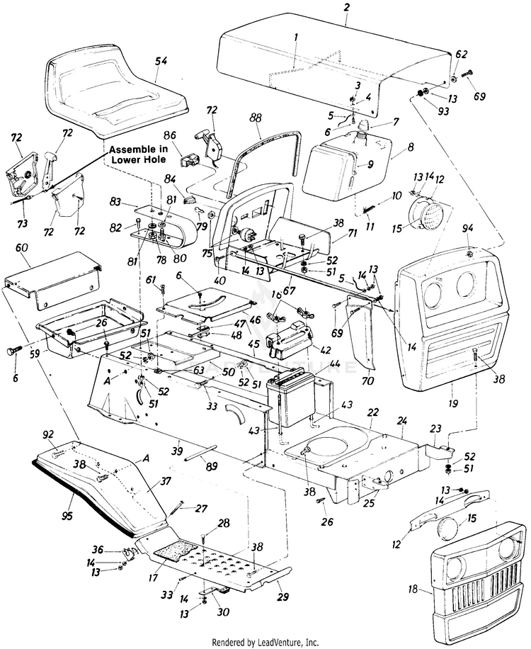
1
HOOD SPRING MTD-732-0414

...
2
Hood Used with Grille Assembly Ref No. 18 MTD-14616

...
xx
HOOD Used with Grille Assemlby Ref. No 19 MTD-14665

...
3
Hex Sems Nut #10-24 Thd. MTD-712-0272

...
4
Fl-Wash. .281" I.D. x .62" O.D. x .051 MTD-736-0463

...
5
Hood Stop 7" Lg. MTD-723-0302

...
6
Truss Hd. Scr. #10-24 x 1/2" MTD-710-0473

...
7
GAUGE-GAS MTD-723-0333

...
8
KIT-FUEL TANK W/CA MTD-753-0503

...
9
Cable Tie MTD-726-0230

...
10
FUEL HOSE 1/4-24" MTD-751-22813-24

...
11
HOSE CLAMP MTD-726-0207

...
12
Headlight Retainer Used with Grille Assembly Ref. No. 18 MTD-14672

...
xx
RING HOLDE Used with Grille Assembly Ref. No. 19 MTD-09960

...
13
HEX NUT 1/4-20 MTD-912-0287

...
14
L-Wash. 1/4" I.D. MTD-936-0329

...
15
Head Light MTD-925-0222

...
16
Wing Nut 1/4-20 Thd. MTD-912-0113

...
17
FOOT PAD (Optional) MTD-723-0360

...
18
Grille Ass'y. (Optional) MTD-14635

...
xx
Grille Without Headlights MTD-14612

...
19
GRILLE (Optional) MTD-14781

...
xx
Grille Ass'y. (Chrome) (Optional) MTD-14674

...
22
Lower Frame MTD-14606

...
23
BRACKET-GR MTD-13863

...
24
Front Pivot Brkt. MTD-14619

...
25
BRACKET-GR MTD-13862

...
26
Hex Wash. Hd. AB-Tap Scr. 5/16 x .75" Lg. MTD-710-0726

...
27
Truss Hd. Scr. 1/4-20 x 1.75" Lg. MTD-710-0524

...
28
Carriage Bolt 1/4-20 x .62" Lg. MTD-710-0134

...
29
Running Board (R.H. & L.H.) MTD-14604

...
30
Blade Brake Ass'y. (Refer to Deck Breakdown) MTD-NA

...
33
Truss Mach. Scr. 5/16-18 x .75" Lg. MTD-710-0323

...
36
CLAMP-FEND MTD-14671

...
37
FENDER (R.H. & L.H.) MTD-14666

...
xx
FENDER (R.H. & L.H.) Used w/36" Rear Discharge Deck MTD-15350

...
38
Hex Bolt 5/16-18 x .75" Lg. MTD-710-0118

...
39
FRAME-SIDE (RH) MTD-14602G-0637

...
40
Hex Bolt 1/4-20 x .62" Lg. MTD-710-0258

...
42
BATTERY COVER MTD-731-0708

...
43
HOLD DOWN BATTERY ROD MTD-911-0222A

...
44

...
45
L.H. SIDE FRAME MTD-14603

...
46
Transmission Panel (5 Speed) MTD-15823

...
xx
Transmission Panel (3 Speed) MTD-16347

...
47
SAFETY SWITCH KIT MTD-725-0759

...
48
Insulatop Nut Plate MTD-926-0320

...
50
Hitch Plate MTD-14607

...
51
HEX NUT 5/16-18 MTD-712-3010

...
52
Lock Wash. 5/16" I.D. MTD-936-0119

...
54
SEAT (used w/Hex Nut) MTD-757-0264

...
xx
Seat Ass'y. (used w/Hex Bolts) MTD-757-0299

...
59
Tool Tray (Optional) MTD-731-0561

...
60
FENDER PANEL (Optional) MTD-14789

...
61
Truss Mach. Tap Screw #10 x .50" MTD-710-0351

...
62
Fl-Wash. .296 I.D. x .62 O.D. MTD-736-0463

...
63
Speed Nut #10Z MTD-726-0139

...
67
SUPPORT ROD (R.H. & L.H.) MTD-749-0517

...
69
Truss Mach. Scr. 1/4-20 x.75" Lg. MTD-710-0924

...
70
SIDE PANEL Used with Grille Assembly Ref. No. 18 MTD-14670

...
xx
R.H.-Grille Side Panel Used with Grille Assemlby Ref. No 19 MTD-14748

...
xx
L.H.-Grille Side Panel MTD-14669

...
xx
L.H.-Grille Side Panel MTD-14749

...
71
Dash Panel Ass'y. MTD-15933

...
72
Throttle Control Box Ass'y. MTD-831-0796A

...
73
Throttle Control Wire (B&S) MTD-746-0501

...
xx
CONTROL CABLE (Tec.) MTD-746-0504

...
75
Ignition Switch MTD-925-0267B

...
78
HEX NUT (Optional) MTD-712-0206


...
80
Hex Bolt 1/2-13 x 1.00" Lg. (Optional) MTD-710-3131

...
81
L-Wash. 1/2" I.D. MTD-736-0921

...
82
Hex Bolt 5/16-18 x 1.00" Lg. MTD-710-0376

...
83
SEAT SPRING MTD-732-0458

...
84
Light Switch (Optional) MTD-925-0634

...
86
Ammeter (Optional) MTD-925-0925

...
88
Molding Strip 27" Lg. MTD-731-0511

...
89
ROD-RUNNING BOARD MTD-738-0526

...
92
Thread Rolling Scr. 1/4-20 x .50" Lg. MTD-710-0599

...
93
RUBBER WASHER MTD-735-0144

...
94
Hex Sems Ins. L-Nut 1/4-20 Thd. MTD-712-0324

...
95
TRIM STRIP MTD-731-0511
...
...
...
...
...
Processing