Welcome,
My Cart
0 item(s)

Models

Parts


product name

Agway by MTD Mdl 249-623-019/82-4163 Log Splitter

Model: Agway Mdl 249-623-019/82-4163

Save
Part Not Listed?Part Not Listed?

product name

Parts

...
...
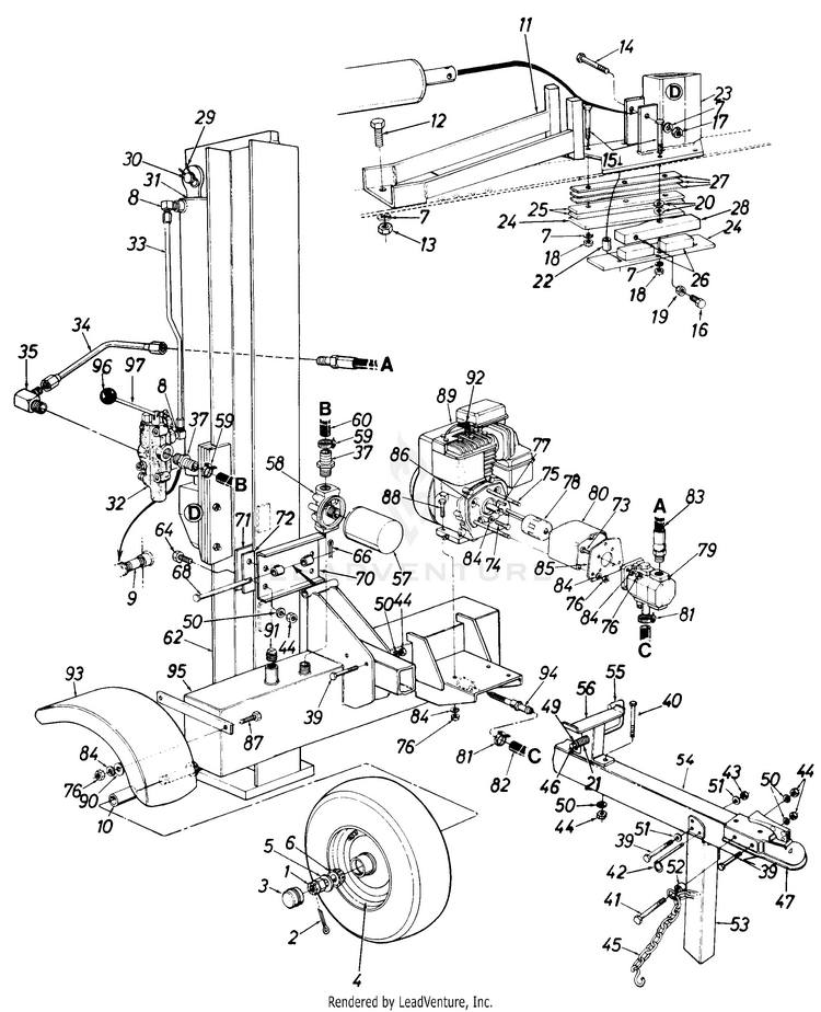
1
Hex Castle Nut 3/4-16 Thd. MTD-712-0299

...
2
Cotter pin 5/32" Dia. MTD-714-0162

...
3

...
4
Wheel Assembly MTD-634-0186

...
xx
Tire Only MTD-734-0872

...
xx
RIM ASSEMBLY (3.75 x 8.0) (GRAY) MTD-634-0188

...
xx
TUBELESS VALVE MTD-934-0255

...
5
Fl-Wash. .76" I.D. x 1.5" O.D. MTD-736-0351

...
6
Roller Rearing 3/4" I.D MTD-941-0107

...
7
L-Wash. 1/2" I.D. MTD-736-0921

...
8
90ø Solid Male Adaptor MTD-737-0192

...
9
Pipe Nipple '/2 NPT MTD-737-0238

...
10

...
11
STRIPPER ASS'Y. MTD-781-0386

...
12
SCREW 1/2-13X2.0 GR8 MTD-710-3071

...
13

...
14
SCREW 1/2-20 x 3.00 GR8 MTD-710-1010

...
15
Hex Bolt 1/2-20 x 2.75" Lg. (Grade 8) MTD-710-1018

...
16
Hex Cap Screw 3/8-24 x 1.5 MTD-710-0459A

...
17
Hex L-Nut 1/2-20 Thd. MTD-712-0239

...
18
HEX NUT GRADE 2 MTD-712-0333

...
19
Hex Jam Nut, 3/8-24 MTD-912-3001

...
20
Fl-Wash. 53" I.D. x .94" O.D. MTD-736-0192

...
21
Comp. Spring 4" Lg. MTD-732-0583

...
22

...
23
WEDGE ASSEMBLY MTD-781-0393

...
24
Pusher Back Plate MTD-781-0537-0637

...
25
Fixed Side Gib MTD-781-0350A

...
26
Adjustable Gib MTD-781-0351

...
27
ADJUSTABLE GUB SHIM MTD-781-0352A-0637

...
28
Floating Gib Plate MTD-781-0356

...
29
External Cotter Pin MTD-714-0203

...
30
PIN-CYLINDER MTG MTD-715-0206

...
31
HYDRAULIC CYLINDER MTD-717-0893

...
32
CONTROL VALVE MTD-717-0942

...
33
TUBE-METAL PRESSURE MTD-727-0307

...
34
TUBE-PRESSURE 1/2 IN DIA MTD-727-0440

...
35
90 DEGREE ADAPTER MTD-737-0171

...
37
HOSE BARB-3/4 IN MTD-737-0235

...
39
Hex Bolt 3/8-16 x 3" Lg. (Grade 8) MTD-710-0521

...
40
Hex Bolt 3/8-16 x 5" Lg. MTD-710-0615A

...
41
Hex Bolt 3/8-16 x 3.25" Lg. (Grade 8) MTD-710-3130

...
42
QUICK RELEASE PIN MTD-711-0820

...
43
Hex L-Nut 3/8-16 Thd. MTD-712-0375

...
44
Hex Nut 3/8-16 Thd. MTD-712-0798

...
45
Chain-Tow Hitch MTD-713-0338

...
46
ROLL PIN MTD-715-0116

...
47
COUPLER-HITCH 1-7 MTD-727-0311

...
49
Fl-Wash. .635" I.D. x .93" O.D. MTD-736-0116

...
50
L-Wash. 3/8" I.D. MTD-736-0169

...
51
Fl-Wash. .406" I.D. x .75" O.D. MTD-736-0185

...
52
Spacer, .380 x .625 x .255 MTD-750-04776

...
53

...
54
TONGUE TUBE MTD-781-0368

...
55
ROD ASSEMBLY-L MTD-781-0370

...
56
Beam Support Ass'y. MTD-781-0398

...
57
FILTER ELEMENT (10 MICRON LFP-1652) MTD-723P0405

...
58
FILTER HOUSING MTD-681-0179

...
59
HOSE CLAMP 1/4 ID MTD-726-0146

...
60
HOSE-RETURN MTD-727-0309

...
62
VERTICAL BEAM ASS'Y. MTD-781-0339

...
64
Hex Bolt 3/8-16 x 1.5" Lg. (Grade 5) MTD-710-0520

...
66
Cotter Pin 1/8" Dia. MTD-714-0470

...
68
HINGE PIN 1/2 IN DIA MTD-738-0736

...
70
Beam Hinge MTD-781-0373

...
71
PLATE-BEAM HINGE MTD-781-0375

...
72
Beam Hinge Spacer MTD-781-0377

...
73
Hex Bolt 5/16-24 x 1" Lg. MTD-710-0888

...
74
Hex Bolt 5/16-24 x .62" Lg. MTD-710-0237

...
75
HEX SCREW MTD-710-0363

...
76
Hex Nut 5/16-24 Thd. MTD-912-3057

...
77
Sq.-Key 3/16" x .75" MTD-714-0122

...
78
Flex Coupling MTD-917-0891

...
79
Gear Pump (11 GPM) MTD-753-05194

...
80
Coupling Shield MTD-719-0281

...
81
Hose Clamp 518" MTD-726-0132

...
82
HOSE-SUCTION MTD-727-0427

...
83
HOSE-HIGH PRESSURE MTD-727-0432

...
84
Lock Wash. 5/16" I.D. MTD-936-0119

...
85
Rear Coupling Support Bracket MTD-781-0097-0637

...
86
Front Coupling Support Bracket MTD-781-0098A-0637

...
87
Hex Bolt 5/16-24 x 75n Lg. MTD-710-0157

...
88
Hex Bolt 5/16-24 x 1.75" Lg. MTD-710-0409

...
89
Engine MTD-NA

...
90
Fl-Wash. .344" I.D. x .875" O.D. MTD-736-0159

...
91
Vented Dipstick MTD-737-0348A

...
92
INSULATOR-SPARK PLUG MTD-735-0639

...
93

...
94
STRAINER ASSEMBLY MTD-781-0312

...
95
Tank Ass'y. MTD-781-0376

...
96
KNOB-BALL MTD-720-0231

...
97
HANDLE-CONTROL MTD-747-0709
...
...
...
...
...
Processing