Welcome,
My Cart
0 item(s)

Models

Parts


product name

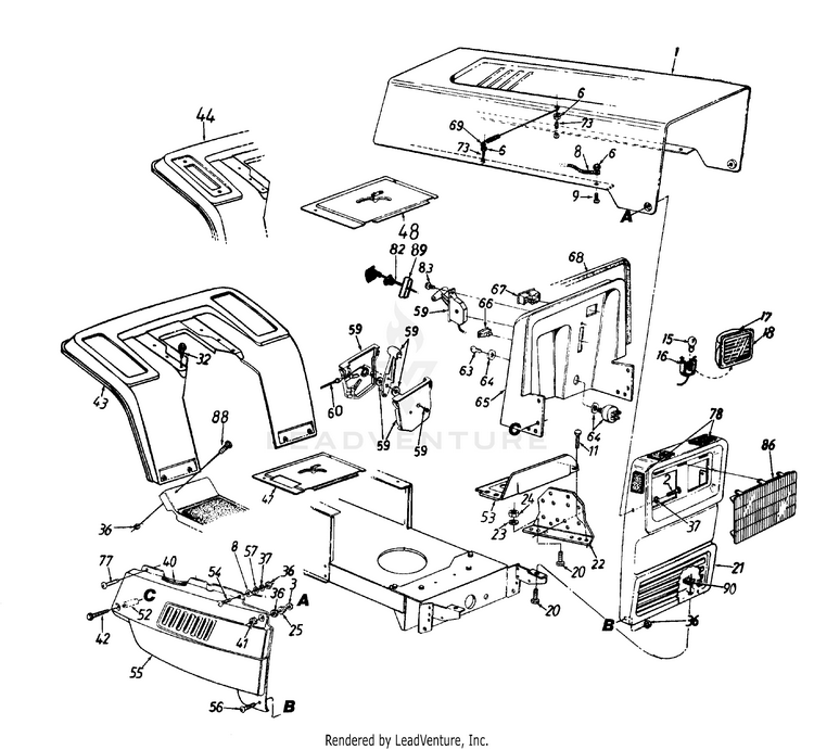
Agway by MTD 13AM67AG019 (1997) Lawn Tractor

Model: 13AM67AG019 (1997)

Back To Assemblies

Save
Part Not Listed?Part Not Listed?

product name

Hood Style A

...
...
1
HOOD-W/21 LOUVRES MTD-16787B

...
2
Hex Bolt 1/4-20 x .88" Lg. MTD-710-0206

...
3
Washer .39" I.D. x .62" MTD-736-0413

...
6
Hex Sems Nut #10-24 Thd. For faster service obtain standard nuts, bolts and washers locally. If these items cannot be obtained locally, order by part number and size as shown on parts list. MTD-712-0272

...
8
Hood Stop MTD-727-0290A

...
9
Truss Hd. Scr. #10-24 x 1/2" For faster service obtain standard nuts, bolts and washers locally. If these items cannot be obtained locally, order by part number and size as shown on parts list. MTD-710-0473

...
11
Hex Wash. Hd. B-Tap Scr. 5/16-18 x .5" Lg. MTD-710-0603

...
15
Miniature Lamp 12V Socket Type MTD-925-0963

...
16
SHORT LAMP SOCKET MTD-925-1650

...
17
HEADLIGHT HOUSING MTD-931-0705

...
18
HEADLAMP LENS For faster service obtain standard nuts, bolts and washers locally. If these items cannot be obtained locally, order by part number and size as shown on parts list. MTD-931-0706

...
20
Hex Bolt 5/16-18 x .75" Lg. MTD-710-0118

...
21

...
xx
GRILLE-STYLE 8 W/S MTD-16456C

...
22
DASH SUPPORT BRACKET MTD-17300D

...
23
Lock Wash. 5/16" I.D. For faster service obtain standard nuts, bolts and washers locally. If these items cannot be obtained locally, order by part number and size as shown on parts list. MTD-936-0119

...
24
HEX NUT 5/16-18 For faster service obtain standard nuts, bolts and washers locally. If these items cannot be obtained locally, order by part number and size as shown on parts list. MTD-712-3010

...
25
SHOULDER SPACER MTD-738-0759

...
32
UNKNOWN MTD-NA

...
36
Hex Sems Nut 1/4-20 Thd. For faster service obtain standard nuts, bolts and washers locally. If these items cannot be obtained locally, order by part number and size as shown on parts list. MTD-712-0271

...
37
UNKNOWN MTD-NA

...
40
Trim Strip 12" MTD-731-0511-12

...
41
Acorn Nut 1/4-20 Thd. MTD-712-0264

...
42
Hex TT-Tap Scr. 1/4-20 x 1.75" MTD-710-1026

...
43
FENDER-RR W/FRAME MTD-17870C

...
44
FENDER-RR MTD-17871B

...
47
SHIFT COVER MTD-17954B-0637

...
48
Shift Cover MTD-17286B-0637

...
52
SPACER-.260 ID x 1.32 LG x 16 MTD-750-0768

...
53
FUEL TANK SUPPORT MTD-17633A

...
54
Truss Mach. Scr. 1/4-20 x.75" Lg. For faster service obtain standard nuts, bolts and washers locally. If these items cannot be obtained locally, order by part number and size as shown on parts list. MTD-710-0924

...
55
SIDE PANEL (RH) MTD-16725

...
xx
SIDE PANEL (RH) MTD-16725

...
xx
SIDE PANEL (RH) MTD-16725

...
xx
PANEL-SIDE (LH) (Not Shown) MTD-17309B

...
xx
PANEL-SIDE (LH) (Not Shown) MTD-17309B

...
56
Truss Mach. Scr. 1/4-20 x .50"Lg. For faster service obtain standard nuts, bolts and washers locally. If these items cannot be obtained locally, order by part number and size as shown on parts list. MTD-710-0286

...
57
Fl-Wash. .281" I.D. x .73" O.D. MTD-736-0173

...
59
Throttle Control Box Ass'y. MTD-831-0823A

...
60
Throttle Control Wire 18.5" MTD-946-0638

...
xx
Throttle Wire MTD-946-0634


...
64
Ignition Switch MTD-925-0267B

...
65
DASH PANEL MTD-17295

...
66
Light Switch MTD-925-0634

...
67

...
68
Trim Strip 31" MTD-731-0511-31

...
69
EXTENSION SPRING MTD-732-0462

...
73
CHAIN ADJUSTMENT BOLT MTD-910-0749

...
77
Hex Wash. Hd. Tap Scr. 1/4 x .75" Lg. MTD-710-0642

...
78
Foam Strip 3/8 x 1-1/8"x 1-1/2 Lg. MTD-722-0157

...
82
CHOKE CONTROL 29" MTD-946-0615A

...
xx
Choke Control 44.0" Lg. MTD-946-0613A

...
83
Truss Mach. AB-Tap Scr.#10 x .5" Lg. MTD-710-0779A

...
86
GRILLE LENS MTD-731-0967

...
88
Truss Mach. Scr. 1/4-20 x .5" Lg. MTD-710-0286

...
89
CLIP-CHOKE RETAINER MTD-17782

...
90
U-Nut 5/16-18 Thd. MTD-726-0211

...
xx
Muffler (Single Cylinder Engine) MTD-NA

...
xx
CONDUIT L-NUT MTD-712-0250

...
xx
MUFFLER ASSEMBLY MTD-951-0302

...
xx
HEADLIGHT HARNESS (Not Shown) MTD-929-0469B
...
...
...
...
...
Processing