Welcome,
My Cart
0 item(s)

Models

Parts


product name

Agway by MTD 13AM673G019 (1998) Lawn Tractor

Model: 13AM673G019 (1998)

Back To Assemblies

Save
Part Not Listed?Part Not Listed?

product name

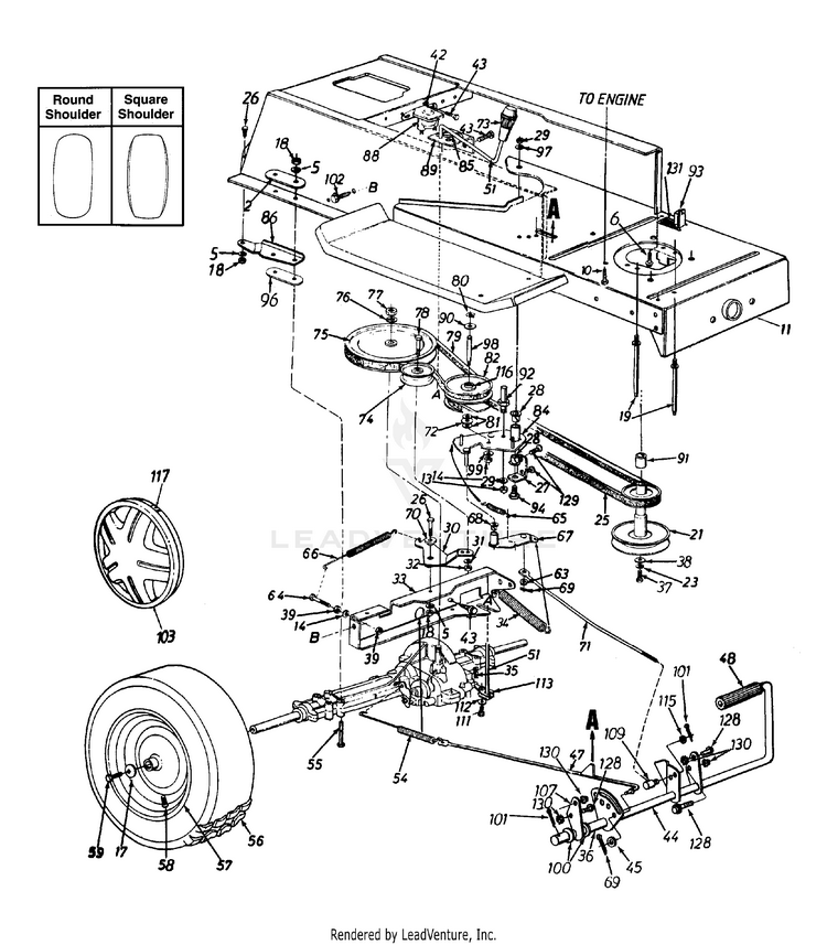
Wheels, Rear/Pedal Assembly/Drive/Lower Frame

...
...
2
Transaxle Mounting Bracket MTD-17840-0637

...
5
Lock Wash. 5/16" I.D. MTD-936-0119

...
6
SCREW 1/4-28 x 1.75 GR5 MTD-710-0559

...
10
Hex TT-Tap Scr. 3/8-16 x 1.5" Lg. MTD-710-1315

...
11
Lower Frame Code N MTD-783-0310F-0637

...
13

...
14
L-Wash. 1/4" I.D. MTD-936-0329

...
17
Bell-Wash. .345" I.D. x .88" MTD-736-0242

...
18
HEX NUT 5/16-18 MTD-712-3010

...
19
Belt Guard Pin MTD-711-1044A

...
21
Engine Pulley MTD-756-0982B

...
?22
Fl-Wash. 7/16" I.D. x 1.25" MTD-736-0322

...
23
L-Wash. 7/16" I.D. MTD-736-0171

...
?24
Hex Bolt 7/16-20 x 1.50" Lg. MTD-710-0757

...
25
Variable Speed Belt MTD-954-0280A

...
26
SCREW 5/16-18 x .75 GR5 MTD-710-3008

...
27
BRACKET-BR MTD-17963

...
28
NYLINER BEARING MTD-741-0495

...
29
Hex Nut 3/8-24 Thd. MTD-712-0241

...
30
Idler Bracket (Used w/20"Wheels w/o 46" Deck) MTD-17643-0637

...
xx
BRACKET-IDLER NLAUD (Used w/46" Deck) MTD-17694-0637

...
31
L-Wash. 3/8" I.D. MTD-736-0169

...
32
Hex Nut 3/8-24 Thd. MTD-712-0241

...
33
BRACKET-TRANSMISSION MTD-17629A-0637

...
34
Ext. Spring .94" O.D. x 7.58" MTD-932-0556

...
35
Inter. Cotter Pin MTD-714-0149B

...
36
Spacer .63" I.D. MTD-750-0802

...
37
Cap Screw 7/16-20 x 1.25 MTD-710-3029

...
38
Flat Washer .450 MTD-736-0322

...
39
Hex Nut 1/4-28 Thd. MTD-712-0138

...
?40
Hex Screw, 1/4-14 x 0.625" MTD-710-0896

...
42
Ext. L-Wash. 1/4" I.D. MTD-736-0222

...
43
Hex Wash. Hd. S-Tap Scr.1/4-20 x .50" Lg. MTD-710-0599

...
44
BRAKE PEDAL ASSEMBLY MTD-683-0123

...
45
Fl-Wash. .344" I.D. x .62" MTD-736-0140

...
47
BRAKE ROD MTD-747-0755A

...
48

...
51
SHIFT LEVE MTD-17705

...
54
Ext. Spring .59n O.D. x 7 08" (Used w/20" Wheels w/o 46"Deck) MTD-932-0413

...
xx
EXTENSION SPRING (Used w/46" Deck) MTD-732-0642

...
55
Hex Bolt 5/16-18 x 3.5" Lg. (Gr. 5) (Used w/46" Deck) MTD-710-1266

...
xx
Hex Bolt 5/16-18 x 3" Lg. (Used w/20" Wheels w/o 46" Deck) MTD-710-0189

...
56
Wheel Ass'y. Comp. - 20" x 8.0" (Round Shoulder) MTD-734-1675

...
xx
Wheel Ass'y. Comp. - 20" x 8.0" (Square Shoulder) MTD-634-0104

...
xx
Tire Only - 20" x 8.0" (Round Shoulder) MTD-734-1596

...
xx
Tire Only - 20" x 8.0" (Square Shoulder) MTD-734-1730

...
57
RIM ASSEMBLY (8.0 x 7.0 x .750) MTD-634-04369

...
58
TUBELESS VALVE (Service Only) MTD-934-0255

...
59
Hex Bolt 5/16-24 x .75" Lg. MTD-710-0627

...
63
FLAT WASHER MTD-736-0275

...
64
HEX SCREW 1/4-28 x 1.25 GR5 MTD-710-0428

...
65
EXTENSION SPRING MTD-732-0568

...
66
EXTENSION SPRING MTD-932-0384

...
67
Variable Speed Torque Brkt. Ass'y. MTD-16554A-0637

...
68
FLANGE BEARING MTD-741-0419

...
69
Cotter Pin 3/32" Dia. MTD-714-0111

...
70
Shoulder Spacer .27" Lg. MTD-748-0234

...
71
CONTROL LINK MTD-747-0530A

...
72
THRUST BEARING MTD-941-0405

...

...
74
Fl-ldler Pulley 3.25" x 1.0" MTD-756-0643A

...
75
V-PULLEY (Used w/46" Deck) MTD-656-0005

...
xx
"V" Pulley (Used w/20"Wheels w/o 46" Deck) MTD-656-0004

...
76
BELL WASHER MTD-936-0427

...
77
HEX JAM NUT 9/16-18 GR5 MTD-712-3035

...
78
Hex Bolt 3/8-24 x 1.75" Lg. MTD-710-0539

...
79
Variable Speed Belt MTD-954-0370

...
80
Snap Ring .56" Dia. MTD-916-0114

...
81
Fl-Wash. MTD-736-0355

...
82
Variable Speed Pulley Ass'y. 5" O.D. MTD-917-0800A

...
84
BRACKET ASSEMBLY-VAR SP MTD-16354B

...
85
Comp. Spring-Clip MTD-732-0525

...
86
BRACKET-AXLE SUPPORT MTD-17668A-0637

...
xx
BRACKET-AXLE SUPPORT (Not Shown) MTD-17669A-0637

...
88

...
89
Shift Lever Bracket MTD-17630A-0637

...
90
Teflon Washer .565" I.D. MTD-736-0414

...
91
Spacer 1" I.D. x 1.25" Lg. MTD-750-0956

...
92
Belt Keeper, .25 DIA X 3.0 MTD-911-1000

...
93
Safety Switch MTD-925-1657A

...
94
Shld. Bolt 3/8-24 x 3.12" Lg. MTD-938-0755

...
96
Transaxle Spacer (Use with 18" wheels or 46" deck) MTD-948-0334

...
97
Bell-Wash. .38" I.D. x .88" MTD-736-0105

...
98
Shaft 56" Dia. x 3.875" Lg. MTD-938-0569

...
99
Bell-Wash. .39" I.D. x 1.12" MTD-736-0331

...
100
Fl-Wash. MTD-936-0256

...
101
Cotter Pin 1/8" Dia. x 1.25" MTD-714-0470

...
102
Screw, 5/16-18 x .625 MTD-710-0604A

...
103
Hub Cap (Gray) (Optional) Code N MTD-734-1615A

...
xx
HUB CAP W/ (Optional) Code N MTD-734-1614A

...
xx
Hub Cap (Yellow-Optional) (Optional) Code N MTD-934-1788A

...
107
BRACKET-PEDAL MTD-17860-0637

...
109

...
111
Hex Bolt 1/4-28 x 50" Lg. MTD-910-0195

...
112
SPRING WASHER BELL MTD-736-0270

...
113
SHIFT LINK ASSEMBLY MTD-17707

...
115
Fl-Wash. .385" I.D. x .62" MTD-736-0140

...
116
Needle Brgs. MTD-741-0404

...
117
SPRING CLIP (Used w/Ref. No. 103) MTD-727-0425A

...
128
SCREW 5/16-18 x .875 GR5 HXFLG HD MTD-710-1238A

...
129
Hex Wash. AB-Tap Scr. 5/16-18x .75" Lg. MTD-710-0726

...
130
Hex Sems Nut 5/16-18 Thd. MTD-712-0265

...
131
Spring Switch MTD-932-0750A
...
...
...
...
...
Processing