Welcome,
My Cart
0 item(s)

Models

Parts


product name

Agway by MTD 13AM673G019 (1998) Lawn Tractor

Model: 13AM673G019 (1998)

Back To Assemblies

Save
Part Not Listed?Part Not Listed?

product name

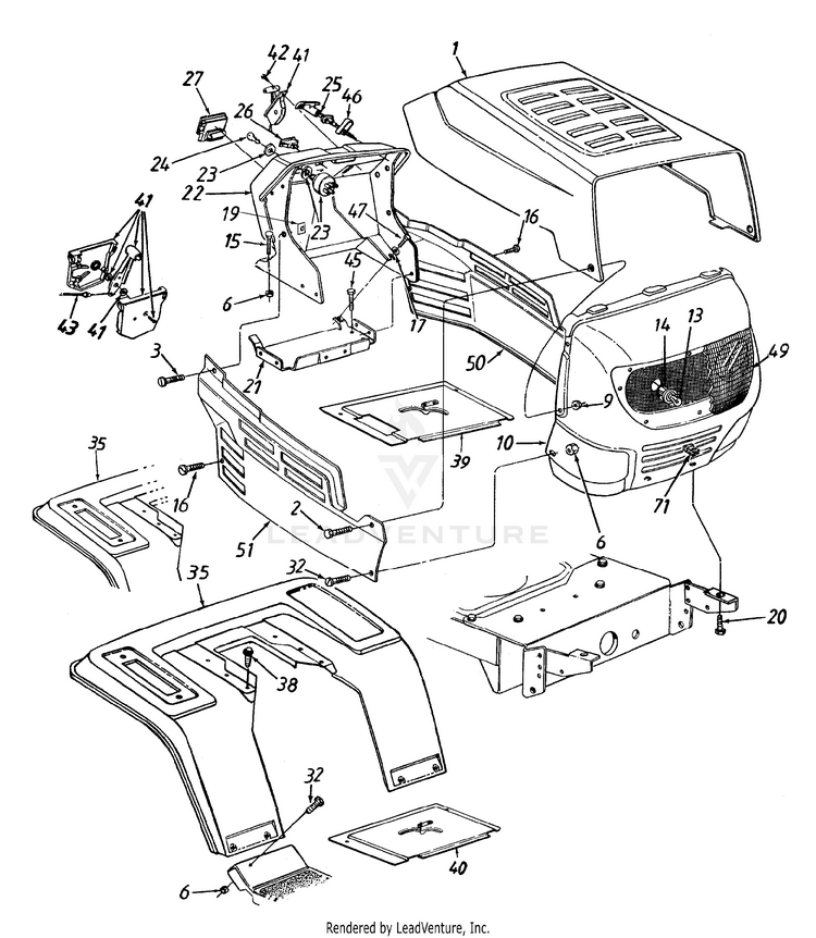
Hood (Style 3)

...
...
1
HOOD-STY O W/LOUVERS MTD-783-0250

...
2
Shoulder Bolt, .375 x .125 MTD-938-0952A

...
3
Pan Hd. Scr. 1/4-20 x .75" Lg. MTD-710-0924

...
6
Hex Sems Nut 1/4-20 Thd. MTD-712-0271

...
9
LOCK NUT 1/4 MTD-912-3027

...
10
GRILL:2 STYLE MTD-783-04979

...
13
Miniature Lamp 12V Socket Type MTD-925-0963

...
14
SQ HEADLIGHT SOCKET MTD-925-1651

...
15
Carriage Bolt 1/4-20 x .75" Lg. MTD-710-0703

...
16
Hex Wash. Hd. TT-Tap Scr.1/4-20 MTD-710-0599

...
17
Fl-Wash. .281" I.D. x .73" O.D. MTD-736-0173

...
19
SPEED NUT 1/4-20 MTD-712-0185

...
20
Hex Bolt 5/16-18 x 1" Lg. (Gr.5) MTD-710-0376

...
21
GAS TANK SUPPORT BRKT. MTD-17632A

...
22

...
xx
DASH PANEL MTD-731-1337A

...
23
Ignition Switch MTD-925-0267B


...
25
Choke Control 23" MTD-946-0616A

...
xx
Choke Control 38" Lg. MTD-746-0614A

...
xx
CHOKE CONTROL CABLE 29'' MTD-746-3021

...
xx
CHOKE CONTROL 20" MTD-746-0720

...
26
Light Switch Optional MTD-925-0634

...
27
Ammeter Optional MTD-925-0925

...
32
UNKNOWN MTD-NA

...
?34
FENDER-RR W/FRAME MTD-17870C

...
35
FENDER-RR MTD-17871B

...
38
Hex Wash. Hd. AB-Tap Scr. MTD-710-0726

...
39
SHIFT COVER MTD-17954B-0637

...
40
Shift Cover MTD-17286B-0637

...
41
Throttle Box Ass'y. MTD-831-0823A

...
42
Truss Mach. AB-Tap Scr.#10 x .5" MTD-710-0779A

...
43
Throttle Control Wire 18.5" MTD-946-0638

...
xx
Throttle Wire MTD-946-0634

...
xx
Throttle Control Wire 18.5" MTD-946-0638

...
45
Hex Wash. Hd. B-Tap Scr.5/16-18 MTD-710-0603

...
46
CLIP-CHOKE RETAINER MTD-17782

...
47
Hex TT-Tap Scr. 1/4-20 x .75" Lg. MTD-710-0642

...
49
KIT-SERVICE FOR 731-1503A MTD-753-06310

...
50
SIDE PANEL (LH) MTD-783-0151

...
51
SIDE PANEL (RH) MTD-783-0150A

...
71
U-Nut 5/16-18 Thd. MTD-726-0211

...
?72
Truss Mach. Scr. 1/4-20 x .5" Lg. MTD-710-0286

...
?74
HOOD LATCH MTD-732-0835

...
?75
Truss Mach. Scr. #10-24 x .5" MTD-710-0473

...
?76
Hex Sems Nut 10-24 Thd. Optional MTD-712-0272

...
xx
HEADLIGHT HARNESS (Not Shown) MTD-929-0469B
...
...
...
...
...
Processing