Welcome,
My Cart
0 item(s)

Models

Parts


product name

Agway by MTD 13A5670G019 (1997) Lawn Tractor

Model: 13A5670G019 (1997)

Back To Assemblies

Save
Part Not Listed?Part Not Listed?

product name

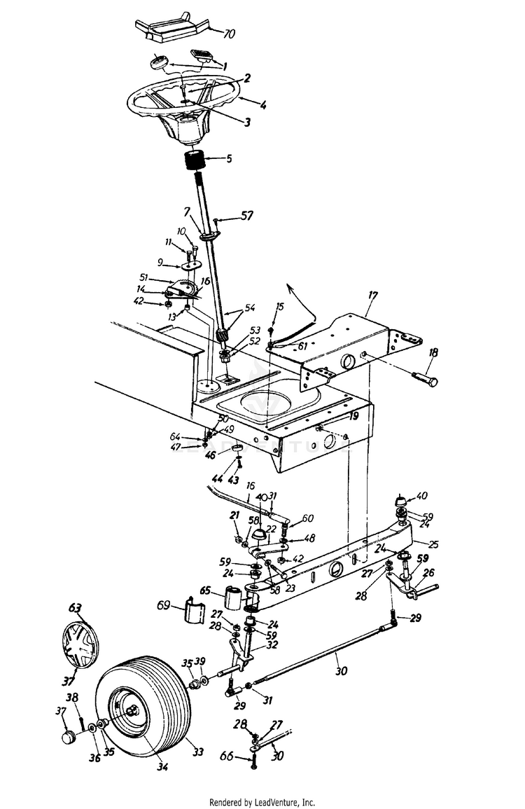
Front Steering Assembly

...
...
1
Steering Wheel Cap MTD-931-0220

...
xx
Steering Wheel Cap (Sq.--MTD) MTD-731-1459A

...
xx
STEERING WHEEL CAP (Square--No Logo) MTD-731-1460

...
2
Hex Bolt 5/16-18 x 1" Lg. MTD-710-0643

...
3
Belleville Wash. .345" I.D. MTD-736-0242

...
4
Steering Wheel (4 Spoke) Uses Round Steering Wheel Cap MTD-931-0027A

...
xx
STEERING WHEEL 5/8 SPLINED Uses Square Steering Wheel Cap MTD-931-1687

...
xx
Steering Wheel (4 Spoke) MTD-931-0027A

...
5
STEERING BELLOW (Style A) MTD-731-0559B

...
xx
STEERING BELLOW 9" (Style 0, 1, 3, 4, 5, 6, 8, 9) MTD-931-0954

...
xx
BELLOW-STEERING (Style 7) MTD-731-1542

...
?6
Hex Jam Nut 7/16-20 MTD-912-0240

...
7
Flange Bearing .628" I.D. x 1.36 O.D. (Style A) MTD-741-0587

...
?8
Ball Joints MTD-923-0448A

...
9
STABILIZER PLATE MTD-783P08577A

...
10
SHOULDER SCREW .437 DIA x .350 MTD-938-0141

...
11
Hex Bolt 3/8-24 x 1" Lg. MTD-710-1039

...
13
Spacer.380" I.D. x .625" O.D. x .227 MTD-950-0535

...
14
L-Wash. 3/8" I.D. (H.D.) MTD-736-0217

...
?15
Hex Wash. Hd. Self-Tap Scr. MTD-710-0726

...
16
Steering Drag Link New Part MTD-911-1107

...
17
PIVOT BAR BRACKET MTD-783-0041C

...
18
Shoulder Bolt .498" Dia. x 2.04Lg. 3/8-16 Thd. MTD-738-0527

...
19
Flange Lock Nut 3/8-16 MTD-912-0431

...
21
Hex L-Nut 5/16-24 Thd. MTD-712-0411

...
22
Steering Arm Front Axle MTD-983-0055-0637

...
23
Hex Bolt 5/16-24 x 2.00" Lg. (Gr. 5) MTD-710-0772

...
24
Hex Flg. Brg. .632 I.D. MTD-941-0659

...
25
Pivot Axle - Powder Black MTD-683-0128B-0637

...
26
Front Axle Ass'y. - L.H. MTD-983-0127

...
xx
Front Axle Ass'y-R.H. (46" Deck) 15" X 6" (Round & Square Shoulder) MTD-983-0125

...
27
Hex Nut 3/8-24 Thd. MTD-712-0241

...
28
L-Wash. 3/8" I.D. MTD-736-0169

...
29
Ball Joint, 3/8-24 MTD-923-3018

...
30
Tie Rod (Adjustable) MTD-747-0753

...
xx
Tie Rod (Non-Adjustable) MTD-747-0861-0637

...
31
Hex Jam Nut 3/8-24 Thd. MTD-712-0711

...
32
AXLE ASSEMBLY (RH) SHORT MTD-983-0126

...
xx
Front Axle Ass'y-L.H. (46" Deck) 15" X 6" (Round & Square Shoulder) MTD-983-0124

...
33
Wheel Ass'y. Comp. MTD-634-0056B-0911

...
xx
Wheel Ass'y comp. 15" X 6" (Square Shoulder) MTD-634-0105B

...
34
WHEEL RIM GREY MTD-753-0838-0662

...
xx
Tire Only 15 x 6 Round Shoulder MTD-734-0864

...
xx
Tire Only 15 x 6 Square Shoulder MTD-734-1731

...
xx
TUBELESS VALVE MTD-934-0255

...
35
Flange Bearing .632 ID MTD-741-0487C

...
36
Fl-Wash. .635 I.D. x 1.59" O.D. MTD-736-0285

...
37

...
xx
Spoked Hub Cap (Yellow) New Part; (Opt.) MTD-731-1787A

...
xx
HUB CAP-GRAY 6IN New Part; (Opt.) MTD-734-1613A

...
xx
HUB CAP W/SPRIG New Part; (Opt.) MTD-734-1612A

...
38
Cotter Pin 1/8" Dia. x 1.25" MTD-714-0470

...
39
Flat Washer, .635 x 1.24x x.181 MTD-736-04088

...
40
Push Cap 5/8" Dia. Rod MTD-726-0214

...
42
Hex Jam Nut 3/8-24 Thd. MTD-712-0262

...
43
Hex Patch Bolt 5/16-18 x .62" MTD-710-1309

...
44
UNKNOWN MTD-NA

...
46
Cap, 1.25 x .16 MTD-948-0389

...
47
Hex Cent. L-Nut 3/8-24 Thd. MTD-712-0214

...
48
L-Wash. 3/8" I.D. MTD-736-0169

...
49
Hex Cent. L.-Nut 5/16-18 Thd. MTD-912-0158

...
50
Lock Wash. 5/16" I.D. MTD-936-0119

...
51
Steering Gear Segment MTD-717-0622C

...
52
BRG:HEX FLNG 5/8 New Part MTD-941-0656A

...
53
Fl-Wash. (Hardened) MTD-736-0187

...
54
Steering Shaft New Part; MTD-738-0919B

...
57
Oval Hd. Cr.--Sunk Scr.#10 x 5/8" Lg. (Style A) MTD-710-0837

...
58
SPRING WASHER .317 X .625 X .020 MTD-936-0271

...
59
Fl-Wash. (Hardened) MTD-736-0187

...
60
Ball Joints MTD-923-0448A

...
61
UNKNOWN MTD-NA

...
63
SPRING CLIP (Used w/Spoked Hub Cap) MTD-727-0425A

...
64
BELL WASHER MTD-936-0356

...
65
End Cap, Pivot Bar (w/ Fitting) New Part (Optional) MTD-931-1291A

...
66
Hex Cap Screw 3/8-24 x 1.5 MTD-710-0459A

...
69
STANDARD AXLE CAP MTD-731-1649

...
70
STEERING WHEEL INSERT (Optional) MTD-931-0955

...
xx
Grease Fitting Round & Square Shoulder (Optional) MTD-737-0211A

...
xx
GREASE FITTING PLUG MTD-737-0212A
...
...
...
...
...
Processing