Welcome,
My Cart
0 item(s)

Models

Parts


product name

Agway by MTD 13A5670G019 (1997) Lawn Tractor

Model: 13A5670G019 (1997)

Back To Assemblies

Save
Part Not Listed?Part Not Listed?

product name

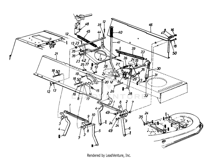
Deck Lift and Hanger

...
...
1
CONNECTING ROD MTD-783-0103-0637

...
2
PIVOT LINK (LH) MTD-983-0029A-0637

...
3
PIVOT LINK ASSEMBLY (RH) MTD-683-0028A

...
4
DECK HANGER LINK ASS'Y MTD-17710

...
5
HANGER-DECK LINK MTD-14800A

...
6
DECK HANGER LINK ASS'Y MTD-14804A

...
7

...
8
Fl-Wash. .344" I.D. x .62" O.D. MTD-736-0264

...
9
Lock Wash. 5/16" I.D. For faster service obtain standard nuts, bolts and washers locally. If these items cannot be obtained locally, order by part number and size as shown on parts list. MTD-936-0119

...
10
HEX NUT 5/16-18 MTD-712-3010

...
12
Cotter Pin 1/8" Dia. MTD-714-0470

...
13
Fl-Wash. MTD-936-0256

...
14
HEIGHT ADJUSTER STOP LEVER ASSEMBLY (Incl. Ref. 15); Optional Parts MTD-683-0003

...
15
KNOB-HGT ADJ-BLACK Optional Parts MTD-08540

...
16
Screw, 5/16-18 x .625 MTD-710-0604A

...
17
Flange Brg. .63" I.D. Optional Parts MTD-748-0176

...
18
SCREW 5/16-18 x .875 GR5 HXFLG HD MTD-710-1238A

...
?19
Hex Bolt 5/16-18 x .75" Lg. MTD-710-0118

...
20
Index Brkt. MTD-783-04113P

...
21
UPPER FRAME (RH) MTD-783-0042D

...
23
FLAT WASHER .38X.88 MTD-736-0267

...
24
Fl-Wash. .531" I.D. x .93" O.D. MTD-736-0160

...
25

...
26
ROD-RUNNING BOARD MTD-738-0526

...
27
Hex Wash. Hd. Tap Scr. MTD-710-3007

...
28
DECK LIFT LINK (POWDER BLACK) MTD-14802A-0637

...
29
FERRULE 3/8-24 x .375 x 1.31 LG MTD-911-0723A

...
30
Adj. Deck Lift Link MTD-17712-0637

...
31
Hex Nut 1/2-20 Grade 5 MTD-912-3066

...
32
LIFT ADJUSTMENT LINKER MTD-911-0841

...
33
LIFT SHAFT ASS'Y MTD-17637A

...
34
Safety Switch MTD-925-1657A

...
35
Inter, Cotter Pin 3/8" Dia. MTD-714-0145

...
36
EXTENSION SPRING MTD-932-0637

...
37
STABILIZER BRACKET BLACK MTD-17636D-0637

...
38
SHAFT .50 DIA x 10.50 LG MTD-738-0670A

...
39
EXTENSION SPRING MTD-732-0638

...
40
LIFT HANDLE GRIP MTD-720-0233

...
41
DECK LIFT HANDLE ASS'Y. MTD-97675A

...
42
ROD .380 DIA x 9.34"L MTD-738-0669

...
43
Disengagement Rod MTD-747-0598

...
44
SHAFT ASSY (POWDER BLACK) MTD-97624-0637

...
45
Ext. Spring .94" O.D. x 7.58" MTD-932-0556

...
46
UPPER FRAME (LH) MTD-783-0043B

...
47
Flange Bearing .632 ID MTD-741-0487C

...
48
Spring Retainer Brkt. MTD-17128A-0637

...
49
E-RING FOR .500 MTD-916-0104

...
50
Bell-Wash. .325" I.D. MTD-736-0425
...
...
...
...
...
Processing