Welcome,
My Cart
0 item(s)

Models

Parts


product name

Agway by MTD 13A5450F019 (1998) Lawn Tractor

Model: 13A5450F019 (1998)

Back To Assemblies

Save
Part Not Listed?Part Not Listed?

product name

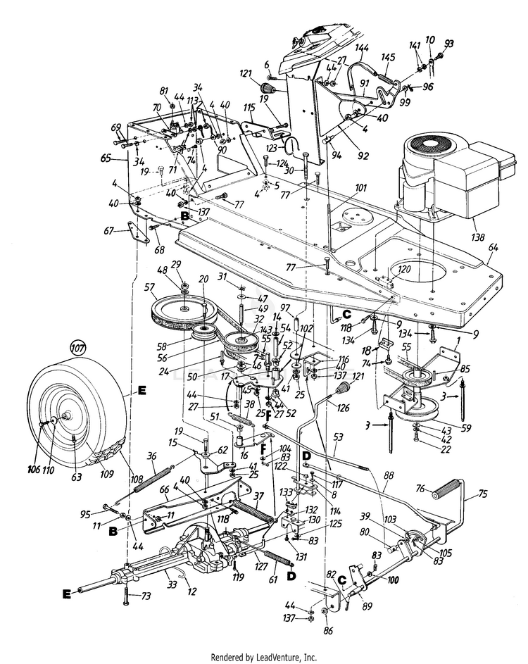
Wheels, Rear/Drive/Frame Assembly

...
...
1
ENGINE GUARD MTD-783-0265A

...
2
Hex Lock -Nut 1/4-20 Thd. MTD-712-0291

...
3
Belt Guard Pin MTD-711-1044A

...
4
HEX NUT 5/16-18 MTD-712-3010

...
5
Bell-Washer .345" I.D. x .88 MTD-736-0242

...
6
Truss-Mach. Scr. 1/4-20 x .50" MTD-710-0286

...
7
Belt Keeper, .25 DIA X 3.0 MTD-911-1000

...
8
SPRING WASHER BELL MTD-736-0270

...
9
Flat Washer 3/8" I.D. x .97" O.D. MTD-736-3072

...
10
SPEED SELECTOR BRACE MTD-749-0836A

...
11
Hex Nut 1/4-28 Thd. MTD-712-0138

...
12
Brake Return Spring Anchor MTD-932-0722A

...
14
FLAT WASHER .406 ID X 1 1/4 OD MTD-736-0247

...
15
BRACKET-IDLER NLAUD MTD-17694-0637

...
16
Variable Speed Torque Brkt. Ass'y. MTD-16554A-0637

...
17
BRACKET ASSEMBLY. VAR. Code N MTD-16676B

...
18
Switch Plate MTD-17962

...
19
SCREW 5/16-18 x .75 GR5 MTD-710-3008

...
20
Hex Bolt 3/8-24 x 2.0" Lg. Gr. 5 MTD-710-0151

...
22
Hex Bolt 7/16-20 x 1.5" Lg. MTD-710-0757

...
24
Belt Keeper, .25 DIA X 3.0 MTD-911-1000

...
25
Hex Nut 3/8-24 Thd. MTD-712-0241

...
27
HEX NUT 1/4-20 MTD-912-0287

...
29
HEX JAM NUT 9/16-18 GR5 MTD-712-3035

...
30
Hex Bolt 3/8-24 x 3.75" Lg. MTD-710-0902

...
31
Snap Ring .56" Dia. MTD-916-0114

...
32
Variable Speed Pulley Ass'y. 5" O.D. Code N MTD-917-0800A

...
33
SINGLE TRANSMISSION ASSEMBLY MTD-618-0166A

...
34
Ext. Lock Washer 5/16" I.D. MTD-736-0607

...
36
EXTENSION SPRING MTD-932-0384

...
37
Ext. Spring .94" O.D. x 6.7 MTD-732-0459C

...
38
EXTENSION SPRING MTD-732-0568

...
39
Fl-Wash. MTD-936-0117

...
40
Lock Wash. 5/16" I.D. MTD-936-0119

...
41
Lock Washer 3/8" I.D. MTD-736-0169

...
42
Lock Washer 7/16" I.D. MTD-736-0171

...
43
Flat Washer .450" I.D. x 1.25" MTD-736-0322

...
44
L-Wash. 1/4" I.D. MTD-936-0329

...
45
Bell-Washer .39" I.D. x 1.13" MTD-736-0331

...
46
Flat Washer .56" I.D. x 1.0" O.D. MTD-736-0355

...
47
Washer Teflon .565 I.D. MTD-736-0414

...
48
BELL WASHER MTD-936-0427

...
49
Shaft 56" Dia. x 3.875" Lg. MTD-938-0569

...
50
THRUST BEARING MTD-941-0405

...
51
FLANGE BEARING MTD-741-0419

...
52
NYLINER BEARING MTD-741-0495

...
53
SPEED CONTROL ROD MTD-747-0599B

...
54

...
55
Variable Speed Belt MTD-954-0280A

...
56
Variable Speed Belt MTD-954-0281

...
57
V-PULLEY (8.0X5/8-36) MTD-656-0003

...
58
Fl-ldler Pulley 3.25" x 1.0" Code N MTD-756-0643A

...
59
Dbl. Pulley 6.0" Dia. x 3.56" MTD-753-0905

...
61
Ext. Spring .59n O.D. x 7 08" MTD-932-0413

...
62
Shld. Spacer .500" Dia. MTD-748-0234

...
63
TUBELESS VALVE MTD-934-0255

...
64
FRONT FRAME Code N MTD-17588C

...
65
FRAME-REAR COLOR MTD-783-0180A

...
66
BRACKET-TRANSMISSION MTD-16654A-0637

...
67
BRACKET-TRANSMISSION MTD-16659-0637

...
68
Hex Washer AB-Tap Scr. 5/16 x .75" Lg. MTD-710-0726

...
69
SCREW 1/4-20 x .620 GR5 MTD-710-0751

...
70

...
71
CIRCUIT BREAKER MTD-753-0685

...
?72
External Lock Washer 1/4" I.D. MTD-736-0222

...
73
Hex Bolt 5/16-18 x 2.75" Lg. MTD-710-0176

...
74
Truss Mach. B-Tap Scr. #10 x .50" Lg. MTD-710-0351

...
75
ROD ASSEMBLY-F MTD-17644A

...
76

...
77
Ribbed Neck Bolt 5/16-24 x .84" MTD-710-1012

...
80

...
81
Hex Sems Nut 1/4-20 Thd. MTD-712-0271

...
82
Cotter Pin 1/8" Dia. x 1.25" Lg. MTD-714-0470

...
83
Cotter Pin 3/32" Dia. x .75" Lg. MTD-714-0507

...
85
Sq. Key 1/4" x 1/4" x 2.00" MTD-914-0114

...
86
Fl-Wash. MTD-936-0256

...
88
BRAKE ROD MTD-747-0593

...
89
SPACER-5/8 ID x 1..21 LG MTD-750-0800


...
91
LEVER-SPEED SELECTOR MTD-17457B

...
92
5 SPD. SELECTOR BRKT. MTD-16693B

...
xx
BRACKET-7-SPEED MTD-16694B

...
93
SHOULDER SCREW 5/16-18 x .62 GR2 MTD-738-0138A

...
94
Engagement Ferru MTD-911-0677

...
95
HEX SCREW 1/4-28 x 1.25 GR5 MTD-710-0428

...
96
Internal Cotter Pin 5/16" Dia. MTD-714-0104

...
97

...
99
Flat Washer .344" I.D. x .62" MTD-736-0264

...
100
Flat Washer .25" I.D. x .62" O.D. MTD-736-0463

...
101
SPEED CONTROL ROD MTD-747-0675A

...
102
Flat Washer 3/8" I.D. x 1.25" O.D. MTD-736-0133

...
103
Cotter Pin 1/8" Dia. x 1.0" Lg. MTD-714-0115

...
104
FLAT WASHER MTD-736-0275

...
105
Flat Washer .34" I.D. MTD-736-0278

...
106
Hex Lock Bolt 5/16-24 x .75" Lg. MTD-710-0627

...
107
WHEEL ASSEMBLY W/TIRE 18 x 9.5 x COLOR MTD-734-0817

...
108
TIRE-18.0X9.50-8-DOGBONE TRD MTD-734-0448

...
109
RIM ASSEMBLY (8.0 x 7.0 x .750) MTD-634-04369

...
110
Bell-Washer .345" I.D. x .88" MTD-736-0242

...
113
Hex Jam Nut 1/4-20 Thd. MTD-912-0298

...
114
LINK-SHIFT LEVER ADJ MTD-17178A

...
115

...
116
BRAKE ROD GUIDE ASS'Y. MTD-17597

...
117
Hex Bolt 1/4-20 x .50" Lg. MTD-910-0289

...
118
Hex Washer Hd. Tap Scr. 1/4-20 x .5" Lg. MTD-710-0599

...
119
Internal Cotter Pin MTD-714-0149B

...
120
Safety Switch Code N MTD-925-1657A

...
121

...
122
PUSH NUT MTD-726-0106

...
123
Compression Spring 1.5" Lg. MTD-732-0525

...
124
Hex Washer Hd. Scr. 5/16-18 x 7/8" Lg. MTD-710-0650

...
125
Flat Washer .469" I.D. x .88" MTD-736-0226

...
126
SHIFT ROD ASSEMBLY MTD-747-0694A

...
127
SHIFT ROD MTD-747-0685

...
130
LEVER-SHIF MTD-17179

...
131
Hex Washer Hd. #8 x .50" Lg. MTD-710-0227

...
132
Insulatop Nut Plate MTD-926-0320

...
133
KIT-SAFETY SWITCH MTD-753-0580

...
134
Hex Tap Scr. 3/8-16 x 1.25" MTD-710-0502A

...
?135
Hex Bolt 5/16-24 x 11/4" Lg. Gr. 5 MTD-710-0672

...
137
Hex Nut 5/16-24 Thd. MTD-912-3057

...
138
Engine MTD-NA

...
141
Spr. Wash. 7/16" I.D. MTD-936-0141

...
143
Needle Brg. MTD-741-0404

...
144
7 SPD INDICATOR STRIP MTD-777-9586A

...
xx
STRIP-5 SP MTD-777-0404A

...
xx
SPEED INDICATATOR HOOK MTD-747-0816

...
145
EXTENSION SPRING MTD-732-0691
...
...
...
...
...
Processing