Welcome,
My Cart
0 item(s)

Models

Parts


product name

Agway by MTD 13A5450F019 (1998) Lawn Tractor

Model: 13A5450F019 (1998)

Back To Assemblies

Save
Part Not Listed?Part Not Listed?

product name

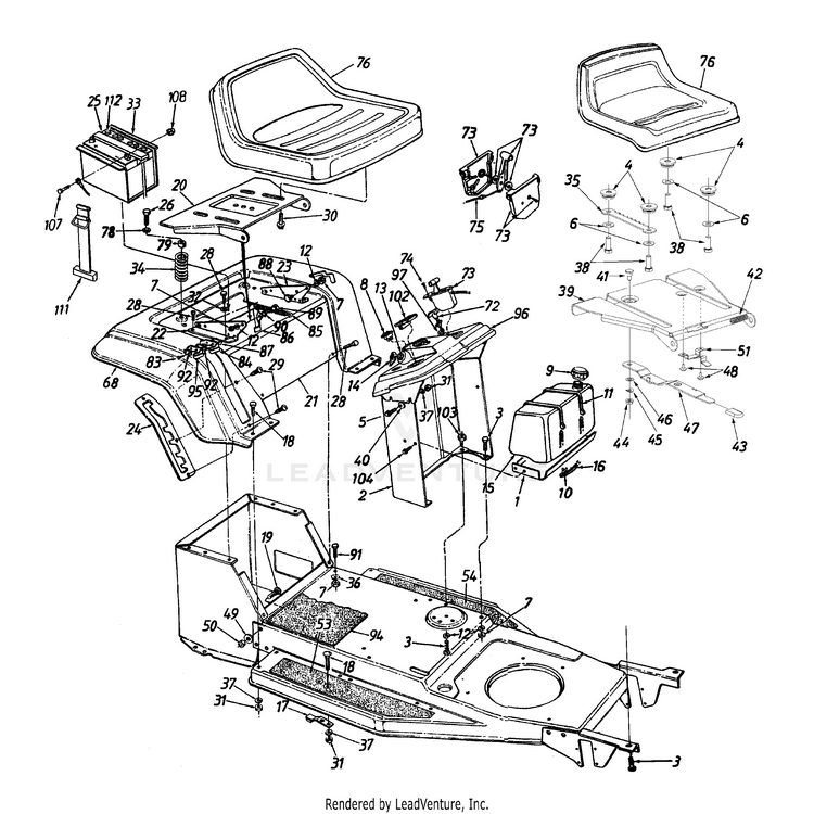
Fender/Dash Assembly/Battery/Fuel Tank/Seat

...
...
1
BRACKET-TANK SUPPORT MTD-17932-0637

...
2
PEDESTAL MTD-17933A

...
3
SCREW 5/16-18 x .75 GR5 Obtain locally for faster service. MTD-710-3008

...
4
KIT-ADJUSTABLE SEA Optional; Code N MTD-753-0842

...
5
SCREW 1/4-20 x .620 GR5 MTD-710-0751

...
6
Fl-Wash. .406" I.D. x .875" O.D. Optional MTD-736-0300

...
7
HEX NUT 5/16-18 Obtain locally for faster service. MTD-712-3010

...
8
Light Switch (Optional) MTD-925-0634

...
9

...
10
Hose Clamp MTD-726-0205

...
11
Cable Tie MTD-726-0230

...
12
Lock Washer 1/4" I.D. Obtain locally for faster service. MTD-736-0222

...
13
Ignition Switch MTD-925-0267B


...
15
FUEL TANK 1.36 GAL MTD-751-0555D

...
16
FUEL HOSE 1/4-24" MTD-751-22813-24

...
17
BLADE BRAKE ASSEMBLY MTD-961-0194A

...
18
Carriage Bolt 1/4-20 x .62" MTD-710-0134

...
19
SCREW 3/8-24 x .80 MTD-710-0793

...
20
SEAT PIVOT BRACKET MTD-783-0039A

...
21
FENDER-400 SERIES MTD-783-0354

...
22
SEAT HINGE SUPPORT BRKT. (RH) MTD-17704

...
23
SEAT HINGE SUPPORT BRKT. (LH) MTD-17703

...
24
BRACKET-DECK INDEX MTD-17553

...
25
BATTERY Code N MTD-925-1707D

...
xx
Battery, Wet MTD-725-1704C

...
26
Hex Self-Tap Screw 5/6-18 1.25" Lg. MTD-710-0817

...
?27
Truss Mach. Scr. 1/4-20 x.75" Lg. MTD-710-0924

...
28
Hex AB-Tap Scr. 5/16 x .75" Lg. MTD-710-0726

...
29
Torx Mach. AB-Tap Scr. MTD-710-1017

...
30
Hex Self-Tap Scr. 3/8-16 x.62" MTD-710-0870

...
31
HEX NUT 1/4-20 MTD-912-0287

...
32
External Lock Washer 5/16" I.D. MTD-736-0607

...
33
BATTERY TRAY MTD-783-0349

...
34
COMPRESSION SPRING MTD-732-0588

...
35
SEAT SELECTOR MTD-783-0610

...
36
Bell-Washer 5/16" I.D. MTD-736-0242

...
37
L-Wash. 1/4" I.D. Obtain locally for faster service. MTD-936-0329

...
38
Hex Bolt 3/8-16 x 1" Lg. Optional MTD-710-0514

...
39
SEAT PIVOT BRACKET Optional; Code N MTD-783-0607

...
40
SPRING WASHER BELL MTD-736-0270

...
41
Shld. Bolt .34" x 1/4-20 Thd.42 MTD-738-0137A

...
42
Compression Spring Optional MTD-732-0499

...
43
Seat Adj. Grip MTD-720-0309A

...
44
LOCK NUT 1/4 Optional MTD-912-3027

...
45
Spring Wash. .265 I.D. x .562 O.D. Optional MTD-936-0175

...
46
Fl-Wash. .344" I.D. Optional MTD-736-0204

...
47
LEVER SEAT Optional; Code N MTD-783-0609

...
48
Hex Wash. Hd. B-Tap Scr. Optional MTD-710-1268

...
49
Lock Washer 3/8" I.D.H.D. MTD-736-0217

...
50
Hex Lock Nut 3/8-24 THd. MTD-712-0241

...
51
Seat Stop Optional; Code N MTD-783-0611

...
53
Foot Pad-R.H. (Abrasive) Optional MTD-725-0308C

...
xx
FOOT PAD RUBBER (RH) Optional MTD-735-0252

...
54
Foot Pad-L.H. (Abrasive) Optional MTD-725-0309C

...
xx
FOOT PAD RUBBER (LH) Optional MTD-735-0253

...
68
Trim Strip 81" Lg. MTD-731-0511-81

...
72
Choke Control 23" MTD-946-0616A

...
73
Throttle Control Box MTD-831-0823A

...
74
Truss AB-Tap Scr. #10 x .5" MTD-710-0779A

...
75
Throttle Control Wire 18.5" MTD-946-0638

...
xx
Throttle Control Wire 18.5" MTD-946-0638

...
76
LOW BACK SEAT BLACK W/SWITCH Code N MTD-957-0378

...
xx
SEAT Code N MTD-957-0360A

...
xx
SEAT-V-550 4 BOLT Code N MTD-757-0348A

...
xx
Seat - 14-1/4" High MTD-957-0350

...
xx
SEAT (TECH GRAY) MTD-957-0370A

...
78
Flat Washer .344" I.D. x .88" O.D. MTD-736-0159

...
79
RUBBER BUSHING .318IDX.930OD MTD-722-0160

...
83
Hex Tap Scr. #8 x .5" Lg. MTD-710-0227

...
84
Safety Switch (Inner) MTD-725-1439

...
85
Extension Spring MTD-932-0581B

...
86
BRACKET-SEAT LIFT MTD-17239C

...
87
Insulator Boss Plate MTD-726-0278

...
88
Shoulder Bolt MTD-938-0155

...
89
Shld. Bolt .437" Dia. x .268" Lg. MTD-738-0296

...
90
Spr. Wash. 7/16" I.D. MTD-936-0141

...
91
Screw, 5/16-18 x .625 MTD-710-0604A

...
92
Insulator Plate MTD-726-0279

...
94
PAD-CENTER FOOT Optional MTD-723-0423

...
xx
FOOT PAD RUBBER CTR Optional; Code N MTD-735-0254

...
95
Outer Seat Spring Switch MTD-925-1303

...
96
DASH PANEL MTD-731-1228

...
xx
DASH PANEL MTD-731-1502

...
97
CLIP-CHOKE RETAINER MTD-17782

...
102
Ammeter (Optional) MTD-925-0925

...
103
Hex Jam Nut 5/16-18 Thd. MTD-712-3007

...
104
Hex Washer Hd. Tap Scr. MTD-710-0599

...
?106
Ext. Lock Washer 1/4" I.D. MTD-736-0222

...
107
Hex Bolt 1/4-20 x .75" Lg. MTD-710-3015

...
108
Hex Sems Nut 1/4-20 Thd. MTD-712-0271

...
111
BATTERY STRAP MTD-723-0444

...
112
Battery Cap MTD-725-0689
...
...
...
...
...
Processing