Welcome,
My Cart
0 item(s)

Models

Parts


product name

Agway by MTD 136L670G019 (1996) Lawn Tractor

Model: 136L670G019 (1996)

Back To Assemblies

Save
Part Not Listed?Part Not Listed?

product name

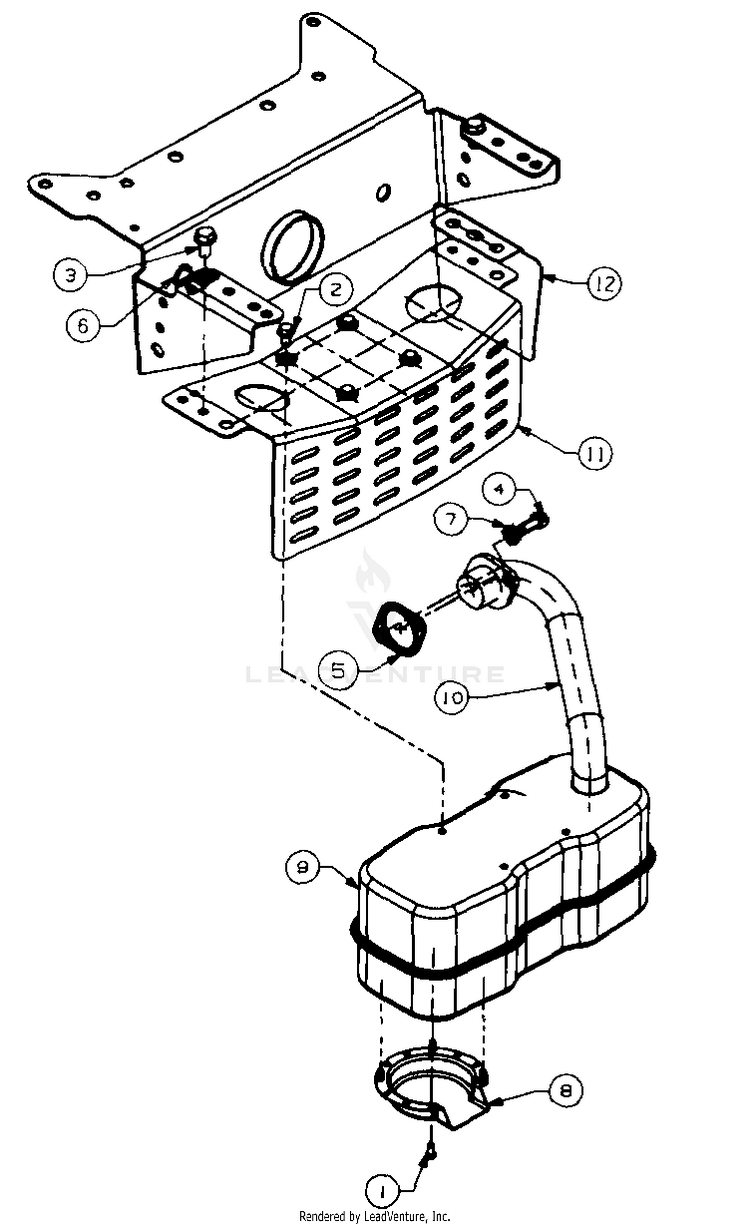
Muffler Assembly

...
...
1
Hex Slot Scr #8-32 x 38" Lg MTD-710-0148

...
2
Hex Wash. TT-Tap Scr. 1/4-20 x .5" Lg. MTD-710-0599

...
3
Screw, 5/16-18 x .625 MTD-710-0604A

...
4
Socket Screw, 5/16-18 x .750 MTD-710-1314A

...
5
Gasket-Exhaust MTD-BS-692236

...

...
7
Lock Wash. 5/16" I.D. MTD-936-0119

...
8
Muffler Deflector MTD-751-0564B

...
9
Single Inlet Muffler MTD-951-0617C

...
10
EXHAUST PIPE MTD-751-0618A

...
11
Muffler Heat Shield New Part MTD-783-0615E-0637

...
12
SHIELD BRACKET New Part MTD-783-0385
...
...
...
...
...
Processing