Welcome,
My Cart
0 item(s)

Models

Parts


product name

Agway by MTD 136I450F019 (1996) Lawn Tractor

Model: 136I450F019 (1996)

Back To Assemblies

Save
Part Not Listed?Part Not Listed?

product name

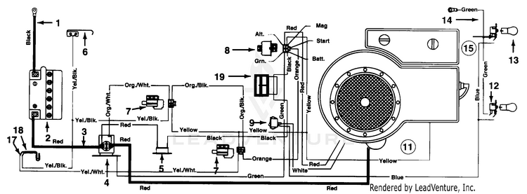
Electrical/Switches

...

...
2
BATTERY New Part MTD-925-1707D

...
3
WIRE W/BOOT MTD-725-1351

...
4

...
5
CIRCUIT BREAKER MTD-753-0685

...
6
Spring Switch (Reverse) MTD-732-1644

...
7
Safety Switch New Part MTD-925-1657A

...
8
Ignition Switch MTD-925-0267B

...
9
Light Switch (Optional) MTD-925-0634

...
11
Harness w/Amp & Light Switch MTD-929-0195A

...
12
SQ HEADLIGHT SOCKET MTD-925-1651

...
13
Miniature Lamp 12V Socket Type MTD-925-0963


...
15
WIRE HARNESS MTD-629-0086

...
15
HARNESS W/O SWITCH MTD-629-0103

...
17
Outer Seat Spring Switch MTD-925-1303

...
18
Safety Switch (Seat) MTD-725-1439

...
19
Ammeter (Optional) MTD-925-0925
...
...
...
...
...
Processing