Welcome,
My Cart
0 item(s)

Models

Parts


product name

Agway by MTD 136-698D019 (82-2228) (1986) Lawn Tractor

Model: 136-698D019 (82-2228) (1986)

Back To Assemblies

Save
Part Not Listed?Part Not Listed?

product name

Parts04

...
...
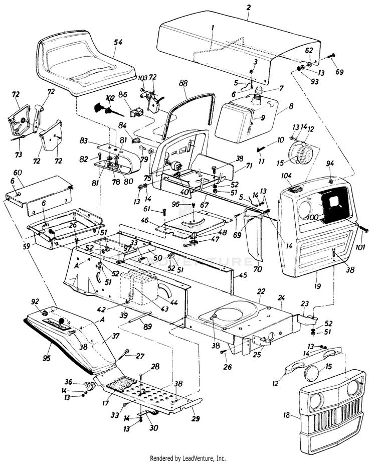
1
HOOD SPRING MTD-732-0414

...
2
Hood (Used with Grille Assembly Ref. No. 18) MTD-14616

...
xx
HOOD (Used with Grille Assembly Ref. No. 19) MTD-14665

...
3
Hex Sems Nut #10-24 Thd. MTD-712-0272

...
5
Hood Stop 7" Lg. MTD-723-0302

...
6
Truss Hd. Scr. #10-24 x 1/2"* MTD-710-0473

...
7
GAUGE-GAS MTD-723-0333

...
8
KIT-FUEL TANK W/CA MTD-753-0503

...
9
Cable Tie MTD-726-0230

...
10
FUEL HOSE 1/4-24" MTD-751-22813-24

...
11
HOSE CLAMP MTD-726-0207

...
12
Headlight Retainer (Used with Grille Assembly Ref. No. 18) MTD-14672

...
xx
RING HOLDE (Used with Grille Assembly Ref. No. 19) MTD-09960

...
13
HEX NUT 1/4-20 MTD-912-0287

...
14
L-Wash. 1/4" I.D. MTD-936-0329

...
15
Head Light (Optional Part) MTD-925-0222

...
17
FOOT PAD (Optional Part) MTD-723-0360

...
18
Grille Ass'y. (Optional Part) MTD-14635

...
xx
Grille Without Headlights MTD-14612

...
19
GRILLE (Optional Part) MTD-14781

...
xx
Grille Without Headlights MTD-14786

...
22
LOWER FRAME MTD-15930

...
23
BRACKET-GR MTD-13863

...
24
Front Pivot Brkt. MTD-14619

...
25
BRACKET-GR MTD-13862

...
26
Hex Wash. Hd. AB-Tap Scr. 5/16 x .75" Lg. MTD-710-0726

...
27
CARR. BOLT 1/4-20 x 1.75" LG. MTD-710-0495

...
28
Carriage Bolt 1/4-20 x .62"* MTD-710-0134

...
29
Running Board (R.H. & L.H.) MTD-14604

...
30
Blade Brake Ass'y. (Refer to Deck Breakdown) MTD-NA

...
33
Truss Mach. Scr. 5/16-18 x .75" Lg.* MTD-710-0323

...
36
CLAMP-FEND MTD-14671

...
37
Fender (R.H.) MTD-16197

...
xx
FENDER (L.H.) MTD-14666

...
xx
FENDER-RR (R.H.) -Used w/36" & 40" Rear Discharge Decks MTD-16198

...
xx
FENDER (L.H.) -Used w/36" & 40" Rear Discharge Decks MTD-15350

...
38
Hex Bolt 5/16-18 x .75" Lg. MTD-710-0118

...
39
FRAME-SIDE (RH) MTD-14602G-0637

...
40
Hex Bolt 1/4-20 x .62" Lg. MTD-710-0258

...
42
HOOK-BATTERY STRAP MTD-747-0475

...
43
STRAP-RUBBER MTD-731-0718

...
44

...
45
L.H. SIDE FRAME MTD-14603

...
46
Shift Cover MTD-16433

...
47
SAFETY SWITCH KIT MTD-725-0759

...
48
Insulatop Nut Plate MTD-926-0320

...
50
Hitch Plate MTD-14607

...
51
HEX NUT 5/16-18 MTD-712-3010

...
52
Lock Wash. 5/16" I.D. MTD-936-0119

...
54
SEAT (Used w/Hex Nut) MTD-757-0264

...
xx
SEAT-SAFETY MTD-757-0322

...
xx
Seat Ass'y. (Used w/Hex Bolts) MTD-757-0299

...

...
59
Tool Tray (Optional Part) MTD-731-0561

...
60
FENDER PANEL (Optional Part) MTD-14789

...
61
Truss Mach. Tap Scr. #10 x .50" Lg. MTD-710-0351

...
62
Fl-Wash. .281 I.D. x .73 O.D. MTD-736-0173

...
67
SUPPORT ROD (R.H. & L.H.) MTD-749-0517

...
69
Truss Mach. Scr. 1/4-20 x.75" Lg. MTD-710-0924

...
70
SIDE PANEL (Used with Grille Assembly Ref. No. 18) MTD-14670

...
xx
R.H.-Grille Side Panel (Used with Grille Assembly Ref. No. 19) MTD-14748

...
xx
L.H.-Grille Side Panel (Used with Grille Assembly Ref. No. 18) MTD-14669

...
xx
L.H.-Grille Side Panel (Used with Grille Assembly Ref. No. 19) MTD-14749

...
71
Dash Panel Ass'y. MTD-16184

...
xx
PANEL ASSEMBLY-DASH MTD-15935

...
xx
DASH W/O LIGHTS OR AMMETER MTD-15938

...
72
Throttle Control Box Ass'y. MTD-831-0823A

...
73
Throttle Control Wire-B&S MTD-746-0501

...
xx
Throttle Control Wire 18.5" MTD-946-0638

...
75
Ignition Switch MTD-925-0267B

...
78
HEX NUT (Optional) MTD-712-0206


...
80
HEX SCREW 1/2-13X1.00 (Optional) MTD-710-0865

...
81
L-Wash. 1/2" I.D. MTD-736-0921

...
82
Hex Bolt 5/16-18 x 1.0"* MTD-710-0376

...
83
SEAT SPRING MTD-732-0458

...
84
Light Switch (Optional Part) MTD-925-0634

...
86
Ammeter (Optional Part) MTD-925-0925

...
88
Molding Strip 27" Lg. MTD-731-0511

...
89
ROD-RUNNING BOARD MTD-738-0526

...
92
Hex Sems Nut #10-24 Thd. MTD-712-0272

...
93
RUBBER WASHER MTD-735-0144

...
94
Hex Sems Ins. L-Nut 1/4-20 Thd. MTD-712-0324

...
95
Trim Strip-57" Lg. MTD-731-0511

...
96
Hex Wash. Hd. AB-Tap Scr. #8 x .50" Lg. MTD-710-0227

...
97
Speed Nut #10Z MTD-726-0139

...
100
BEZEL-HEADLAMP (Optional Part) MTD-731-0465

...
101
Hex Wash. F-Tap Scr. #8 x .38" (Optional Part) MTD-710-0148

...
102
CHOKE CONTROL 29" MTD-946-0615A

...
103
Truss Mach. AB-Tap Scr. #10 x .5" Lg. MTD-710-0779A

...
104
Foam Strip 3/8 x 1-1/8 x 11/2 MTD-722-0157
...
...
...
...
...
Processing