Welcome,
My Cart
0 item(s)

Models

Parts


product name

Agway by MTD 136-632-019 (82-2223) (1986) Lawn Tractor

Model: 136-632-019 (82-2223) (1986)

Back To Assemblies

Save
Part Not Listed?Part Not Listed?
product name

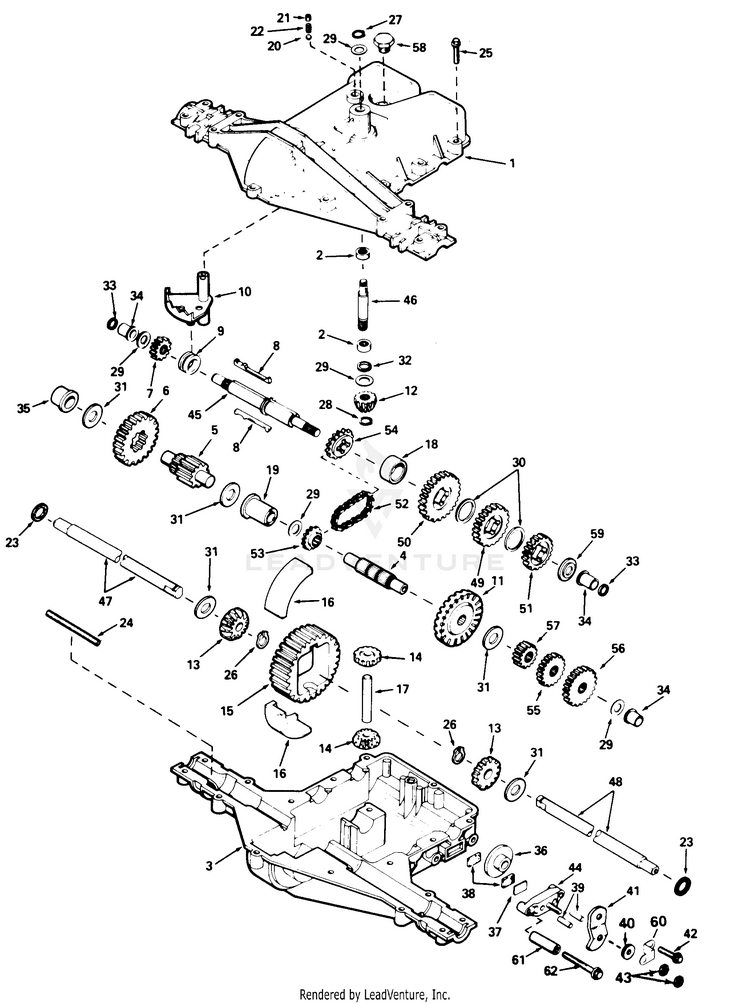
Three Speed Peerless Transaxle

...
...
1
Cover, Transaxle MTD-772089

...
2
Bearing, Needle MTD-780086

...
3
Case, Transaxle MTD-770075

...
4
Shaft, Counter MTD-776218

...
5
Shaft & Pinion Ass'y., Output MTD-776219

...
6
Gear, Output MTD-778139

...
7
Gear, Spur (15 Teeth) MTD-778136


...
9
Collar, Shifter MTD-784216

...
10
Rod & Fork Ass'y., Shift MTD-784330

...
11
SPUR GEAR-42T MTD-TC-778137A

...
12
BEVEL GEAR-INPUT MTD-TC-778113A

...
13
Gear, Bevel MTD-778067

...
14
Gear, Bevel Pinion MTD-778068

...
15
Gear, Ring MTD-778165

...
16
Block, Bearing MTD-786101

...
17
Pin, Drive MTD-786040

...
18

...
19
Bushing, Flanged MTD-780129

...
20
Ball, Steel (5/16" Dia.) MTD-792077

...
21
Set Screw, 3/8-16 x 3/8 MTD-792078

...
22

...
23
SEAL RING MTD-TC-788061

...
24
Packing, Felt MTD-788062

...
25
Screw, Flanged Hex Hd. Thd. Forming, 1/4-20 x 1-1/4 MTD-792073

...
26
Ring, Retainer MTD-792018

...
27
Retaining Ring MTD-TC-792035

...
28
Ring, Retainer MTD-788040

...
29
THRUST WASHER MTD-TC-780072

...
30
Shift Washer (Cupped) MTD-TC-780108

...
31

...
32
RING-QUAD MTD-TC-792001

...
33
Seal, Square Cut MTD-788051

...
34
FLANGED BUSHING MTD-TC-780105A

...
35
Bushing, Flanged MTD-780118A

...
36
BRAKE-DISC MTD-TC-790003

...
37
PLATE-BRAKE PAD MTD-TC-790007

...
38
BRAKE PAD KIT (1 PKG = 2 PADS ) MTD-TC-799021

...
39
DOWEL PIN MTD-TC-786026

...
40
Washer, Flat MTD-792076

...
41
Lever, Brake MTD-790004

...
42
Screw, Flanged Hex Hd. Thd. Forming, 1/4-20 x 1-1/4 MTD-792073

...
43
Nut, Lock, 5/16-24 MTD-792075

...
44
Holder, Brake Pad MTD-790025

...
45
Shaft, Brake MTD-776220

...
46
Shaft, Input MTD-776140

...
47
Axle (12-1/2" Lg.) MTD-774602

...
48
Axle (15-3/8" Lg.) MTD-774603

...
49
SPUR GEAR (25 TEET MTD-TC-778123A

...
50
Gear, Spur (35 Teeth) MTD-778125

...
51
Gear, Spur (20 Teeth) MTD-778121A

...
52
Chain, Roller (No. 41 Chain, 24 Links) MTD-786081

...
53
Sprocket (9 Teeth) MTD-786082

...
54
Sprocket (18 Teeth) MTD-786107

...
55
Gear, Spur (25 Teeth) MTD-778127A

...
56
Gear, Spur (30 Teeth) MTD-778129A

...
57
Gear, Spur (15 Teeth) MTD-778151

...
58
Plug, Hex Hd., 9/16-18 Thd. MTD-792074

...
59
Washer, Thrust MTD-780109

...
60
Bracket MTD-786086

...
61

...
62
Screw, Flanged Hex Hd. Thd. Forming, 1/4-20 x 2-1/4 MTD-792085
...
...
...
...
...
Processing