Welcome,
My Cart
0 item(s)

Models

Parts


product name

Agway by MTD 135M675G019 (1995) Lawn Tractor

Model: 135M675G019 (1995)

Back To Assemblies

Save
Part Not Listed?Part Not Listed?

product name

Popular Parts

Popular Parts


Engine, External

...
...
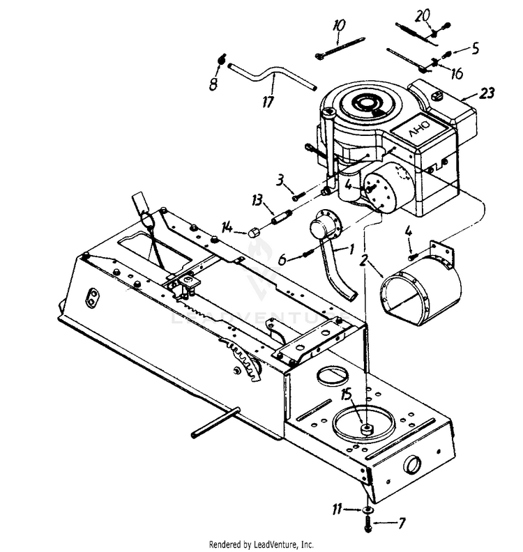
1
Exhaust Pipe Ass'y. MTD-651-0005

...
2
HEAT SHIELD MTD-683-0072

...
3
Pan Hd. Mach. Scr. 5/16-18 x .75" MTD-710-0323

...
4
Hex Wash. Hd. Scr. 1/4-20 x .5" MTD-710-0599

...
5
Hex Slot Wash. Hd. #10-32 x 5/8" Lg. MTD-710-1237

...
6
Hex Wash. Hd. F-Tap Scr. #8-32 x .38" MTD-710-0148

...
7
Hex L-Wash. TT-Tap Scr. 3/8-16 x 1.5" MTD-710-1007

...
8
Hose Clamp - .49" Dia. MTD-726-0205

...
10
Cable Tie - 4" I.D. MTD-726-0197

...
11
Flat Wash. 3/8" I.D. x 1.25" O.D. MTD-736-0247

...
13
PIPE NIPPLE MTD-937-0199

...
14
CAP - OIL DRAIN MTD-737-0143

...
15
SHOULDER SPACER MTD-750-0965

...
16
Casing Clamp MTD-751B221535

...
17
FUEL HOSE 1/4-24" MTD-751-22813-24

...
20
Casing Clamp MTD-751B221535

...
23
Engine MTD-NA
...
...
...
...
...
Processing