Welcome,
My Cart
0 item(s)

Models

Parts


product name

Agway by MTD 135C451E019 (1995) Lawn Tractor

Model: 135C451E019 (1995)

Back To Assemblies

Save
Part Not Listed?Part Not Listed?

product name

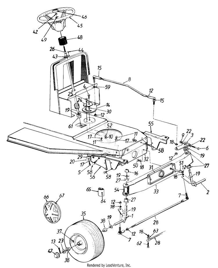
Steering Assembly/Axle, Front/Wheels, Front

...
...
1
AXLE ASSEMBLY (RH) MTD-97584A-0637

...
2
Front Axle Ass"y.-R.H. (13 x 5) MTD-17585

...
3
Steering Arm Front Axle MTD-983-0055-0637

...
4
Hex Bolt 3/8-24 x 1" Lg. For faster service obtain standard nuts, bolts, and washers locally. If these items cannot be obtained locally, order by P/N and size as shown on parts list. MTD-710-1039

...
5
Hex Bolt 5/16-18 x .62" (Spec.) MTD-710-0538

...
6
Hex Bolt 5/16-24 x 2" Lg. For faster service obtain standard nuts, bolts, and washers locally. If these items cannot be obtained locally, order by P/N and size as shown on parts list. MTD-710-0772

...
7
Ball Joint, 3/8-24 MTD-923-3018

...
8
STEERING DRAG LINK MTD-711-0838

...
9
Hex L-Nut 5/16-24 Thd. MTD-712-0237

...
10
Hex Nut 3/8-24 Thd. MTD-712-0241

...
11
HEX NUT 5/16-18 For faster service obtain standard nuts, bolts, and washers locally. If these items cannot be obtained locally, order by P/N and size as shown on parts list. MTD-712-3010

...
12
Hex Jam Nut 3/8-24 Thd. MTD-912-0446

...
13
Cotter Pin 1/8 Dia. MTD-714-0470

...
14
Steering Gear Segment MTD-717-0622C

...
15
Ball Joint, 3/8-24 MTD-923-3018

...
16
Push Cap MTD-726-0214

...
17
Lock Wash. 5/16" I.D. For faster service obtain standard nuts, bolts, and washers locally. If these items cannot be obtained locally, order by P/N and size as shown on parts list. MTD-936-0119

...
18
L-Wash. 3/8" I.D. For faster service obtain standard nuts, bolts, and washers locally. If these items cannot be obtained locally, order by P/N and size as shown on parts list. MTD-736-0169

...
19
Fl-Wash. .64" I.D. x 1.24" MTD-736-0187

...
20
Fl-Wash. .340" I.D. x 1.125" MTD-736-0343

...
22
SPRING WASHER .317 X .625 X .020 MTD-936-0271

...
23
Fl-Wash. .635" I.D. x 1.585" MTD-736-0285

...
24
STABILIZER PLATE MTD-783P08577A

...
25
SHOULDER SCREW .437 DIA x .350 MTD-938-0141

...
26
Steering Shaft MTD-738-0730

...
27
Flange Bearing .632 ID MTD-741-0487C

...
28
Tie Rod (Adjustable) MTD-747-0753

...
xx
Tie Rod (Non-Adjustable) MTD-747-0861-0637

...
29

...
30
Spacer.380" I.D. x .625" O.D. x .227 MTD-950-0535

...
31
BRACKET-PIVOT MTD-17548

...
32
BRACKET-PIVOT MTD-17547-0637

...
33
Pivot Bar Ass'y. MTD-753-0642-0637

...
35
WHEEL ASSEMBLY MTD-634-0087

...
xx
Tire Only MTD-734-0864

...
xx
RIM ASSEMBLY MTD-634-0088

...
xx
GREASE FITTING PLUG MTD-737-0212A

...
xx
Grease Fitting Optional MTD-737-0211A

...
35
WHEEL ASSEMBLY MTD-634-0091

...
xx
Tire Only MTD-734-0864

...
xx
RIM ASSEMBLY MTD-634-0090

...
xx
GREASE FITTING (SLOTTED) Optional MTD-737-0280

...
37
TUBELESS VALVE MTD-934-0255

...
38
Flange Bearing .632 ID MTD-741-0487C

...
xx

...
42
Hex L-Nut 5/16-24 Thd. MTD-712-0237

...
43
STEERING BEARING MTD-741-0501

...
44
Cr-Sunk Scr. #10 x 5/8" Lg. MTD-710-0837

...
45
STEERING WHEEL MTD-731-0805

...
xx
STEERING WHEEL MTD-731-0806A

...
xx
STEERING WHEEL Uses Square Steering Wheel Cap. Optional Part. MTD-731-1406

...
46
Steering Wheel Cap MTD-931-0220

...
xx
Steering Wheel Cap MTD-731-1459A

...
47

...
48
STEERING BELLOW MTD-731-0559B

...
xx
STEERING BELLOW 9" MTD-931-0954

...
49
Bell-Wash. .345" I.D. x .88" MTD-736-0242

...
50
Hex Nut 3/8-16 Thd. For faster service obtain standard nuts, bolts, and washers locally. If these items cannot be obtained locally, order by P/N and size as shown on parts list. MTD-712-0798

...
51
Shld. Bolt 1/2" Dia. x 2.04" MTD-738-0527

...
52
BELL WASHER MTD-936-0356

...
54
PLASTIC TUBE Optional Part. MTD-731-1389

...
55
PIVOT BAR PLATE (LH) New Part MTD-783-0255

...
56
PLATE-PIVOT BAR (RH) New Part MTD-783-0256B-0637

...
58
Screw, 5/16-18 x .625 MTD-710-0604A

...
59
L-Wash. 3/8" I.D. (H.D.) MTD-736-0217

...
61
FLANGE BEARING MTD-941-0225

...
62
Hex Cap Screw 3/8-24 x 1.5 MTD-710-0459A

...
63
Hex Jam Nut 3/8-24 Thd. MTD-712-0711

...
64
GREASE FITTING (SLOTTED) Optional Part. MTD-737-0280

...
65
End Cap, Pivot Bar (w/ Fitting) Optional Part. MTD-931-1291A

...
66
SPRING CLIP Optional Part. MTD-727-0425A

...
67
HUB CAP-BEIGE Optional Part. MTD-734-1612

...
xx
HUB CAP (GRAY) Optional Part. MTD-734-1613
...
...
...
...
...
Processing