Welcome,
My Cart
0 item(s)

Models

Parts


product name

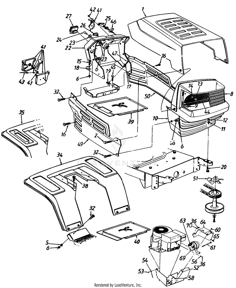
Agway by MTD 134M675G019 (1994) Lawn Tractor

Model: 134M675G019 (1994)

Back To Assemblies

Save
Part Not Listed?Part Not Listed?

product name

Hood Style 5

...
...
1
HOOD-STY O W/LOUVERS MTD-783-0250

...
2
Shoulder Bolt, .375 x .125 MTD-938-0952A

...
?3
Fl-Wash .28" I.D. x .75" O.D. MTD-736-0342

...
5
UNKNOWN MTD-NA

...
6
HEX NUT 1/4-20 For faster service obtain standard nut, bolts and washers locally. If these items cannot be obtained locally, order by part number and size as shown on parts list. MTD-912-0287


...
9
LOCK NUT 1/4 x 28 MTD-712-0380

...
10
GRILLE-10 STYLE MTD-931-1097G

...
11
Fl-Wash .344" I.D. x 1" O.D. MTD-736-3078

...
12
HEX NUT 5/16-18 For faster service obtain standard nut, bolts and washers locally. If these items cannot be obtained locally, order by part number and size as shown on parts list. MTD-712-3010

...
13
Miniature Lamp 12V Socket Type MTD-925-0963

...
14
HEADLIGHT SOCKET (1/4 TURN) MTD-925-1649A

...
15
Carriage Bolt 1/4-20 x .75" Lg. MTD-710-0703

...
16
Hex Wash. Hd. TT-Tap Scr. 1/4-20 x .5" Lg. MTD-710-0599

...
17
Fl-Wash .281" I.D. x .73" O.D. MTD-736-0173

...
18
Bolt Retainer 1/4" I.D. MTD-726-0233

...
19
SPEED NUT 1/4-20 MTD-712-0185

...
20
Hex Bolt 5/16-18 x .75" Lg. MTD-710-0118

...
?21
GAS TANK SUPPORT BRKT. MTD-17632A

...
22

...
23
Ignition Switch MTD-925-0267B


...
25
Choke Control 23" Used w/Single Cylinder Engine Only MTD-946-0616A

...
xx
Choke Control Used w/Twin Cylinder Engine Only MTD-746-0614A

...
xx
CHOKE CONTROL CABLE 29'' MTD-746-3021

...
xx
CHOKE CONTROL 20" MTD-746-0720

...
26
Light Switch MTD-925-0634

...
27

...
32
Truss Mach. Scr. 1/4-20 x .5" Lg. MTD-710-0286

...
34
FENDER-RR W/FRAME MTD-17870C

...
35
FENDER-RR MTD-17871A

...
36
UNKNOWN MTD-NA

...
38
Hex Wash. Hd. AB-Tap Scr. 5/16 x .75" Lg. MTD-710-0726

...
39
SHIFT COVER MTD-17954B-0637

...
40
Shift Cover MTD-17286B-0637

...
41
Throttle Box Ass'y. MTD-831-0823A

...
42
Truss Mach. AB-Tap Scr. #10 x .5" Lg. MTD-710-0779A

...
43
Throttle Control Wire Used w/Single Cylinder Engine Only MTD-746-0501

...
xx
Throttle Wire Used w/Twin Cylinder Engine Only MTD-946-0634

...
44
LABEL-REFLECTIVE MTD-777X40318

...
45
Hex Wash. Hd. 8-Tap Scr. 5/16-18 x .5" Lg. MTD-710-0603

...
46
CLIP-CHOKE RETAINER MTD-17782

...
47
Hex TT-Tap Scr. 1/4-20 x .75" Lg. MTD-710-0642

...
48
SPRING WASHER BELL MTD-736-0270

...
49
SIDE PANEL (RH) MTD-783-0150

...
50
SIDE PANEL (LH) MTD-783-0151

...
51
COOLING FAN Used w/Single Cylinder Engine Only MTD-17199-0637

...
52
SHIELD-MUF Used w/Single Cylinder Engine Only MTD-16936

...
53
Truss Mach. Scr. 5/16-18 x .75" Lg. Used w/Single Cylinder Engine Only MTD-710-0323

...
54
WIRE Used w/Single Cylinder Engine Only MTD-725-0980

...
56
Spring Wash. .265 I.D. x .562 O.D. Used w/Single Cylinder Engine Only MTD-936-0175

...
58
HEX CAP SCREW 1/4-20 x .375 GR5 Used w/Single Cylinder Engine Only MTD-710-0294

...
60
Hex B-Tap Scr. #10 x .38" Used w/Single Cylinder Engine Only MTD-910-0429

...
61
SHOULDER SCREW Used w/Single Cylinder Engine Only MTD-938-0636

...
63
Gasket-Exhaust Used w/Single Cylinder Engine Only MTD-BS-692236

...
64
HEAT SHEID ASSEMBLY Used w/Single Cylinder Engine Only MTD-683-0042A

...
65
Speed Nut #10-24 Thd. Used w/Single Cylinder Engine Only MTD-712-0147

...
69
MUFFLER Used w/Single Cylinder Engine Only MTD-951-0465A

...
70
L-Wash. 1/4" I.D. For faster service obtain standard nut, bolts and washers locally. If these items cannot be obtained locally, order by part number and size as shown on parts list. MTD-936-0329

...
xx
Muffler (Single Cylinder Engines) MTD-NA

...
xx
MUFFLER ASSEMBLY Used on 11.5, 12 & 12.5 HP (B & S) MTD-951-0302

...
xx
CONDUIT L-NUT MTD-712-0250

...
xx
MUFFLER Used on 12 & 12.5 HP (Tec.) MTD-951-0443A

...
xx
Gasket-Exhaust MTD-BS-692236

...
xx
SHOULDER SCREW MTD-938-0636
...
...
...
...
...
Processing