Welcome,
My Cart
0 item(s)

Models

Parts


product name

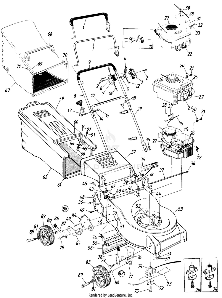
Agway by MTD 118-424R019 (82-0670) (1988) Push Walk-Behind Mower

Model: 118-424R019 (82-0670) (1988)

Save
Part Not Listed?Part Not Listed?

product name

Parts

...
...
1
CONTROL HANDIE ASS'Y.-L.H. (Std.) MTD-14321

...
xx
BAIL (LH) (Deluxe) MTD-731-0609

...
2
Truss Mach. B-Tap Scr. #12 x 1.5" Lg. MTD-710-0796

...

...
4
Throttle Control Lever (Attaching throttle control wire to lever: Models 412R, 416R 419R, 422R 426 R and 429R: USE UPPER HOLE IN LEVER AS SHOWN. All other Models : USE LOWER HOLE IN LEVER.) MTD-931-0972

...
5
CONROL DISC PIN MTD-731-0524

...
6
CIUTCH PANEL HALF MTD-731-0816

...
7
Control Label-Throttle MTD-777-5774

...
8
UPPER HANDLE MTD-749-0438D-0637

...
9
Grip (Optional) MTD-718-0145

...
10
Instruction Label-Handle MTD-777-5776

...
11
CONTROL HOUSING COMP. MTD-753-0430

...
12
Throttle Wire-58" Lg. (412R, 416R, 419R, 422R, 426R, 429R) (Attaching throttle control wire to lever: Models 412R, 416R 419R, 422R 426 R and 429R: USE UPER HOLE IN LEVER AS SHOWN. All other Models : USE LOWER HOLE IN LEVER.) MTD-946-0674A

...
xx
Throttle Wire 55" Lg. (414R, 417R, 424R, 427R) MTD-946-0671A

...
xx
Throttle Cable (415R, 418R, 425R, 428R) MTD-946-1115

...
13
OPE GUIDE BOLT MTD-710-0842

...
14
Lock Wash. 5/16" I.D. MTD-936-0119

...
15
HEX NUT 5/16-18 MTD-712-3010

...
16
CONTROL CABLE (412R, 416R, 419R, 422R, 426R, 429R) MTD-946-0477A

...
xx
49" CONTROL CABLE (414R, 417R, 424R, 427R) MTD-946-0478A

...
xx
CONTROL CABLE 55" (415R, 418R, 425R, 428R) MTD-946-0479A

...
17
Cable Tie MTD-725-0157

...
18
BOLT-CARRIAGE-CURV 5/16-18 x 1.38 MTD-710-0671

...
19
Lower Handle MTD-749-0907B

...
20
CABLE CLAMP (B&S) MTD-12894

...
21
Hex B-Tap Scr. #10 x .38" (B&S) MTD-910-0429

...
22
INSULATOR-SPARK PLUG MTD-735-0639

...
23
CLIP-CASING (416R, 419R, 426R, 429R) MTD-751-0463

...
24
Hex Wash. Hd. Self-Tap Scr. (416R, 419R, 426R, 429R) MTD-710-0651

...
25
CLAMP-CONDUIT (416R, 466R) MTD-751-0369

...
26
Hex AB-Tap Scr. #8 x .5" Lg. (412R, 422R) MTD-710-0227

...
27
Engine MTD-NA

...
28
RIVET (B&S) MTD-728-0171

...
29
BRACKET-CA (B&S) MTD-14924

...
30
BRACKET-CA (414R, 424R) MTD-16703

...
31
Mounting Brkt. (414R, 424R) MTD-16704

...
32
Truss Mach. Scr. #10 x .5" Lg. (414R, 424R) MTD-710-0473

...
33
L-Wash. #10 I.D. (414R, 424R) MTD-736-0722

...
34
EXTRUSION SEAL MTD-731-0858

...
35
Int. Cotter Pin 5/16" Dia. MTD-714-0104

...
36
PUSH NUT MTD-726-0106

...
37
HINGE PIN MTD-747-0698B

...
38
Spacer, .260 x .372 x 1.030 MTD-750-0566A

...
39
TORSION SPRING MTD-732-0577

...
40
SHOULDER PIN 3/8-24X1.43 MTD-711-0805

...
41
L-Wash. 3/8" I.D.* MTD-736-0169

...
42
Hex Jam Nut 3/8-24 Thd. MTD-712-0711

...
43
TORSION SPRING (RH) MTD-732-0578

...
44
BRACKET ASSEMBLY MTD-12297

...
45
Torx Mach. AB-Tap Scr. 1/4 x .62" Lg. MTD-710-1017

...
46
DEFLECTOR PLUG MTD-731-0970B

...
47
PLUG-CORNER MTD-731-0931

...
48
BRACKET ASSEMBLY MTD-12296B-0637

...
49
SCREW 1/4-14 x .625 MTD-710-0892

...
50
BELL WASHER MTD-936-0356

...
51
Hex Nut 3/8-16 Thd.* MTD-712-0798

...
52
TT Screw, 3/8-16 x 1.00 MTD-710-0654A

...
53
DECK ASSEMBLY MTD-16998

...
54
BAFFLE-CHU MTD-17014

...
55
RETAINING STRIP MTD-17003

...
56
Rear Flap 17.30" Lg. MTD-731-0669

...
57
CHUTE DEFLECTOR MTD-931-0859A

...
59
Hardtop Bag Cover (Models 422R thru 429R only) MTD-631-0003

...
60
REAR CATCHER FRAME (Models 422R thru 429R only) MTD-749-0736

...
61
Front Catcher Frame (Models 422R thru 429R only) MTD-764-0411-0637

...
62
Grass Bag (Models 422R thru 429R only) MTD-964-0252

...
63
Truss Mach. Scr. 1/4-20 x 1.0" Lg. (Models 422R thru 429R only) MTD-710-0166A

...
64
CABLE CLAMP (Models 422R thru 429R only) MTD-12894

...
65
Fl-Wash. .281" I D (Models 422R thru 429R only) MTD-736-0463

...
66
HEX NUT 1/4-20 (Models 422R thru 429R only) MTD-912-0287

...
67
GRASSBAG (Models 412R thru 419R only) MTD-764-0246

...
68
BAG HANDLE BLACK (Models 412R thru 419R only) MTD-731-0801

...
69
Rear Grass Catcher Frame (Models 412R thru 419R only) MTD-749-0764A-0637

...
70
CATCHER FRAME (Models 412R thru 419R only) MTD-764-0412-0637

...
71
Hex AB-Tap Scr. #12 x 1.25" Lg. (Models 412R thru 419R only) MTD-710-1025

...
xx
KIT-BLADE MOUNTING MTD-753-0525

...
73
21" Blade MTD-942-0621

...
74
KIT-BLADE MTD-753-0462

...
xx
SPLINED BLADE ADAPTER KIT MTD-753-0485

...
75
Hex Cap Screw 3/8-24 x 1.5 (Used w/Keyed Adapter) MTD-710-0459A

...
xx
Hex Bolt 7/16-20 x 1.5" Lg. (Used w/Splined Adapter) MTD-710-0757

...
76
Height Adjustment Plate MTD-787-01290A

...
77
Pivot Bar MTD-15262B

...
78
Front Spring Lever MTD-94832

...
79
Shoulder Bolt .50" Dia. MTD-738-0507B

...
80
Bell-Wash. .38" I.D. x .88" O.D. MTD-736-0105

...
81
Fl-Wash. .531" I.D. (Optional) MTD-736-0160

...
82
Height Adj. Ass'y. Comp. (R.H.) MTD-753-06761

...
xx
Height Adj. Ass'y. Comp. (R.H.) (Not Shown) MTD-753-06761

...
83
Wheel Ass'y. Comp. MTD-NA

...
xx
WHEEL ASSEMBLY MTD-734-0841

...
xx
8 x 1.75-STEEL RIM MTD-734-1162

...
xx
WHEEL ASSEMBLY W/TIRE MTD-734-0645

...
xx
WHEEL ASSEMBLY MTD-734-1259

...
xx
Wheels - Front MTD-753-08093

...
84
Index Plate MTD-14764C

...
85
BAR-PIVOT (RH) *ON MTD-14765

...
xx
BAR-PIVOT (LH) *ON (Not Shown) MTD-14766

...
86
HEIGHT ADJUSTMENT KNOB MTD-731-13116-1

...
87
SPRING LEVER MTD-732-0417A

...
88
ADJUSTER-H MTD-16106

...
xx
ADJUSTER-H (Not Shown) MTD-16107

...
89
Axle Bolt MTD-NA

...
xx
Axle Bolt for Plastic Rim MTD-738-0102

...
xx
SCREW 3/8-16X1.875 GR2 MTD-710-1020

...
91
Hex Screw, 1/4-14 x 0.625" (Models 422R thru 429R only) MTD-710-0896
...
...
...
...
...
Processing