Welcome,
My Cart
0 item(s)

Models

Parts


product name

Agway by MTD 117-076-019 (82-0666) (1987) Push Walk-Behind Mower

Model: 117-076-019 (82-0666) (1987)

Save
Part Not Listed?Part Not Listed?

product name

Parts03

...
...
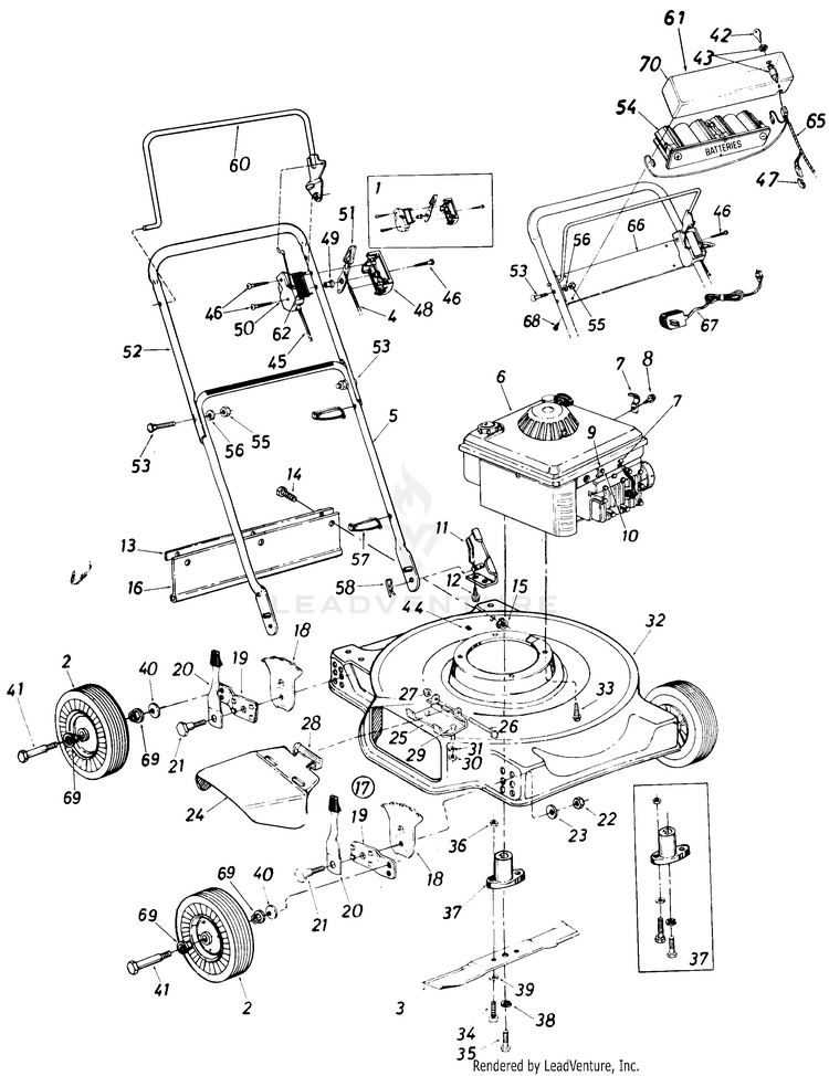
1
CONTROL HOUSING COMP. MTD-753-0430

...
2
WHEEL ASSEMBLY W/TIRE MTD-734-0924

...
3
20" BLADE MTD-742-0123

...
4
Throttle Wire 55" Lg. MTD-946-0671A

...
5
Lower Handle MTD-749-0928A-0637

...
6
Engine MTD-NA

...
7
CABLE CLAMP MTD-12894

...
8
Hex B-Tap Scr. #10 x .38" MTD-910-0429

...
9
CASING CLAMP MTD-751-0442

...
10
Hex Wash. Hd. Self-Tap Scr. MTD-710-0651

...
11
BRACKET AS MTD-12935

...
12
Hex Wash. Hd. B-Tap Scr. 5/16-18 x .50" Lg. MTD-710-0603

...
13
RETAINER STRIP MTD-14846

...
14
Hex Bolt 1/4-20 x .62" Lg. MTD-710-0258

...
15
Hex Sems Nut 1/4-20 Thd. MTD-712-0271

...
16
FLAP ASSEMBLY MTD-731-1029

...
17
Height Adj. Ass'y. Comp. (R.H.) MTD-753-06761

...
xx
Height Adj. Ass'y. Comp. (R.H.) (Not Shown) MTD-753-06761

...
18
Height Adjustment Plate MTD-787-01290A

...
19
Pivot Bar MTD-15262B

...
20
Front Spring Lever MTD-94832

...
21
Shoulder Bolt .50" Dia. MTD-738-0507B

...
22
Hex Nut 3/8-16 Thd. MTD-712-0798

...
23
Bell-Wash. .39" I.D. x 1.13" O.D. MTD-736-0331

...
24
CHUTE DEFLECTOR MTD-931-1034B

...
25
ADAPTER PLATE MTD-11130

...
26
PIVOT PIN MTD-711-0555

...
27
PUSH NUT MTD-726-0106

...
28
TORSION SPRING MTD-732-0253

...
29
Hex Bolt 1/4-20 x .50" Lg. MTD-910-0289

...
30
HEX NUT 1/4-20 MTD-912-0287

...
31
L-Wash. 1/4" I.D. MTD-936-0329

...
32
DECK ASSEM MTD-14995

...
33
TT Screw, 3/8-16 x 1.00 MTD-710-0654A

...
34
Hex Bolt 5/16-24 x 1.00" Lg. (Grade 8) MTD-710-0888

...
35
Hex Bolt 3/8-24 x 2.25" Lg. (Grade 5) MTD-710-0331

...
36
Hex Nut 5/16-24 Thd. MTD-912-3057

...
37
Blade Adapter Kit MTD-753-0348

...
38
L-Wash. 3/8" I.D. Heavy Duty MTD-736-0217

...
39
Lock Wash. 5/16" I.D. MTD-936-0119

...
40
Bell-Wash. .400" I.D. x .88" O.D. MTD-736-0105

...
41
Shld. Bolt .498" Dia. x 1.450" Lg . MTD-738-0102


...
43
KEY SWITCH MTD-925-0873

...

...
45
THROTTLE CABLE MTD-746-0476

...
46
Truss. Mach. Scr. #12 x 1.50" Lg. MTD-710-0796

...

...
48

...
49
CONROL DISC PIN MTD-731-0524

...
50
CIUTCH PANEL HALF MTD-731-0816

...
51
Throttle Control Lever MTD-931-0972

...
52
UPPER HANDLE MTD-749-0536

...
53
BOLT-CARRIAGE-CURV 5/16-18 x 1.38 MTD-710-0671

...
54
Battery Pack - 12 Volt (Early production units - order 725-1105) MTD-925-1276

...
55
HEX NUT 5/16-18 MTD-712-3010

...
56
Lock Wash. 5/16" I.D. MTD-936-0119

...
57
Cable Tie MTD-725-0157

...
58
Internal Cotter Pin MTD-714-0104

...
xx
Height Adj. Ass'y. Comp. (R.H.) (Not Shown) MTD-753-06761

...
60
BAIL (LH) MTD-731-0609

...
61
Instruction Label MTD-777-5902

...
62
Control Label-Throttle MTD-777-5774

...
xx
BRACKET ASSY-HDLE (Not Shown) MTD-12936

...
65
Wire Harness (Early production units - order 725-1230) MTD-725-1283

...
66
Lower Battery Tray MTD-16542

...
67
Battery Charger MTD-925-0727

...
68
Truss Mach. Hi-Riser Tap Scr. 1 " Lg. MTD-710-0969

...
69
BALL BEARING MTD-941-0180

...
70
UPPER BATTERY TRAY (Early production units - order 731-0809) MTD-731-0891

Parts04

...
...
54
BATTERY PACK MTD-725-1105

...
65
Wire Harness MTD-725-1230

...
70
Upper Battery Tray MTD-731-0809
...
...
...
...
...
Processing