Welcome,
My Cart
0 item(s)

Models

Parts


product name

Agway by MTD 115-507D019 (1995) Push Walk-Behind Mower

Model: 115-507D019 (1995)

Save
Part Not Listed?Part Not Listed?

product name

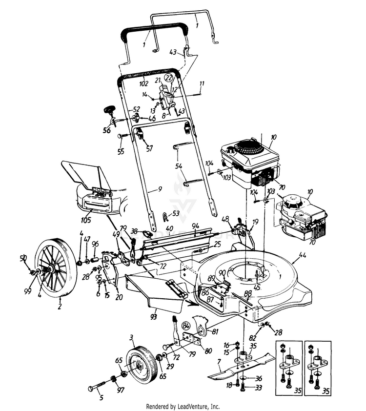
General Assembly

...
...
1
Std. Control Handle (Std.) MTD-747-0824B-0637

...
xx
Std. Control Handle (Deluxe) MTD-747-0824B-0637

...
2
WHEEL ASSEMBLY W/TIRE STEEL SPOKE MTD-734-1661

...
3
Wheels with Ball Brgs. MTD-734-1268

...
xx
Front Wheel Ass'y with Ball Brgs. MTD-734-1268

...
4
BALL BEARING MTD-941-0484

...
5
Front Axle Bolt MTD-738-0102

...
6
Hex Nut 3/8-24 Thd. MTD-712-0241

...
7
22" BLADE MTD-742-0622

...
xx
22" Mulching Blade (Optional) MTD-942-0722

...
8
Throttle Wire 55" Lg. MTD-946-0671A

...
9
Lower Handle MTD-749-0928A-0637

...
10
Engine MTD-NA

...
11
Oval C-Sunk Mach. Scr. MTD-710-0605

...
12
Throttle Lever MTD-946-0876

...
13
Curved Spring Wash. .66" I.D. MTD-936-0501

...
14
Hex L-Nut 1/4-20 Thd. MTD-712-0324

...
15
L-Wash. 3/8" I.D. For faster service obtain standard nuts, bolts and washers locally. If items cannot be obtained locally, order by part number and size as shown on parts list. MTD-736-0169

...
16
Hex Nut 3/8-24 Thd. MTD-712-0241

...
?17
Flange Lock Nut 3/8-16 MTD-912-0431

...
18
Hex Bolt 3/8-24 x 1.0" Lg. MTD-710-1055

...
19
HANDLE BRACKET ASSEMBLY (LH) (POWDER BLACK) MTD-682-0517-0637

...
20
HANDLE BRACKET ASSEMBLY (RH) MTD-682-0518

...
21
Throttle Body MTD-946-0875

...
22
Throttle Box Comp. (Incl. Ref. 11, 12, 13, 14, 21) MTD-811-0185

...
25
SCREW 3/8-24 x .80 MTD-710-0793

...
28
Hex Nut 3/8-16 Thd. For faster service obtain standard nuts, bolts and washers locally. If items cannot be obtained locally, order by part number and size as shown on parts list. MTD-712-0798

...
29
Bell-Wash. .400" I.D. x .88" MTD-736-0105

...
33
Hex Bolt 3/8-24 x 1.5" Lg. MTD-710-1044

...
35
Blade Adapter Kit MTD-753-0484

...
36
Bell-Wash. .39" I.D. MTD-736-0452

...
38
HINGE CLIP MTD-17098P

...
40
TRAILSHED MTD-731-1026

...
43
Control Cable 39" For models 504, 508 MTD-946-0550

...
xx
Control Cable - 51" For models 507 MTD-946-0737

...
44
DECK ASSEMBLY-22IN MTD-682-0221

...
45
Hex Wash. Hd. TT-Tap Scr. 3/8-16 x 1.00" Lg. MTD-710-0654A

...
46
Handle Knob 1/4-20 Thd. New Part MTD-720-0279

...
47
Wave Washer.510 ID x.750 OD MTD-936-0504

...
48
PIVOT BAR MTD-782-0519A

...
49
PIVOT BAR MTD-782-0520

...
50
Top Lock Jam Nut 3/8-16 MTD-912-3020

...
52
UPPER HANDLE MTD-749-0538C

...
53
Intern. Cot. Pin 5/16" Dia. MTD-714-0104

...
54
Cable Tie MTD-725-0157

...
55
Curved Hd. Bolt 5/16-18 x 2" Lg. MTD-710-1174

...
56
Rope Guide MTD-710-1205

...
57
Hand Knob MTD-920-0276

...
65
Bearing MTD-NA

...
xx
Wheel - LH MTD-734-1855

...
xx
Wheels w/o Bearings, Bar Tread, (Gray-Uses Hub Cap) MTD-634-0020

...
xx
Wheel - LH MTD-734-1855

...
xx
Front/Rear Wheel 8" x 2" "S" Wave MTD-734-1826

...
xx
Wheels with Ball Brgs. MTD-734-1268

...
xx
Wheels w/ Ball Brgs., "T" Tread, Brg. Part No. 741-0484 Requires Wave Washer 736-0504 MTD-734-1268

...
xx
Wheels - Front Requires Wave Washer 736-0504 MTD-753-08093

...
70
INSULATOR-SPARK PLUG (Optional) MTD-735-0639

...
72
Shoulder Bolt .50" Dia. MTD-738-0507B

...
79
Front Spring Lever MTD-94832

...
80
Pivot Bar MTD-15262B

...
81
Height Adjustment Plate MTD-787-01290A

...
82
BELL WASHER MTD-936-0356

...
84
Height Adj. Ass'y. Comp. (R.H.) MTD-753-06761

...
xx
Height Adj. Ass'y. Comp. (R.H.) (Not Shown) MTD-753-06761

...
86
SPRING WASHER BELL MTD-736-0270

...
87
Hex Wash. Hd. Tap Scr. 1/4-20 x .5" Lg. MTD-710-0599

...
88
Hinge Pin MTD-747-0710A

...
89
PLATE-ADAPTER MTD-17032A

...
90
Torsion Spring MTD-932-0593

...
93
CHUTE DEFLECTOR MTD-931-1034B

...
94

...
95
Bell-Wash. .39" I.D. x 1.13" MTD-736-0331

...
96
Spacer .550 ID x .750 OD MTD-950-0151

...
97
Wave Washer.510 ID x.750 OD MTD-936-0504

...
99
Fl-Wash. .406" I.D. x .81" MTD-736-3050

...
?100
Spr. Wash. .5" I.D. x 1.0" MTD-736-0182

...
102
Grip Foam (Optional) MTD-720-0295

...
103
Cable Clamp (B&S) For models 504, 508 MTD-BS-690798

...
xx
CLAMP-THRO For models 507 MTD-7510007755

...
104
Hex Wash. Hd. Tap Scr. #10-32 x .62" Lg. For models 504, 508 MTD-710-1237

...
xx
SCREW #10-32 x .38 For models 507 MTD-710-0871

...
105
MULCH PLUG Optional MTD-731-1386D

Optional Engine Shrouds

...
...
751B281439

...
751B281440

...
751B281443

...
710-1256

...
731-1395
ENGINE SHROUD RED MTD-731-1395

...
731-1396
ENGINE SHROUD BLACK MTD-731-1396A

...
731-1397
ENGINE SHROUD BLACK MTD-731-1396A

...
710-1256

...
731-1587
ENGINE SHROUD - BLACK MTD-731-1587

...
731-1603
ENGINE SHROUD YELLOW MTD-731-1603

...
731-1610
ENGINE SHROUD PEWTER MTD-731-1610

...
710-1184
PAN SCREW 10-32 x 2.00 MTD-710-1184

...
731-1561
ENGINE SHROUD BLK TEC MTD-731-1561

...
731-1612
ENGINE SHROUD - RED MTD-731-1612

...
7510042823
SHOULDER SCREW MTD-7510042823

...
731-1402
ENGINE SHROUD MTD-731-1402

...
710-1256

...
7510014308

...
7510042823
SHOULDER SCREW MTD-7510042823

...
731-1585
ENGINE SHROUD - BLACK MTD-731-1585

...
710-1274
SCREW-PAN #10-32X1 MTD-910-1274

...
731-1586
ENGINE SHROUD - BLACK MTD-731-1586

...
7510042823
SHOULDER SCREW MTD-7510042823
...
...
...
...
...
Processing