Welcome,
My Cart
0 item(s)

Models

Parts


product name

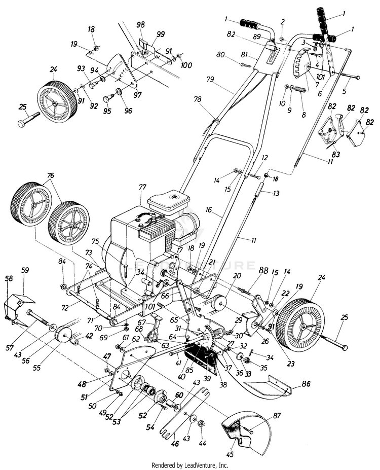
Ace by MTD Mdl 249-604-033/72774Edger

Model: MTD Mdl 249-604-033/72774

Save
Part Not Listed?Part Not Listed?

product name

Parts

...
...
1
Black Grip MTD-07071

...
2
Hex L-Nut 1/4-20 Thd MTD-912-0107

...
3
Cotter Pin 1/8" Dia. MTD-714-0115

...
4
Hex Bolt 1/4-20 x 1.25" Lg.* MTD-710-0106

...
5
Hex Bolt 5/16-18 x 1.75" Lg. MTD-710-3180

...
6
Engagement Handle MTD-749-0666-0637

...
7
ADJUSTMENT BRACKET MTD-781-0081

...
8

...
9
Fl.-Wash. .344" I.D. MTD-736-0264

...
10
Hex Cent. L.-Nut 5/16-18 Thd. MTD-912-0158

...
11
CLUTCH ROD MTD-747-0498

...
12
Carriage Bolt 1/4-20 x 1.25" Lg.* MTD-710-0111

...
13
CONNECTING ROD MTD-750-0628

...
14
HEX NUT 1/4-20 MTD-912-0287

...
15
L-Wash. 1/4" I.D. MTD-936-0329

...
16
LOWER HANDLE-PAINTED MTD-749-0453

...
xx
HANDLE - LOWER MTD-09955

...
17
Sq. Key 3/16" x .75" Lg. MTD-714-0122

...
18
Hex Nut 3/8-16 Thd.* MTD-712-0798

...
19
L.-Wash. 3/8" I.D.f MTD-736-0169

...
20
ENGINE PULLEY MTD-756-0327A

...
21
Spacer.75" I.D. MTD-750-0212

...
22
Fl.-Wash. .385" I.D. MTD-736-0258

...
23
Hex Bolt 3/8-24 x 1" Lg. MTD-710-1039

...
24
WHEEL ASSEMBLY W/TIRE MTD-734-1162A

...
25
Shoulder Bolt .498" Dia. MTD-938-0108

...
26
BELT GUARD MTD-13960

...
27
COMPRESSION SPRING MTD-732-0187

...
29
HEX NUT 5/16-18 MTD-712-3010

...
30
Lock Wash. 5/16" I.D. MTD-936-0119

...
31
SPRING PIN MTD-715-0247

...
32
HEX NUT 1/4-20 MTD-912-0287

...
33
Bell.-Wash. .535" I.D. MTD-736-0112

...
34
Cotter Pin 1/8" Dia.* MTD-714-0115

...
35
HEX NUT 1/2-20 MTD-912-0114

...
36
L-Wash. 1/4" I.D. MTD-936-0329

...
37
BRACKET-FLA MTD-781-0087

...
38
Fl.-Wash. .25" I.D. MTD-736-0342

...
39
Hex Bolt 1/4-20 x .50" Lg. MTD-910-0289

...

...
41
HEX SCREW 5/16-18 x 4.50 GR5 MTD-710-0402

...
42
SPACER .635 ID X.88 OD x 1.030 MTD-750-0229

...
43
Bell.-Wash. .63" I.D. MTD-736-0317

...
44

...
45
GUARD ASSEMBLY MTD-781-0076

...
46
Blade (Edger) MTD-781-0080-0637

...
47
HEX NUT 1/4-20 MTD-912-0287

...
48
L-Wash. 1/4" I.D. MTD-936-0329

...
49
HEX NUT 1/4-20 MTD-912-0287

...
50
L-Wash. 1/4" I.D. MTD-936-0329

...
51
SPINDLE PLATE ASSEMBLY MTD-781-0078

...
52
BEARING HOUSING MTD-15319B

...
53
Bearing .62" I.D. x 1.38" O.D. x .437" Thk. MTD-941-0155

...
54
Hex Bolt 1/4-20 x .62" Lg.* MTD-710-0258

...
55
3/8" "V"-Pulley MTD-956-0449

...
56

...
57
Hex Bolt 5/8-18 x 4.5" Lg. MTD-710-3151A

...
58
Hex Bolt 1/4-20 x .625" Lg.* MTD-710-0258

...
59

...
60

...
61
HEX NUT 5/16-18 MTD-712-3010

...
62
Bell.-Wash. .345" I.D. MTD-736-0242

...
63
Spring Pin Spir. 1/4" Dia. MTD-715-0121

...
64
BRACKET ASSY-PIVOT MTD-781-0090

...
65
SCREW 5/16-24 x .500 MTD-710-0600

...
66
ARM EXTENSION MTD-781-0075

...
67
LEVER ASSEMBLY MTD-981-0093

...
68
Torsion Spring MTD-732-0188A

...
69
HEX NUT 5/16-18 MTD-712-3010

...
70
Lock Wash. 5/16" I.D. MTD-936-0119

...
71

...
72
Axle 8.75" Lg. Front) MTD-738-0613

...
73
BASE ASSEMBLY MTD-781-0083

...
74
Hair Pin Cotter 1/2" Dia. MTD-714-0101

...
75
SCREW 5/16-18 x 1.5 LG MTD-710-0805A

...
76
7" WHEEL ASS'Y. COMP. MTD-734-1161A

...
77
Engine MTD-NA

...
78
CABLE TIE MTD-726-0192B

...
79
UPPER HANDLE-T MTD-749-0668

...
xx
UPPER HANDLE MTD-749-0667

...
80
SCREW 1/4-20 X1.00 GR5 MTD-710-0597

...
81
PLATE-HDLE MTD-781-0092A

...
82
Throttle Control Box Ass'y. MTD-831-0796A

...
83
Throttle Wire MTD-946-0634

...
84
Push Cap 1/2"Dia. MTD-726-0221

...
85
SPACER .38 x .50 x 3.75 MTD-711-0386

...
86
DEBRIS DEFLECTOR MTD-781-0095

...
87
Hex Bolt 5/16-18 x .75" 4. Spec. MTD-710-0118

...

...
89
Truss Mach. AB-Tap Scr. #10 x .5" Lg. MTD-710-0779A

...
91
Bell.-Wash. .40" I.D. MTD-736-0105

...
92
Flat Washer, .395 x 1.12 x .14 MTD-736-04005

...
93
SHOULDER BOLT MTD-938-0258

...
94
Bell-Wash. .515" I.D. MTD-736-0255

...
95
SHOULDER SCREW MTD-738-0183

...
96
FLAT WASHER .510 x .995 MTD-736-0272

...
97
ADJUSTER-CURB HEIGHT MTD-781-0100

...
98
Hex L-Nut 3/8-16 Thd. MTD-712-0375

...
99
SPRING ADJUSTMENT LEVER MTD-932-0552

...
100
JAM LOCK NUT MTD-712-0266A

...
101
Fl-Wash 3/8" I.D. MTD-736-0262
...
...
...
...
...
Processing