Welcome,
My Cart
0 item(s)

Models

Parts


product name

Ace by MTD 316E610E033 (7025612) (1996) Snow Thrower

Model: 316E610E033 (7025612) (1996)

Back To Assemblies

Save
Part Not Listed?Part Not Listed?

product name

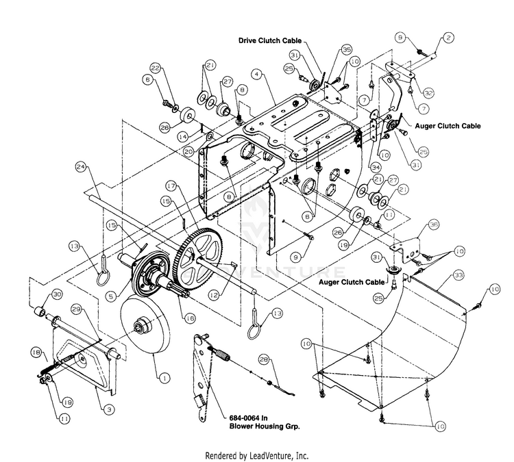
Frame Assembly

...
...
1
Friction Wheel Disc Ass'y. MTD-956-0012A

...
2
SHIFT ROD ASSEMBLY MTD-684-04243

...
3
BRACKET ASSEMBLY MTD-984-0021-0637

...

...
5
Wheel Assembly Friction MTD-984-0042C

...
xx
Rubber Only MTD-935-0243B

...
6
Screw-Hex MTD-710-0118

...
7
Screw-Hex MTD-710-0599

...
8
Screw-Hex MTD-710-0654A

...
9
Screw-Hex MTD-710-0788

...
10
Screw-Hex MTD-710-0896

...
11

...
12
Key-Hi Pro MTD-714-0126

...
13
Click Pin MTD-714-0143A

...
14
Pin-Cotter MTD-714-0474

...
15
Spring Roll Pin 1.12" Lg. MTD-915-0249

...
16
7-Tooth Shaft MTD-917-04094

...
17
Gear-80 Tooth MTD-717-1445

...
18
Ext. Spring .38n O.D. x 2.5" MTD-932-0264

...
19
Washer-Bell MTD-736-0105

...
20
Washer-Flat MTD-736-0160

...
21
Washer-Flat MTD-736-0188

...
22
Washer-Bell MTD-736-0242

...
?23
Lubricant MTD-737-0170

...
24
AXLE .750X24.5 MTD-738-0830

...
xx
Axle (13" Wheel) 22.2" Lg. MTD-738-0869

...
25
Shlder Screw, .375 ID x 1/4-14 MTD-738-0924A

...
26
BALL BEARING MTD-941-0563

...
27
Hex Flange Brg. .752" I.D. MTD-941-0598

...
28
Cable-Auger Clutch MTD-946-0897

...
29
Cable-Drive Clutch MTD-946-0898

...
30

...
31
Roller-Cable MTD-756-0625

...
32

...
33
FRAME COVER MTD-784-5638A

...
34
AUGER GUIDE BRACKET MTD-784-5687

...
35
DRIVE GUIDE BRACKET MTD-784-5688

...
36
GUIDE BRACKET MTD-784-5689A-0637
...
...
...
...
...
Processing