Welcome,
My Cart
0 item(s)

Models

Parts


product name

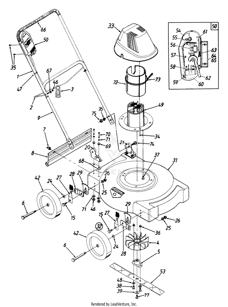
Ace by MTD 183-097-033 (1993) Electric Mower

Model: 183-097-033 (1993)

Save
Part Not Listed?Part Not Listed?

product name

General Assembly

...
...
1
UPPER HANDLE MTD-749-0884

...
2
GUIDE ROD MTD-747-1094

...
3
CORD MINDER MTD-725-1590


...
5
BLADE ADAPTER MTD-748-0356

...
6
Axle Bolt MTD-738-0102

...
7
HINGE CLIP MTD-17098P


...
9
Lower Handle MTD-749-0928A-0637

...
15
Shld. Bolt .5" Dia. x .434" MTD-738-0507B

...
20
BRACKET ASSEMBLY-HDLE (RH) MTD-682-3012

...
21
BRACKET ASSEMBLY-HDLE (LH) MTD-682-3011

...
?22
Torx. Mach. AB-Tap Scr. 1/4 x .62" Lg. MTD-710-1017

...
24
Bell-Wash..38" I.D. x.88" O.D. MTD-736-0105

...
25
BELL WASHER MTD-936-0356

...
26
Hex Nut 3/8-16 Thd. For faster service obtain standard nuts, bolts and washers locally. If these items cannot be obtained locally, order by part number and size as shown on parts list. MTD-712-0798

...
27
Front Spring Lever MTD-94832

...
28
Pivot Bar MTD-152628

...
29
Height Adjustment Plate MTD-787-01290A

...
31
20" Deck Ass'y. MTD-682-0002

...
32
Height Adj. Ass'y. Comp. (R.H.) MTD-753-06761

...
xx
Height Adj. Ass'y. Comp. (R.H.) (Not Shown) MTD-753-06761

...
33
COVER-MOTOR BLACK MTD-731-1263

...
34
SCREW #10-16 x .750 MTD-710-1128

...
35
SCREW #7-19 C 1.0 MTD-710-1150

...
36
Hex Nut 3/8-24 Thd. MTD-712-0241

...
37
HEX SCREW 3/8 x 7/8 MTD-910-1006

...
38
Hex Bolt 3/8-24 x 1.25" Lg. MTD-710-0191

...
39
Bell-Wash..396" I.D. x 1.14" O.D. MTD-738-0452

...
42
Wheel - LH MTD-734-1855

...
46
Hex Top L-Nut 1/4-20 Thd MTD-712-0324

...
47
TIE-PLASTIC MTD-726-0303

...
48
Fl-Wash. .812 I.D. x 1.38 O.D. x .100 For faster service obtain standard nuts, bolts and washers locally. If these items cannot be obtained locally, order by part number and size as shown on parts list. MTD-736-0134

...
49
MOTOR & SWITCH ASS'Y. COMP. MTD-818-60013

...
50
CORD & SWITCH ASS'Y COMP MTD-624-0032

...
53
20" BLADE (MULCH) MTD-742-0720-0637

...
54
HANDLE-SWITCH BOX MTD-731-1210

...
55

...
56

...
57

...
58
2 PRONG PLUG (POLARIZED) MTD-929-0304

...
59
PLUG RETAINER SPRING MTD-932-0680

...
60
RETAINER-PLUG BLACK MTD-731-1211

...
61
LATCH-SWITCH BOX MTD-731-1198

...
62
CORD ASS'Y (Incl. Ref. #58) MTD-624-0053

...
63
SPRING-LATCH (SW-B MTD-732-0681

...
64
HOUSING-UPPER SWIT MTD-731-1208

...
65
HOUSING-LOWER SWIT (Not Shown) MTD-731-1209

...
66
Grip Foam (Optional) MTD-720-0295

...
67
SADDLE WASHER MTD-736-0486

...
68
STRIP-INSULATOR MTD-721-0309

...
69
LUG INSULATOR MTD-731-1219

...
70
SCREW 1/4-20 X1.00 GR5 For faster service obtain standard nuts, bolts and washers locally. If these items cannot be obtained locally, order by part number and size as shown on parts list. MTD-710-0597

...
71
Fl-Wash..26" I.D. x.72" O.D. MTD-736-3090

...
72
INSULATOR-MOTOR HS MTD-721-0311

...
73
Cable Tie MTD-726-0230

...
74
Phillips Hd. Scr. 5/16 x .75" Lg. MTD-710-0323

...
75
HEX NUT 5/16-18 For faster service obtain standard nuts, bolts and washers locally. If these items cannot be obtained locally, order by part number and size as shown on parts list. MTD-712-3010

...
76
Lock Wash. 5/16" I.D. For faster service obtain standard nuts, bolts and washers locally. If these items cannot be obtained locally, order by part number and size as shown on parts list. MTD-936-0119

...
77
SCREW 3/8-24 x 2.50 GR8 MTD-710-1251
...
...
...
...
...
Processing