Welcome,
My Cart
0 item(s)

Models

Parts


product name

Ace by MTD 125-280-033 (1985) Self-Propelled Walk-Behind Mower

Model: 125-280-033 (1985)

Save
Part Not Listed?Part Not Listed?

product name

Rotary Mower

...
...
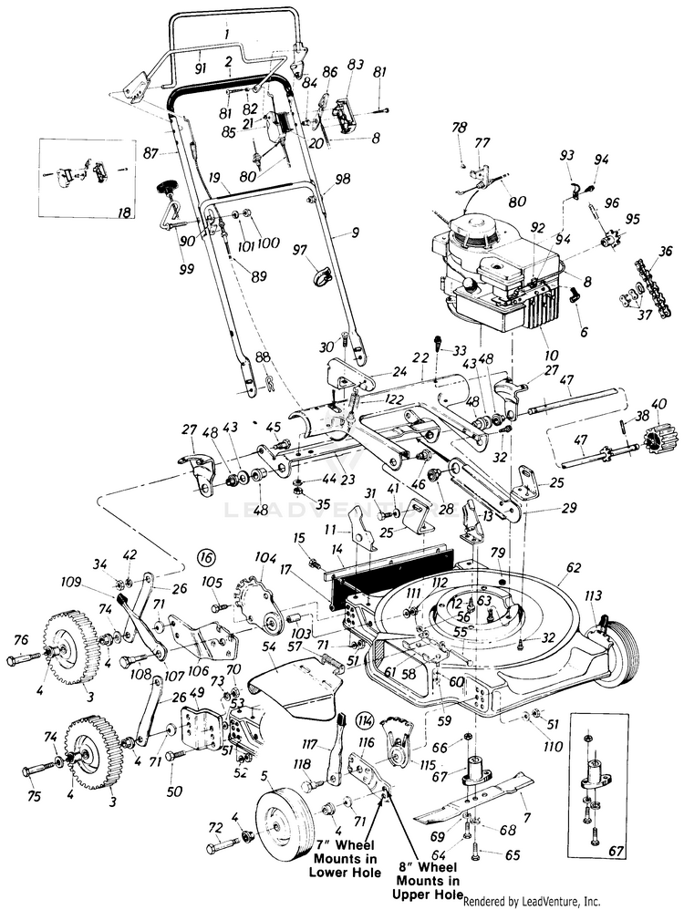
1
CONTROL HANDIE ASS'Y.-L.H. MTD-14321

...
2
Grip (Optional) MTD-718-0145

...
3
ASS'Y. COMP. (GEAR TREAD) MTD-734-1026

...
4
BALL BEARING MTD-941-0180

...
5
Front Wheel Ass'y. Comp. MTD-NA

...
xx
FRONT WHEEL-WAFFLE TREAD (7 x 1.50) MTD-734-0893

...
xx
WHEEL ASSEMBLY W/TIRE- MTD-734-0876

...
xx
Smooth-7" x 1.50" MTD-734-0842

...
xx
ASS'Y. COMP. (WAFFLE TREAD) MTD-734-0812

...
xx
WHEEL ASSEMBLY W/TIRE-8 x 1.75 TL MTD-734-0661

...
xx
FRONT WHEEL-SMOOTH TREAD MTD-734-0843

...
6
INSULATOR-SPARK PLUG MTD-735-0639

...
7
22" BLADE MTD-942-0125B

...
8
Throttle Wire 55" Lg. MTD-946-0671A

...
9
Lower Handle MTD-749-0928A-0637

...
xx
Lower Handle MTD-749-0928A-0637

...
10
Engine MTD-NA

...
11
BRACKET ASSY-HDLE MTD-12936

...
12
Hex Wash. Hd. "B"-Tap Scr. 5/16-18 x .50" Lg. MTD-710-0603

...
13
BRACKET AS MTD-12935

...
14
RETAINER STRIP MTD-14846

...
15
Hex Screw, 1/4-14 x 0.625" MTD-710-0896

...
16
ADJUSTER A (282 Only) MTD-14762

...
xx
L.H. Height Adj. Comp. (Not Shown) (282 Only) MTD-14763

...
17
FLAP ASSEMBLY MTD-731-1029

...
18
CONTROL HOUSING COMP. MTD-753-0360

...
19
CONTROL LABEL THROTTLE MTD-777-5168

...
21
Fl-Wash. .203 I.D. x .406 O.D. MTD-736-0931

...
22
COVER-PINI MTD-16319

...
23

...
24
Engagement Arm MTD-16318

...
25
BRACKET-PIVOT LH MTD-14759

...
26

...
27
BRACKET-AX MTD-14757

...
28
BALL BEARING MTD-941-0180

...
29
Brg. Support MTD-14877

...
30
CARRIAGE BOLT 1/4-20X.50" MTD-710-05177

...
31
Hex Bolt 3/8-16 x .50" Lg. MTD-710-0168

...
32
Hex "B"-Tap Scr. 1/4" x .38" Lg. MTD-710-0352

...
33
Hex Screw, 1/4-14 x 0.625" MTD-710-0896

...
34
HEX NUT 5/16-18 MTD-712-3010

...
35
HEX NUT 1/4-20 MTD-912-0287

...
36
#48 CHAIN 1/2 PITCH x 50 LINKS MTD-913-0311

...
37
#48 MASTER LINK (Service Only) MTD-713-0116

...
38
Roll Pin 3/16 x 1.25" MTD-915-0246

...
40
DRIVE PINION MTD-931-0393

...
41
Bell-Wash. .400" I.D. x .88" O.D. x .060 MTD-736-0105

...
42
Lock Wash. 5/16" I.D. MTD-936-0119

...
43
Fl-Wash. .531" I.D. x .930" O.D. x .050 MTD-736-0160

...
44
L-Wash. 1/4" I.D. MTD-936-0329

...
45
Shoulder Bolt MTD-938-0155

...
46
Shoulder Nut.825 x .165 Lg. MTD-938-0529

...
47
PINION SHAFT MTD-738-0530

...
48
BALL BEARING MTD-941-0484

...
49
Wheel Brkt. (280 Only) MTD-14761

...
50
Hex Bolt 3/8-16 x .75" Lg.* (280 Only) MTD-710-0216

...
51
Hex Nut 3/8-16 Thd.* MTD-712-0798

...
52
Bell-Wash. .400" I.D. x .88" O.D. (280 Only) MTD-736-0105

...
53
Fl-Wash. (280 Only) MTD-936-0117

...
54
CHUTE DEFLECTOR MTD-931-1034B

...
55
PIVOT PIN MTD-711-0555

...
56
PUSH NUT MTD-726-0106

...
57
TORSION SPRING MTD-732-0253

...
58
Hex Bolt 1/4-20 x .50" Lg. MTD-910-0289

...
59
HEX NUT 1/4-20 MTD-912-0287

...
60
L-Wash. 1/4" I.D. MTD-936-0329

...
61
ADAPTER PLATE MTD-11130

...
62
22" DECK ASS'Y MTD-14999

...
63
TT Screw, 3/8-16 x 1.00 MTD-710-0654A

...
64
Hex Bolt 5/16-24 x 1.00" Lg. (Grade 5) MTD-710-0888

...
65
Hex Bolt 3/8-24 x 2.25" Lg. (Grade 5) MTD-710-0331

...
66
Hex Nut 5/16-24 Thd. MTD-912-3057

...
67
Blade Adapter Kit MTD-753-0348

...
68
L-Wash. 3/8" I.D.-H.D. MTD-736-0217

...
69
Lock Wash. 5/16" I.D. MTD-936-0119

...
70
Hex Nut 3/8-16 Thd.* MTD-712-0798

...
71
Bell-Wash. .400" I.D. x .88" O.D. MTD-736-0105

...
72
Front Axle Bolt (280 Only) MTD-738-0213

...
xx
Front Axle Bolt (282 Only) MTD-738-0102

...
73
L-Wash. 3/8" I.D.* MTD-736-0169

...
74
Fl-Wash. .531" I.D. x .93" O.D. MTD-736-0192

...
75
SCREW:SHLDR:0.498X1.630:3/8-16 (280 Only) MTD-738-0533

...
76
SHOULDER SCREW .498 (282 Only) MTD-738-0144

...
77
BRACKET-CA MTD-14924

...
78

...

...
80
THROTTLE CABLE MTD-746-0476

...
81
Truss Mach. self-Tap Scr. #12 x 1.50" Lg. MTD-710-0796

...
82

...
83
CONTROL PANEL HALF MTD-731-0523

...
84
CONROL DISC PIN MTD-731-0524

...
85
CLUTCH PANEL HALF MTD-731-0526

...
86
Throttle Control Lever MTD-931-0972

...
87
UPPER HANDLE MTD-749-0536

...
xx
UPPER HANDLE MTD-749-0538

...
88
Hairpin Cotter MTD-714-0104

...
89
Clutch Cable w/Spring MTD-746-0549

...
90
CABLE BRACKET MOUNTING MTD-16309A

...
91
HANDLE ASSEMBLY MTD-16391

...
92
CLAMP-CONDUIT MTD-751-0369

...
93
CABLE CLAMP MTD-12894

...
94
Hex B-Tap Scr. #10 x .38" MTD-910-0429

...
95
SPROCKET-10T MTD-713-0308

...
96
SPRING PIN MTD-715-0247

...
97
CABLE TIE MTD-726-0192

...
98
BOLT-CARRIAGE-CURV 5/16-18 x 1.38 MTD-710-0671

...
99
OPE GUIDE BOLT MTD-710-0842

...
100
HEX NUT 5/16-18 MTD-712-3010

...
101
Lock Wash. 5/16" I.D. MTD-936-0119

...
103
SPACER (282 Only) MTD-950-0503

...
104
Index Plate (282 Only) MTD-14764C

...
105
Hex Bolt 3/8-16 x .75" Lg. (282 Only) MTD-710-0216

...
106
BAR-PIVOT (RH) *ON (282 Only) MTD-14765

...
xx
BAR-PIVOT (LH) *ON (Not Shown) (282 Only) MTD-14766

...
107
SPRING LEVER (282 Only) MTD-732-0417A

...
108
SHOULDER SCREW (282 Only) MTD-738-0528

...
109
HEIGHT ADJUSTMENT KNOB (282 Only) MTD-731-13116-1

...
110
Bell-Wash. .39 I.D. x 1.13 O.D. (280 Only) MTD-736-0331

...
xx
BELL WASHER (282 Only) MTD-936-0356

...
111
Bell-Wash. .336" I.D. x .86" O.D. (282 Only) MTD-736-0242

...
112
Hex Cent. L.-Nut 5/16-18 Thd. (282 Only) MTD-912-0158

...
113
Height Adj. Ass'y. Comp. (R.H.) (282 Only) MTD-753-06761

...
114
Height Adj. Ass'y. Comp. (R.H.) (282 Only) MTD-753-06761

...
115
Height Adjustment Plate (282 Only) MTD-787-01290A

...
116
Pivot Bar (282 Only) (7" wheel is assembled in bottom hole)(8" wheel is assembled in top hole) MTD-15262B

...
117
Front Spring Lever (282 Only) MTD-94832

...
118
Shoulder Bolt .50" Dia. (282 Only) MTD-738-0507B

...
xx
Hex Wash. Hd. AB-Tap SCI #8 x .38" Lg. MTD-710-0227

...
122
Compression Spring MTD-932-0306A

...
xx
Hardware Pack MTD-8282-000-5
...
...
...
...
...
Processing